电脑桌面
添加小米粒文库到电脑桌面
安装后可以在桌面快捷访问

ITU656数据协议中文版VIP免费

ITU656数据协议中文版_第1页
1/15
ITU656数据协议中文版_第2页
2/15
ITU656数据协议中文版_第3页
3/15
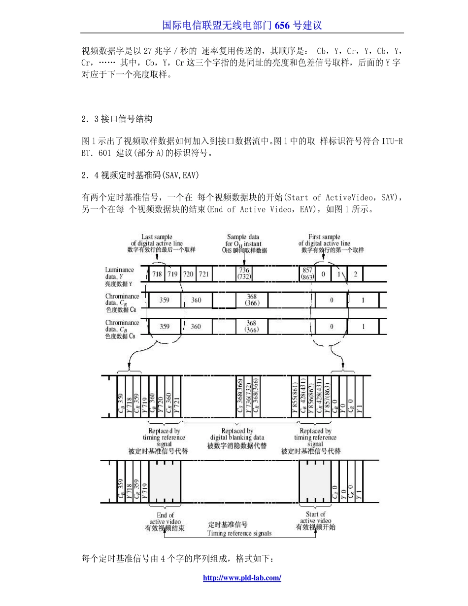
国际电信联盟无线电部门 656 号建议http://www.pld-lab.com/国际电信联盟无线电通信部门 656-3 号建议书:工作在 ITU-RBT.601 建议(部分 A)的4:2:2 级别上的 525 行和 625 行电视系统中的数字分量视频信号的接口国际电联无线电通信全会考虑到:a)对于电视广播机构和节目制 作者,在 525 行和 625 行系统的数 字演播室标准方面有最多个数的相 同重要参数有明显好处;b)一种世界范围兼容的数字 方法将会使设备的开发具有许多共 同特点,运行会更经济,并便于国际 间节目’的交换;c)为实现上述目标,已以 ITU-RBT.601 建议的形式对数字 电视演播室的基本编码参数达成了 协议;d)ITU-RBT.601 建议的实际 实施要求规定接口和通过接口的数 据流的细节;e)这些接口在 525 行和 625 行 两型问应该具有最大的共同性;f)在 ITU-RBT.601 建议的实 际实施中,希望对接口的串行和并 行两种形式都作出规定;g)这些接口所产生的数字电 视信号有可能是对其它业务的潜在 干扰源,必须对无线电规则 No.964 给予应有的注意。建议 凡在电视演播室里需要分量编码数字视频信号接口的地方,这些 接口和通过它们的数据流应符合规定比特并行和比特串行实施的如下 说明:1引言本建议描述了运行在 525 行或 625 行制式并符合 ITU-RBT.601 建 议(部分 A)中所规定的 4:2:2 编码 参数的数字电视设备的互连方法。第一部分描述两种接口通用的 信号格式。第二部分描述比特并行接口的 专有特性。第三部分描述比特串行接口的 专有特性。 补充资料在附件 l 中。国际电信联盟无线电部门 656 号建议http://www.pld-lab.com/第一部分:接口的 通用信号格式1,接口的一殷描述接口为在单一信号源与单一终点之间提供单向互连。并行和串行接口通用的单一信 号格式在第 2 节中描述。 数据信号采取编码成 8 比特字 (也可任选 10 比特字’)的二进制 信息的形式。这些信号是:1:视频信号, 2:定时基准信号, 3:辅助信号。2,视频数据表 1 场间隔定义注 1:信号 F 和 V 在数字行的开始时与有效视频定 时基准码同步改变状态。注 2:行数的定义见 ITU-RBT.470 建议。注意数字行的行号如在 ITU-R BT。601 建议(部分 A)中描述 的,在 011 之前改变状态。2.1 编码特性视频数据符合 ITU-R BT.601 建议(部分 A)和示于表 l 的场消隐定义。2.2 视频数据格式8 个最高有效比特都是 ...

1、当您付费下载文档后,您只拥有了使用权限,并不意味着购买了版权,文档只能用于自身使用,不得用于其他商业用途(如 [转卖]进行直接盈利或[编辑后售卖]进行间接盈利)。
2、本站所有内容均由合作方或网友上传,本站不对文档的完整性、权威性及其观点立场正确性做任何保证或承诺!文档内容仅供研究参考,付费前请自行鉴别。
3、如文档内容存在违规,或者侵犯商业秘密、侵犯著作权等,请点击“违规举报”。

碎片内容

ITU656数据协议中文版

您可能关注的文档

确认删除?
VIP
微信客服
  • 扫码咨询
会员Q群
  • 会员专属群点击这里加入QQ群
客服邮箱
回到顶部