电脑桌面
添加小米粒文库到电脑桌面
安装后可以在桌面快捷访问

110KV供电系统-毕业设计VIP专享VIP免费

110KV供电系统-毕业设计_第1页
1/38
110KV供电系统-毕业设计_第2页
2/38
110KV供电系统-毕业设计_第3页
3/38
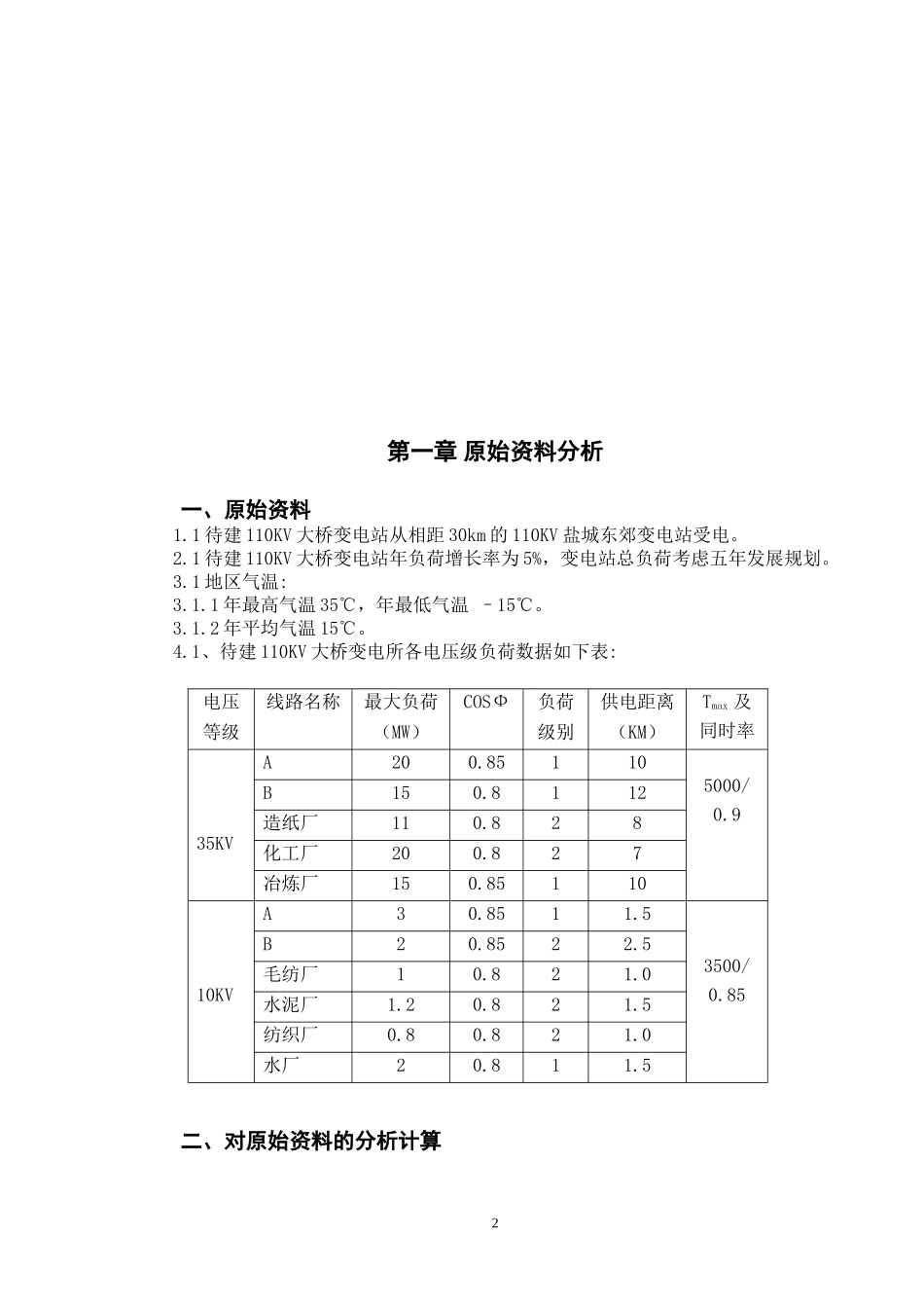
毕 业 设 计 (论文)说 明 书设计题目: 110KV 大桥变电所设计 摘 要 为满足经济发展的需要,根据有关单位的决定修建 1 座 110KV 大桥变电所。本工程初步设计内容包含变电所电气设计,新建的大桥变电所从 110KV 侧东郊变电所受电,其负荷分为 35KV 和 10KV 两个电压等级。 通过技术和经济比较,现采用下列方案:1. 内设两台三绕组变压器,电压等级为 121/37.8/11。2. 110KV 进线采用内桥接线形式。3. 本工程初步设计内容包括变电所电气设计。4. 35KV 和 10KV 配电装置同样采用单母线分段接线。5. 所用电分别从 10KV 两端母线获得。关键词:变电所 主变压器 潮流计算 短路计算 设备选型目 录第一章: 原始资料分析 第 4 页第二章: 110KV 大桥变电所接入系统设计 第 5 页第三章: 110KV 大桥变电所地方供电系统设计 第 7 页第四章: 110KV 大桥变电所主变选择 第 16 页第五章: 所用变选择 第 20 页第六章: 主接线设计 第 21 页第七章: 主接线设计 第 24 页第八章: 变电所电气设备选择 第 29 页第九章: 继电保护配置 第 40 页1第一章 原始资料分析一、原始资料1.1 待建 110KV 大桥变电站从相距 30km 的 110KV 盐城东郊变电站受电。2.1 待建 110KV 大桥变电站年负荷增长率为 5%,变电站总负荷考虑五年发展规划。3.1 地区气温:3.1.1 年最高气温 35℃,年最低气温 –15℃。3.1.2 年平均气温 15℃。4.1、待建 110KV 大桥变电所各电压级负荷数据如下表: 电压等级线路名称最大负荷 (MW)COSФ负荷级别供电距离(KM)Tmax 及同时率35KVA 200.851105000/0.9B 150.8112造纸厂110.828化工厂200.827冶炼厂150.8511010KVA30.8511.53500/0.85B2 0.8522.5毛纺厂10.821.0水泥厂1.20.821.5纺织厂0.80.821.0水厂20.811.5二、对原始资料的分析计算2为满足电力系统对无功的需要,需要在用户侧装设电容器,进行无功补偿,使用户的功率因数提高,35kV 线路用户功率因数提高到 0.9 为宜,10kV 线路用户功率因数应不低于0.9。根据原始资料中的最大有功及调整后的功率因数,算出最大无功,可得出以下数据:电压等级线路名称最大有功 (MW)最大无功(MVAr)COSФ负荷级别Tmax同时率35KVA 209.190.9150000.9B 157.270.91造纸厂115.330.92化工厂209.190.92冶炼厂157.270.9110KVA31.460.9135000.85B2 0.920.92毛纺厂10.490.92水泥厂1.20.580.92纺织厂0.80.390....

1、当您付费下载文档后,您只拥有了使用权限,并不意味着购买了版权,文档只能用于自身使用,不得用于其他商业用途(如 [转卖]进行直接盈利或[编辑后售卖]进行间接盈利)。
2、本站所有内容均由合作方或网友上传,本站不对文档的完整性、权威性及其观点立场正确性做任何保证或承诺!文档内容仅供研究参考,付费前请自行鉴别。
3、如文档内容存在违规,或者侵犯商业秘密、侵犯著作权等,请点击“违规举报”。

碎片内容

110KV供电系统-毕业设计

您可能关注的文档

确认删除?
VIP
微信客服
  • 扫码咨询
会员Q群
  • 会员专属群点击这里加入QQ群
客服邮箱
回到顶部