电脑桌面
添加小米粒文库到电脑桌面
安装后可以在桌面快捷访问

机械加工工艺过程卡片1VIP免费

机械加工工艺过程卡片1_第1页
1/11
机械加工工艺过程卡片1_第2页
2/11
机械加工工艺过程卡片1_第3页
3/11
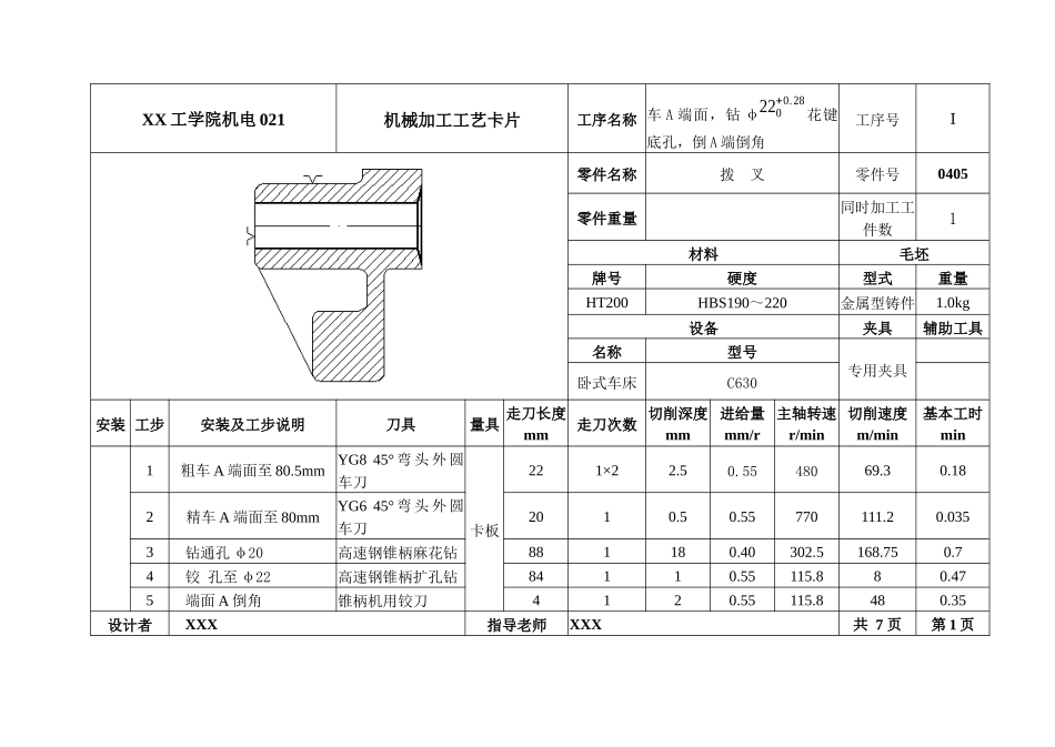
XX 工学院机 械 加 工 工 艺 卡 片零件名称 : 机床 CA6140 拔叉 学 生 : XXX 指导老师 : XXX 二零零五 年 七 月 日 XX 工学院机电 021机械加工工艺过程卡片零件号零件名称0405拔叉工序号工序名称设备夹具刀具量具工时(min)名称型号名称规格名称名称规格1车 A 端面钻 φ220+0.28花键底孔倒 A 端倒角卧式车床C630三卡爪 YG8,YG6 弯 头外圆车刀,标准麻花钻,高速钢锥柄扩孔钻卡板刀杆 16mm×25mmφ20mm,φ22mmφ40mm,ψ=150° 2.552倒 B 端倒角卧式钻床Z35K专用夹具 高速钢锪 钻卡板φ40mm,ψ=150° 0.153拉 φ250+0.023花键孔卧 式 内 拉床L6110专用夹具 高速钢花键拉刀 花键量规 6×22H12×25H8×6+0.03+0.06 0.234铣 D 面卧式铣床X62专用夹具 YG6 硬质合金圆远柱铣刀卡板φ80mm,Z=10 0.55铣 80+0.03槽卧式铣床X62专用夹具 镶齿三面刃铣刀 游标卡尺 φ7mmφ8mm 1.236铣 180+0.012槽卧式铣床X62专用夹具 镶齿三面刃铣刀 游标卡尺φ14.4mmφ17.4mmφ18mm 7.827终检设计者 XXX指导老师XXXXX 工学院机电 021机械加工工艺卡片工序名称 车 A 端面,钻 φ220+0.28花键底孔,倒 A 端倒角工序号Ⅰ 零件名称拨 叉零件号0405零件重量同时加工工件数1材料毛坯牌号硬度型式重量HT200HBS190~220金属型铸件1.0kg设备夹具辅助工具名称型号专用夹具卧式车床C630安装 工步安装及工步说明刀具量具 走刀长度mm走刀次数 切削深度mm进给量mm/r主轴转速r/min切削速度m/min基本工时min1粗车 A 端面至 80.5mmYG8 45° 弯 头 外 圆车刀卡板221×22.50.5548069.30.182精车 A 端面至 80mmYG6 45° 弯 头 外 圆车刀2010.50.55770111.20.0353钻通孔 φ20高速钢锥柄麻花钻881180.40302.5168.750.74铰 孔至 φ22高速钢锥柄扩孔钻84110.55115.880.475端面 A 倒角锥柄机用铰刀4120.55115.8480.35设计者XXX指导老师XXX共 7 页第 1 页淮海工学院机电 021机械加工工艺卡片工序名称倒 B 端倒角工序号Ⅱ 零件名称拨 叉零件号0405零件重量同时加工工件数1材料毛坯牌号硬度型式重量HT200HBS190~220金属型铸件1.0kg设备夹具辅助工具名称型号专用夹具立式钻床Z35K安装 工步安装及工步说明刀具量具 走刀长度mm走刀次数 切削深度mm进给量mm/r主轴转速r/min切削速度m/min基本工时min1B 端倒角高速钢锪钻卡板5120.55115.8260.035设计者 王裕祥指导老师刘成文共 7 页...

1、当您付费下载文档后,您只拥有了使用权限,并不意味着购买了版权,文档只能用于自身使用,不得用于其他商业用途(如 [转卖]进行直接盈利或[编辑后售卖]进行间接盈利)。
2、本站所有内容均由合作方或网友上传,本站不对文档的完整性、权威性及其观点立场正确性做任何保证或承诺!文档内容仅供研究参考,付费前请自行鉴别。
3、如文档内容存在违规,或者侵犯商业秘密、侵犯著作权等,请点击“违规举报”。

碎片内容

机械加工工艺过程卡片1

您可能关注的文档

确认删除?
VIP
微信客服
  • 扫码咨询
会员Q群
  • 会员专属群点击这里加入QQ群
客服邮箱
回到顶部