电脑桌面
添加小米粒文库到电脑桌面
安装后可以在桌面快捷访问

电气设计统一规定VIP专享VIP免费

电气设计统一规定_第1页
1/29
电气设计统一规定_第2页
2/29
电气设计统一规定_第3页
3/29
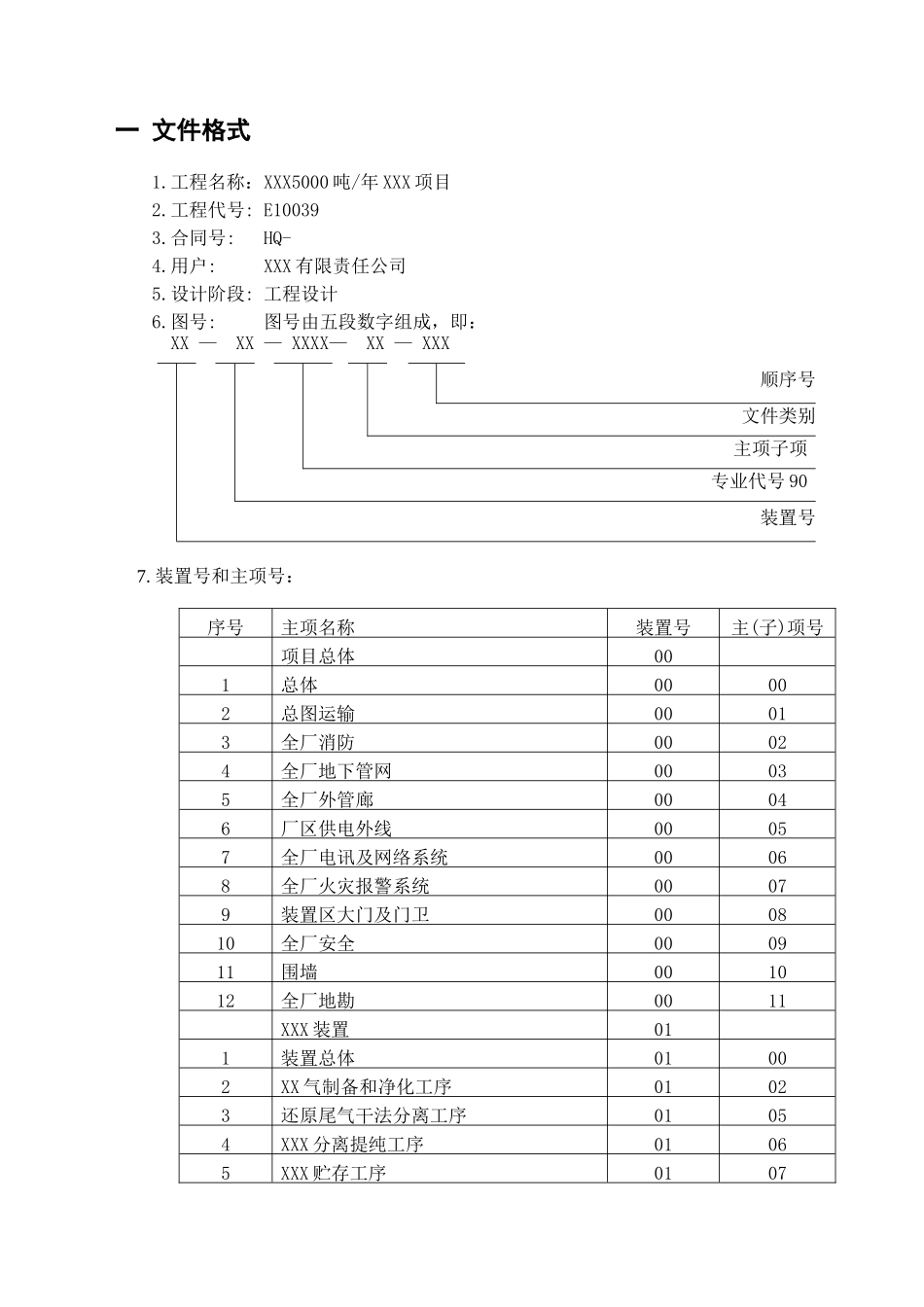
5000 吨/年 XXX 项目项目代码 E10039(电气专业)电气工程设计统一设计规定(文件号:) 编写: 校核: 审核: 目 录目 录.......................................................................................................................................2一 文件格式...................................................................................................................................3二 设计基础资料.........................................................................................................................8三 电气负荷计算.......................................................................................................................10四 电源状况.................................................................................................................................12五 设计范围和分工...................................................................................................................12六 全厂供电系统.......................................................................................................................13七 功率因数补偿.......................................................................................................................15八 保护与控制...........................................................................................................................15九 测量仪表...............................................................................................................................18十 电压选择...............................................................................................................................19十一 配电设计...........................................................................................................................20十二 危险区域划分...................................................................................................................20十三 线路选择及敷设..........................................................

1、当您付费下载文档后,您只拥有了使用权限,并不意味着购买了版权,文档只能用于自身使用,不得用于其他商业用途(如 [转卖]进行直接盈利或[编辑后售卖]进行间接盈利)。
2、本站所有内容均由合作方或网友上传,本站不对文档的完整性、权威性及其观点立场正确性做任何保证或承诺!文档内容仅供研究参考,付费前请自行鉴别。
3、如文档内容存在违规,或者侵犯商业秘密、侵犯著作权等,请点击“违规举报”。

碎片内容

电气设计统一规定

确认删除?
VIP
微信客服
  • 扫码咨询
会员Q群
  • 会员专属群点击这里加入QQ群
客服邮箱
回到顶部