电脑桌面
添加小米粒文库到电脑桌面
安装后可以在桌面快捷访问

水利水电工程施工测量规范VIP免费

水利水电工程施工测量规范_第1页
1/81
水利水电工程施工测量规范_第2页
2/81
水利水电工程施工测量规范_第3页
3/81
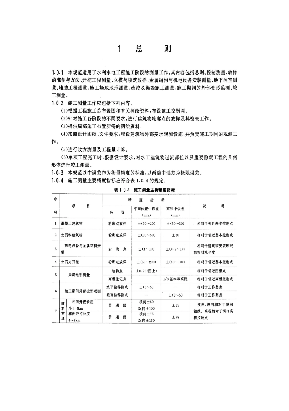
水利水电工程施工测量规范SL 52-93目 录1 总则2 平面控制测量3 高程控制测量4 放样的准备与方法5 开挖工程测量6 立模与填筑放样7 金属结构与机电设备安装测量8地下洞室测量9 辅助工程测量10 施工场地地形测量11 疏浚及渠堤施工测量12 施工期间的外部变形监测13 竣工测量附录 A 平面控制的标墩与标志附录 B 测边网角条件自由项限值计算附录 C 高程控制点标志、标石埋设规格附录 D 测量仪器高、棱镜(觇牌)高的精密方法附录 E 平面位置放样操作方法的规定附录 F 平面放样方法精度估算公式附录 G 有关高程放样的精度估算公式附录 H 用钢带尺精密传递高程计算公式附录 I 用具有平行玻璃板的水准仪进行高程放样时的有关计算 (以威尔特 N3 水准仪为例)附录 J 钢带尺放样中的计算附录 K 光电测距边长和高差的各项改正值计算公式附录 L 像片控制点和标志附录 M 洞外、洞内导线贯通误差估算附录 N 沉降观测点设置和工程量计算方法附加说明主要符号中华人民共和国水利部电力工业部关于颁发《水利水电工程施工测量规范》SL52-93 的通知水建[1993]330 号 为推动水利水电工程施工测量技术的进步,保证施工测量的质量,水利部和原能源部委托水利水电长江葛洲坝工程局为主编单位,对原水利电力部水利水电建设总局局标准《水利水电工程施工测量规范》SDJS 9-85 进行了修订。该规范的修订送审稿已通过两部审查,现批准为行业标准,编号为 SL52-93,自 1993 年 12 月 1 日起执行,原局标准同时废止。 本规范由主编单位负责解释,水利电力出版社负责出版发行。 1993 年 6 月 25 日 对于特大型的水利水电工程,也可布设一等平面控制网,其技术指标应专门设计。 各种等级(二、三、四、五)、各种类型(测角网、测边网、边角网或导线网)的平面控制网、均可选为首级网。2.1.3 平面控制网的布设梯级,可根据地形条件及放样需要决定,以 1~2 级为宜。但无论采用何种梯级布网,其最末级平面控制点相对于同级起始点或邻近高一级控制点的点位中误差不应大于±10mm。 对于水工隧洞地面控制网,其相邻洞口点的点位中误差见表8.1.3。2.1.4 首级平面控制网的起始点,应选在坝轴线或主要建筑物附近。以使最弱点远离坝轴线或放样精度要求较高的地区。2.1.5 独立的平面控制网,应利用勘测设计阶段布设的测图控制点,作为起算数据,在条件方便时,可与邻近的国家三角点进行联测。其联测精度应...

1、当您付费下载文档后,您只拥有了使用权限,并不意味着购买了版权,文档只能用于自身使用,不得用于其他商业用途(如 [转卖]进行直接盈利或[编辑后售卖]进行间接盈利)。
2、本站所有内容均由合作方或网友上传,本站不对文档的完整性、权威性及其观点立场正确性做任何保证或承诺!文档内容仅供研究参考,付费前请自行鉴别。
3、如文档内容存在违规,或者侵犯商业秘密、侵犯著作权等,请点击“违规举报”。

碎片内容

水利水电工程施工测量规范

您可能关注的文档

确认删除?
VIP
微信客服
  • 扫码咨询
会员Q群
  • 会员专属群点击这里加入QQ群
客服邮箱
回到顶部