电脑桌面
添加小米粒文库到电脑桌面
安装后可以在桌面快捷访问

水工规范配筋部分附录VIP专享VIP免费

水工规范配筋部分附录_第1页
1/10
水工规范配筋部分附录_第2页
2/10
水工规范配筋部分附录_第3页
3/10
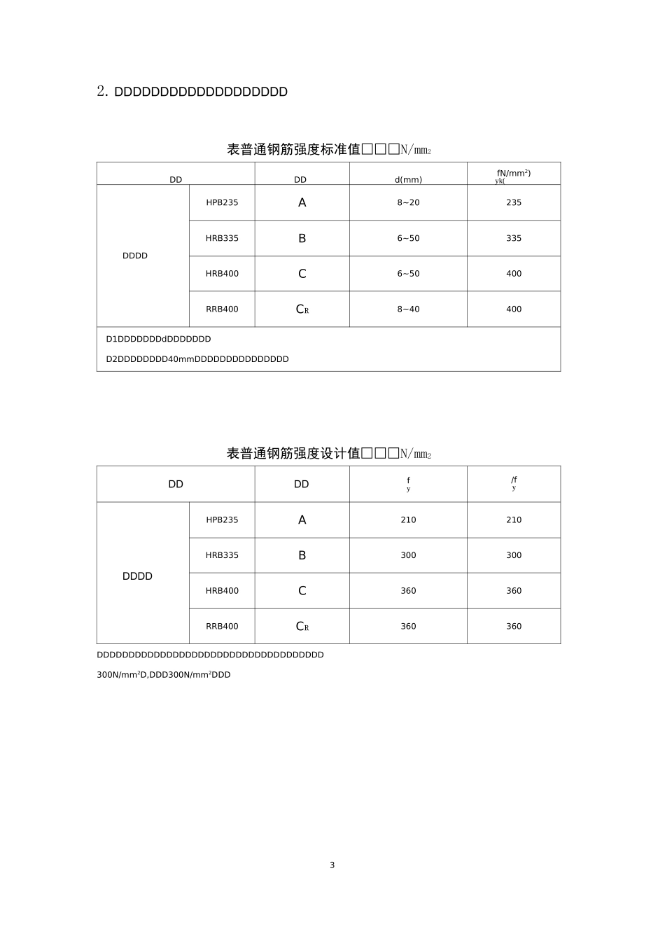
1附录结构环境条件类别表水工混凝土结构所处的环境类别DDDDDDDDDDDDDDDDDDDDDDDDDDDDDDDDDDDDDDDDDDDDDDDDDDDDDDDDDDDDDDDDDDDDDDDDDDDDDDDDDDDDDDDDDDDDDDDDDDDDDDDDDDDDDDDDDDDDDDDDDDDDDDDDDDDDDDDDD1DDDDDDDDDDDDDDDDDDDDDD1.5mDDDDDDDDDDDDDDDDDDDDDDI.OmDDDDDDDDDDDDDDDDDDDDDDl.OmMDDDDDDDDDDDD50mDDDDDDDDDDDDDDDDDDDDDD50〜500mDDDDDDDDDD2DDDDDDDDDDDDDDDDDDDDDDDDDDDDDDDDDDDDDODDD3DDDDDDDDDDDDSL191-2008DDDD3.3.9U2附录材料强度的标准值、设计值和材料弹性模量1.DDDDDDDDDDDDDDDDDDDD表混凝土强度标准值□□□N/mm2DDDDDDDDDDDDDC15C20C25C30C35C40C45C50C55C60DDDDfck10.013.416.720.123.426.829.632.435.538.5DDDDftk1.271.541.782.012.202.392.512.642.742.85表混凝土强度设计值□□□N/mm2DDDDDDDDDDDDDC15C20C25C30C35C40C45C50C55C60DDDDfc7.29.611.914.316.719.121.123.125.327.5DDDDft0.911.101.271.431.571.711.801.891.962.04DDDDDDDDDDDDDDDDDDDDDDDDDDDDDDDDDDD300mmDDDDDDDDDDDDDDDDDD0.8DDDDDDDDDDDDDDDDDDDDDDDDDDDDDDDDDDDD表混凝土弹性模量 X□□□N/mm2ODDDDDDC15C20C25C30C35C40C45C50C55C60Ec2.202.552.803.003.153.253.353.453.553.6032.DDDDDDDDDDDDDDDDDDD表普通钢筋强度标准值□□□N/mm2DDDDd(mm)fN/mm2)yk(DDDDHPB235A8~20235HRB335B6~50335HRB400C6~50400RRB400CR8~40400D1DDDDDDDdDDDDDDDD2DDDDDDDD40mmDDDDDDDDDDDDDDD表普通钢筋强度设计值□□□N/mm2DDDDfy/fyHPB235A210210DDDDHRB335B300300HRB400C360360RRB400CR360360DDDDDDDDDDDDDDDDDDDDDDDDDDDDDDDDDDDD300N/mm2D,DDD300N/mm2DDD4表钢筋弹性模量 x□□□N/mm2DDDDEsHPB235ODD2.1D105HRB335DDDDHRB400DDDDRRB400ODD20105DDDDDDDDDDDDDDDDDDDDDDD2.05D105ODD1.95D105DDDDDDDDDDDDDDDDDDDD2.0D105DDDDDDDDDDDDDDDDDDD5附录钢筋的计算截面面积表表钢筋的公称直径、公称截面面积及公称质量DDDDDmmDDDDDDDDDDDDDDDmm2口(kg/m)123456789628.357851131421701982262550.2226.533.2661001331661992322652990.260850.31011512012523023524024530.3951078.51572363143934715506287070.61712113.122633945256567879190410170.88814153.93084616157699231077123113851.21016201.1402603804100512061407160818091.58018254.55097631017127215271781203622902.00020314.26289421256157018842199251328272.47022380.176011401520190022812661304134212.9802549...

1、当您付费下载文档后,您只拥有了使用权限,并不意味着购买了版权,文档只能用于自身使用,不得用于其他商业用途(如 [转卖]进行直接盈利或[编辑后售卖]进行间接盈利)。
2、本站所有内容均由合作方或网友上传,本站不对文档的完整性、权威性及其观点立场正确性做任何保证或承诺!文档内容仅供研究参考,付费前请自行鉴别。
3、如文档内容存在违规,或者侵犯商业秘密、侵犯著作权等,请点击“违规举报”。

碎片内容

水工规范配筋部分附录

wxg+ 关注
实名认证
内容提供者

该用户很懒,什么也没介绍

确认删除?
VIP
微信客服
  • 扫码咨询
会员Q群
  • 会员专属群点击这里加入QQ群
客服邮箱
回到顶部