电脑桌面
添加小米粒文库到电脑桌面
安装后可以在桌面快捷访问

国内常用拉森钢板桩型VIP免费

国内常用拉森钢板桩型_第1页
1/5
国内常用拉森钢板桩型_第2页
2/5
国内常用拉森钢板桩型_第3页
3/5
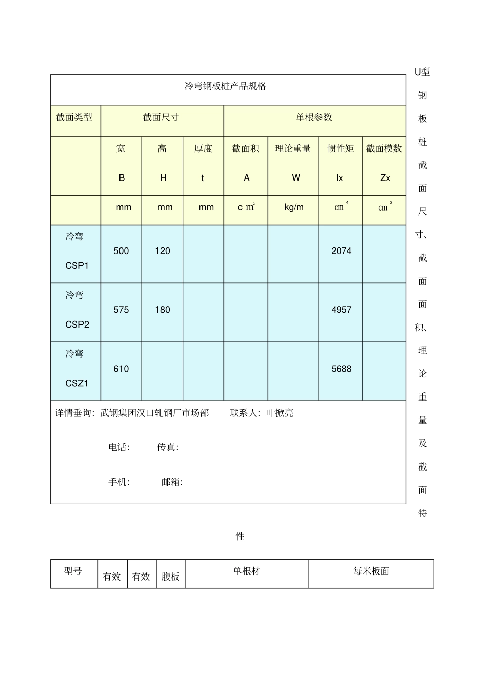
国内常用拉森钢板桩型号一览表通常定尺长度为6m 、9m 、12m ,最长 15m ,入地深度不少于挖土深度的 1/3 拉森钢板桩技术参数 ...型号尺寸规格单根钢板桩单根每米壁宽DimensionsPer pliePer 1m of pile wall widthType宽度/w高度/h厚度/t截面积理论重量惯性矩截面模数截面积 理论重量惯性矩截面模数mmmmmmcm2Kg/mcm4cm3cm2/mKg/m2cm4/mcm4/m SP- Ⅱ4001004812401521531208740874 SP- Ⅲ40012513602220223191150168001340 SP- Ⅳ4001704670362190386002270 SP- ⅤL 500200105796052021063003150 SP- ⅥL 5002251531201140068030624086003820 SP- ⅡW 6001302110203103130001000 SP- ⅢW 6001805220376136324001800 SP- ⅣW 600210181068630539177567002700拉森钢板桩性能指标 ...标准号型号化学成分 (%)碳当量(%)力学性能参数CSiMnPSNCeq.屈服点拉伸强度延伸率(%)冲击吸收能量J(0 ° C)(freeN)N/mm2N/mm2焊接用热压延钢板桩JIS A 5523SYW2952954901743max max max max maxmaxmaxminminminminSYW3903905401543max max max max maxmaxmaxminminminmin热压延钢板桩JIS A 5528SY295-----29549017-max maxminminminSY390--- max max--39054015-minminminU型钢板桩截面尺寸、截面面积、理论重量及截面特性型号有效有效腹板单根材每米板面冷弯钢板桩产品规格截面类型截面尺寸单根参数宽B 高H 厚度t 截面积A 理论重量W 惯性矩lx 截面模数Zx mmmmmmc ㎡kg/m㎝4㎝3冷弯CSP1 500 120 2074 冷弯CSP2 575 180 4957 冷弯CSZ1 610 5688 详情垂询:武钢集团汉口轧钢厂市场部联系人:叶掀亮电话:传真:手机:邮箱:( 宽度×高度)宽度W1mm高度H1mm厚度tmm截面面积cm2理论重量kg/m惯性矩 Ixcm4截面模量Wxcm3截面面积cm2理论重量kg/m2惯性距 Ixcm4截面模量Wxcm3400×8540085598884500529400×10040010012401528740874400×1254001252220223168001340400×1504001502790250228001520400×1604001604110334344002150400×1704001704670362386002270500×2005002007960520630003150500×22550022511400680860003820600×1306001302110203130001000600×1806001805220376324001800600×2106002108630539567002700750×205750204659045613228710141075071104811473285016007502067270488151342701665750×220750876055415039300178075022293805791654444020007509580588169461802075750×22575098305791735070022707502251039060118856240250075010580608192581402580拉森钢板桩计算:1、支护单边(拉森钢板)每米重=1/*6*60=900KG2、支护双边全长(拉森钢板)全重=900*2*67=120600KG3、加劲板重 =*67*2=5105.4KG4、支撑重 =**67/3=5、合计 =++120600=131075表格形式见表一

1、当您付费下载文档后,您只拥有了使用权限,并不意味着购买了版权,文档只能用于自身使用,不得用于其他商业用途(如 [转卖]进行直接盈利或[编辑后售卖]进行间接盈利)。
2、本站所有内容均由合作方或网友上传,本站不对文档的完整性、权威性及其观点立场正确性做任何保证或承诺!文档内容仅供研究参考,付费前请自行鉴别。
3、如文档内容存在违规,或者侵犯商业秘密、侵犯著作权等,请点击“违规举报”。

碎片内容

国内常用拉森钢板桩型

您可能关注的文档

确认删除?
VIP
微信客服
  • 扫码咨询
会员Q群
  • 会员专属群点击这里加入QQ群
客服邮箱
回到顶部