电脑桌面
添加小米粒文库到电脑桌面
安装后可以在桌面快捷访问

圆柱墩施工三级技术交底1VIP免费

圆柱墩施工三级技术交底1_第1页
1/14
圆柱墩施工三级技术交底1_第2页
2/14
圆柱墩施工三级技术交底1_第3页
3/14
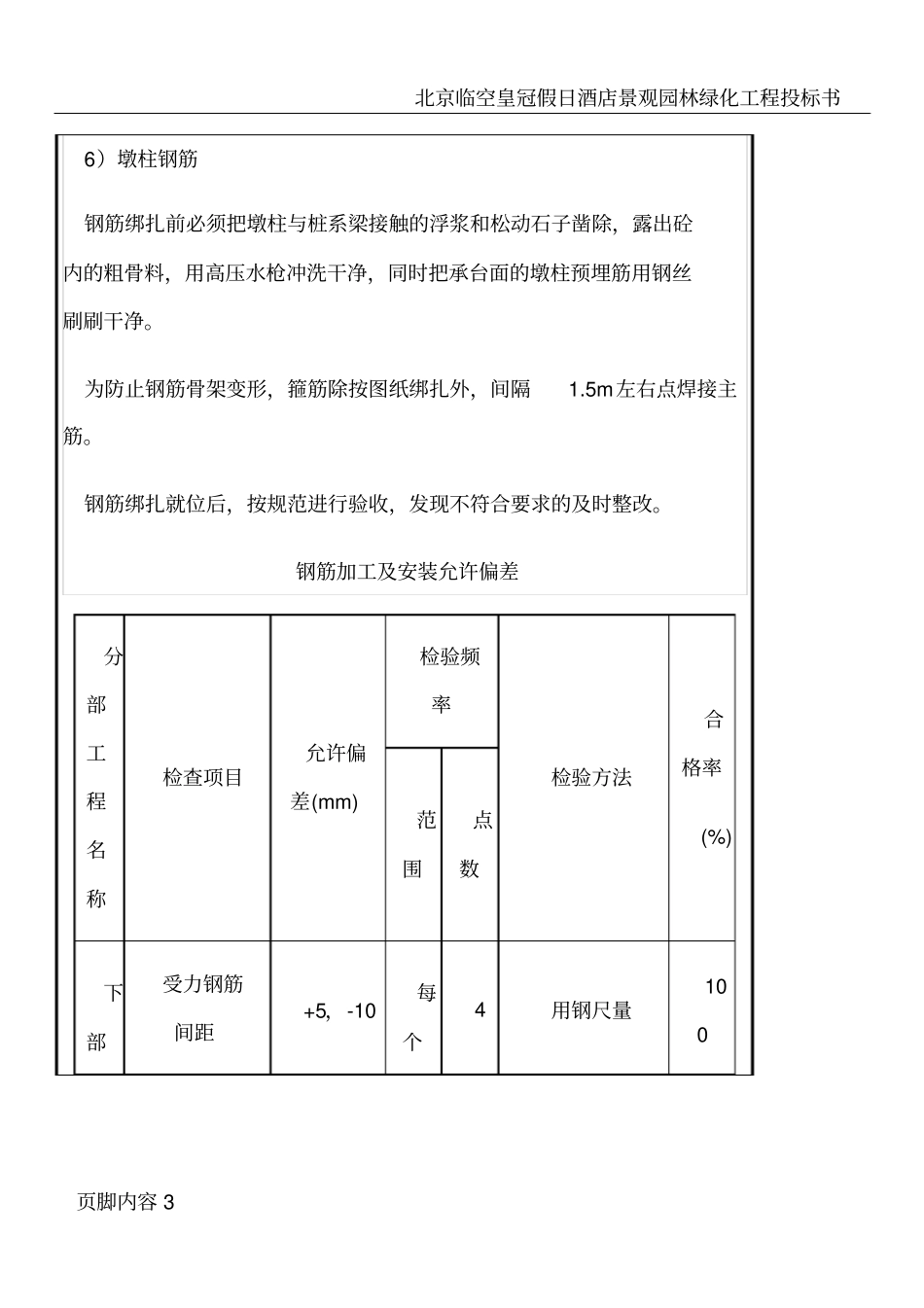
北京临空皇冠假日酒店景观园林绿化工程投标书页脚内容 1项目施工主墩施工技术交底记录表工程项目道安高速公路 TJ07标交底项目岩湾河特大桥引桥圆柱墩施工交底人交底时间交底地点交底内容要点:一﹑施工概述岩湾河特大桥引桥为30m 跨为先简支后连续预制T 梁,引桥下部构造采用双柱式墩,钻(挖)孔桩基础,桥台采用U 型桥台。墩柱有17m、17.3m、32m 和 37m 各两个。其中 17m和 17.3m的直径为 2m,32m 和 37m 的直径为 1.8m。二﹑主要施工方法、工艺1、墩柱施工工艺流程图测量放样→标高测定→接茬面凿毛→脚手架搭设→钢筋绑扎→模板安装→质量验收→混凝土浇筑→拆模→养护北京临空皇冠假日酒店景观园林绿化工程投标书页脚内容 22、墩柱施工方法1)前期准备桩系梁与墩柱的接触面凿毛,并使用高压水枪清理,做好施工缝的处理。在桩系梁内埋设墩柱模板固定需要使用的预埋钢筋。搭设钢管脚手架,支架采用φ 48mm 的钢管碗扣组合。上部与墩顶齐平,立杆间距 1m,横杆步距 1.2m,脚手架 8m 以下采用抛杆加固, 8m以上采用缆绳加固。此脚手架主要为施工用脚手架,不承重。2)测量放线在桩系梁顶面准确放出墩柱中线并标注十字和钢模板外边线,以利于钢模板吊装就位;经驻地监理检查合格后并约请总监办进行验收,合格后方可进行钢模板安装。3)凿毛处理墩柱钢筋绑扎前要将墩柱范围内的桩系梁进行凿毛处理,以利于桩系梁砼与墩柱砼的良好结合。4)模板选型加工本工程墩柱模板采用钢模板。为方便拆装,一个墩柱模板采用若干个模板组装而成。根据本工程墩柱高度分布情况,采用1.5m模版拼装。北京临空皇冠假日酒店景观园林绿化工程投标书页脚内容 36)墩柱钢筋钢筋绑扎前必须把墩柱与桩系梁接触的浮浆和松动石子凿除,露出砼内的粗骨料,用高压水枪冲洗干净,同时把承台面的墩柱预埋筋用钢丝刷刷干净。为防止钢筋骨架变形,箍筋除按图纸绑扎外,间隔1.5m左右点焊接主筋。钢筋绑扎就位后,按规范进行验收,发现不符合要求的及时整改。钢筋加工及安装允许偏差分部工程名称检查项目允许偏差(mm)检验频率检验方法合格率(%)范围点数下部受力钢筋间距+5,-10每个4用钢尺量100北京临空皇冠假日酒店景观园林绿化工程投标书页脚内容 4结构现浇砼墩柱箍筋、横向水平筋螺旋筋间距±20构筑物5100钢筋骨架尺 寸长+5,-103用钢尺量100宽、高或直径100保护层厚度±56钢尺检查或混凝土保护层测试仪检测1005)模板安装与拆除绑扎完钢筋笼后即可吊装墩...

1、当您付费下载文档后,您只拥有了使用权限,并不意味着购买了版权,文档只能用于自身使用,不得用于其他商业用途(如 [转卖]进行直接盈利或[编辑后售卖]进行间接盈利)。
2、本站所有内容均由合作方或网友上传,本站不对文档的完整性、权威性及其观点立场正确性做任何保证或承诺!文档内容仅供研究参考,付费前请自行鉴别。
3、如文档内容存在违规,或者侵犯商业秘密、侵犯著作权等,请点击“违规举报”。

碎片内容

圆柱墩施工三级技术交底1

您可能关注的文档

文库当当响+ 关注
实名认证
内容提供者

该用户很懒,什么也没介绍

确认删除?
VIP
微信客服
  • 扫码咨询
会员Q群
  • 会员专属群点击这里加入QQ群
客服邮箱
回到顶部