电脑桌面
添加小米粒文库到电脑桌面
安装后可以在桌面快捷访问

土方工程签证单VIP免费

土方工程签证单_第1页
1/4
土方工程签证单_第2页
2/4
土方工程签证单_第3页
3/4
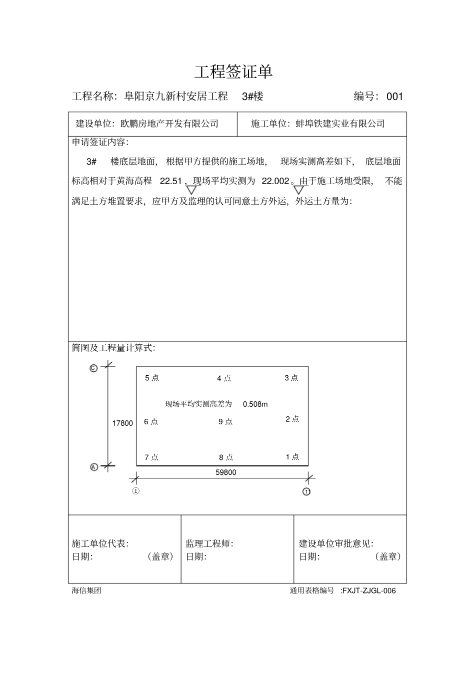
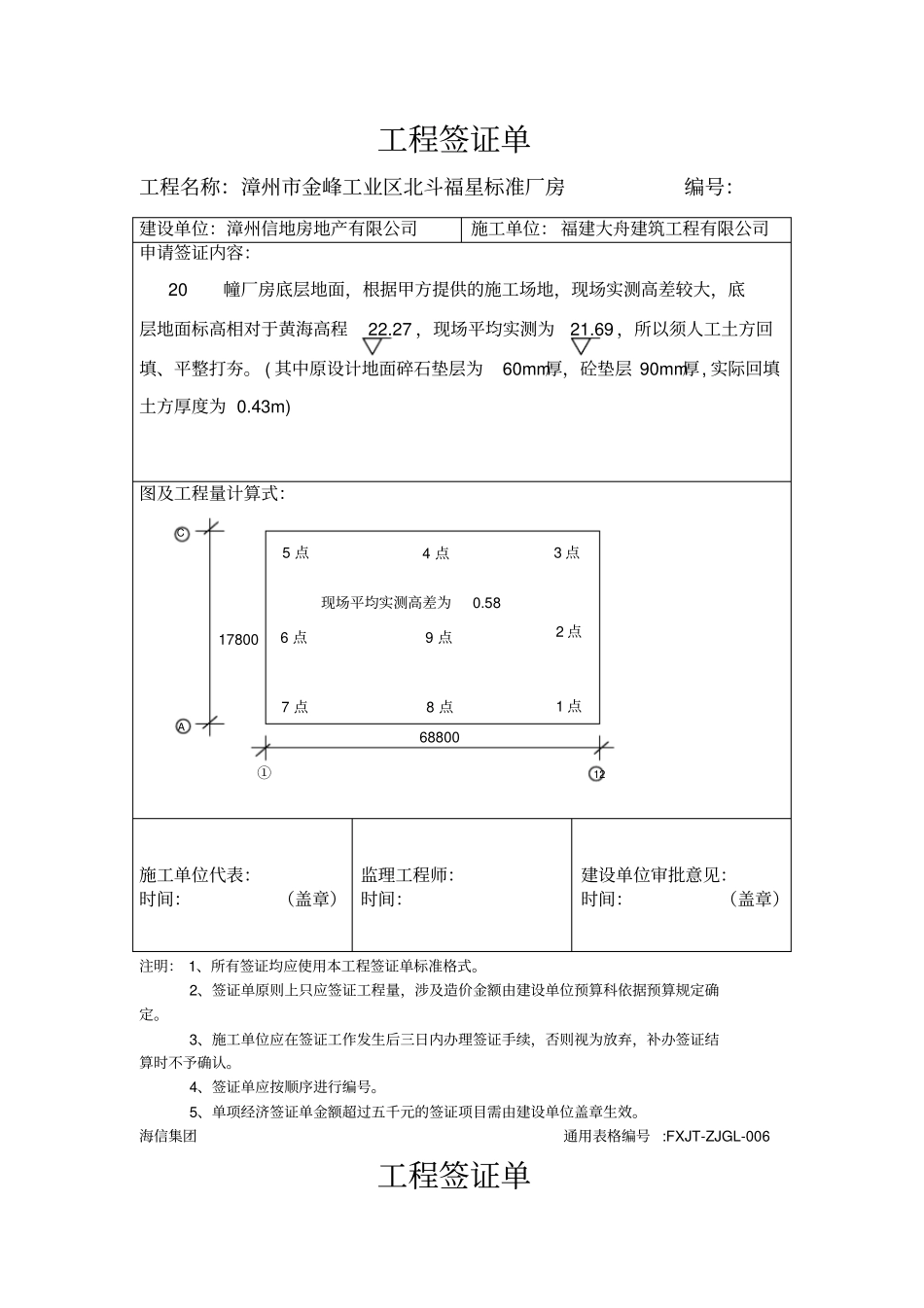
工程签证单工程名称:阜阳京九新村安居工程3#楼编号:001 海信集团通用表格编号 :FXJT-ZJGL-006 建设单位:欧鹏房地产开发有限公司施工单位:蚌埠铁建实业有限公司申请签证内容: 3#楼底层地面, 根据甲方提供的施工场地, 现场实测高差如下, 底层地面标高相对于黄海高程22.51 ,现场平均实测为 22.002 。由于施工场地受限, 不能满足土方堆置要求,应甲方及监理的认可同意土方外运,外运土方量为:简图及工程量计算式:施工单位代表:日期:(盖章)监理工程师:日期:建设单位审批意见:日期:(盖章)6 点5 点7 点4 点3 点2 点1 点9 点8 点现场平均实测高差为0.508m 17800 59800 ①11 A C 工程签证单工程名称:漳州市金峰工业区北斗福星标准厂房编号:注明: 1、所有签证均应使用本工程签证单标准格式。2、签证单原则上只应签证工程量,涉及造价金额由建设单位预算科依据预算规定确定。3、施工单位应在签证工作发生后三日内办理签证手续,否则视为放弃,补办签证结算时不予确认。4、签证单应按顺序进行编号。5、单项经济签证单金额超过五千元的签证项目需由建设单位盖章生效。海信集团通用表格编号 :FXJT-ZJGL-006 工程签证单建设单位:漳州信地房地产有限公司施工单位: 福建大舟建筑工程有限公司申请签证内容: 20幢厂房底层地面,根据甲方提供的施工场地,现场实测高差较大,底层地面标高相对于黄海高程22.27 ,现场平均实测为21.69 ,所以须人工土方回填、平整打夯。 ( 其中原设计地面碎石垫层为60mm厚,砼垫层 90mm厚, 实际回填土方厚度为 0.43m) 图及工程量计算式:施工单位代表:时间:(盖章)监理工程师:时间:建设单位审批意见:时间:(盖章)6 点5 点7 点4 点3 点2 点1 点9 点8 点现场平均实测高差为0.58 17800 68800 ①12 A C 工程名称:漳州市金峰工业区北斗福星标准厂房编号:注明: 1、所有签证均应使用本工程签证单标准格式。2、签证单原则上只应签证工程量,涉及造价金额由建设单位预算科依据预算规定确定。3、施工单位应在签证工作发生后三日内办理签证手续,否则视为放弃,补办签证结算时不予确认。4、签证单应按顺序进行编号。5、单项经济签证单金额超过五千元的签证项目需由建设单位盖章生效。海信集团通用表格编号 :FXJT-ZJGL-006 工程签证单工程名称:漳州市金峰工业区北斗福星标准厂房编号:建设单位:漳州信地房地产有限公司施工单位: 福建大舟建筑工...

1、当您付费下载文档后,您只拥有了使用权限,并不意味着购买了版权,文档只能用于自身使用,不得用于其他商业用途(如 [转卖]进行直接盈利或[编辑后售卖]进行间接盈利)。
2、本站所有内容均由合作方或网友上传,本站不对文档的完整性、权威性及其观点立场正确性做任何保证或承诺!文档内容仅供研究参考,付费前请自行鉴别。
3、如文档内容存在违规,或者侵犯商业秘密、侵犯著作权等,请点击“违规举报”。

碎片内容

土方工程签证单

确认删除?
VIP
微信客服
  • 扫码咨询
会员Q群
  • 会员专属群点击这里加入QQ群
客服邮箱
回到顶部