电脑桌面
添加小米粒文库到电脑桌面
安装后可以在桌面快捷访问

垃圾吊运行规程资料VIP免费

垃圾吊运行规程资料_第1页
1/30
垃圾吊运行规程资料_第2页
2/30
垃圾吊运行规程资料_第3页
3/30
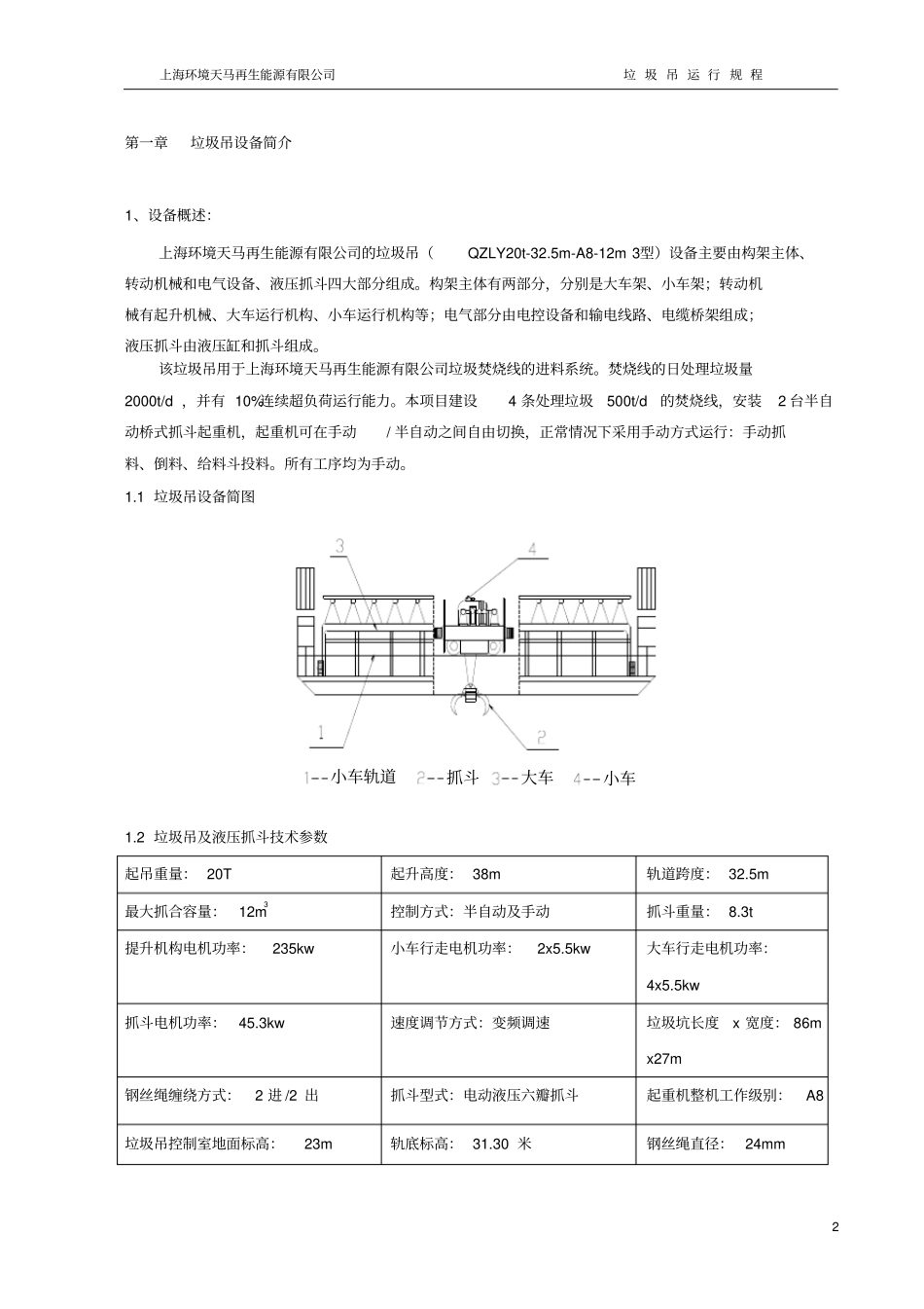
关于颁发《垃圾吊运行规程》通知好运行管理、建立良好的生产秩序,提高运行人员的技术水平,做到有章可循、有规可依、人人有专责、事事有人管,确保我公司发电设备安全、经济、稳发、多供。根据原电力部颁发的《电力工业技术管理法规》、原水电部颁发的全国地方小型火电厂《垃圾吊运行规程》的有关部分,参照同类型电厂和设备制造厂家的《安装使用说明书》及有关资料,编制了本公司《垃圾吊运行规程》。一、下列人员应熟悉和执行本规程:总经理、副总经理、运行管理人员、相关专业的技术人员、安全监察人员。二、下列人员应熟知和执行相应规程,并接受考试:垃圾吊运行人员。三、本规程由以下人员编写、审定、批准:编写:审定:批准:四、本规程在执行中如与上级规程相抵触时,按上级规程执行;如发现错误或不当之处应随时向运行部报,以便及时进行修订补充,使本规程日臻完善。特此通知!上海天马再生能源有限公司二零一五年十月上海环境天马再生能源有限公司垃 圾 吊 运 行 规 程1 目录第一章垃圾吊设备简介,,,,,,,,,,,,,,,,,,,,,,,,3 第二章垃圾吊的运行操作,,,,,,,,,,,,,,,,,,,,,,,6 第三章垃圾吊的检查和保养,,,,,,,,,,,,,,,,,,,,,,11 第四章垃圾吊故障原因及处理,,,,,,,,,,,,,,,,,,,,,19 第五章垃圾吊大修后的试验,,,,,,,,,,,,,,,,,,,,,,19 第六章垃圾库管理 ,,,,,,,,,,,,,,,,,,,,,,,,,,28上海环境天马再生能源有限公司垃 圾 吊 运 行 规 程2 第一章垃圾吊设备简介1、设备概述:上海环境天马再生能源有限公司的垃圾吊(QZLY20t-32.5m-A8-12m 3型)设备主要由构架主体、转动机械和电气设备、液压抓斗四大部分组成。构架主体有两部分,分别是大车架、小车架;转动机械有起升机械、大车运行机构、小车运行机构等;电气部分由电控设备和输电线路、电缆桥架组成;液压抓斗由液压缸和抓斗组成。该垃圾吊用于上海环境天马再生能源有限公司垃圾焚烧线的进料系统。焚烧线的日处理垃圾量2000t/d ,并有 10%连续超负荷运行能力。本项目建设4 条处理垃圾500t/d的焚烧线,安装2 台半自动桥式抓斗起重机,起重机可在手动/ 半自动之间自由切换,正常情况下采用手动方式运行:手动抓料、倒料、给料斗投料。所有工序均为手动。1.1 垃圾吊设备简图小车轨道抓斗大车小车1.2 垃圾吊及液压抓斗技术参数起吊重量: 20T 起升高度: 38m 轨道跨度: 32.5m 最大抓合容量:12m3控制方式:半自动及手动抓斗重量: 8.3t 提升机构电...

1、当您付费下载文档后,您只拥有了使用权限,并不意味着购买了版权,文档只能用于自身使用,不得用于其他商业用途(如 [转卖]进行直接盈利或[编辑后售卖]进行间接盈利)。
2、本站所有内容均由合作方或网友上传,本站不对文档的完整性、权威性及其观点立场正确性做任何保证或承诺!文档内容仅供研究参考,付费前请自行鉴别。
3、如文档内容存在违规,或者侵犯商业秘密、侵犯著作权等,请点击“违规举报”。

碎片内容

垃圾吊运行规程资料

确认删除?
VIP
微信客服
  • 扫码咨询
会员Q群
  • 会员专属群点击这里加入QQ群
客服邮箱
回到顶部