电脑桌面
添加小米粒文库到电脑桌面
安装后可以在桌面快捷访问

基础槽钢技术交底汇总VIP免费

基础槽钢技术交底汇总_第1页
1/10
基础槽钢技术交底汇总_第2页
2/10
基础槽钢技术交底汇总_第3页
3/10
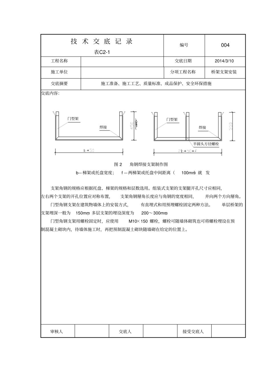
技 术 交 底 记 录编号002 工程名称交底日期2014/3/2 施工单位分项工程名称基础槽钢制作安装交底摘要施工准备、施工工艺、质量标准、交底内容:编制依据:建筑电气施工质量验收规范GB50303-2002 石家庄市南水北调配套工程石家庄西北地表水厂工程变配电室、反冲洗间设计图纸国家现行规范一、施工准备 1.技术准备熟悉图纸资料,弄清设计图的设计内容,注意基础、配电柜尺寸。 2.材料要求型钢要符合国家或颁布的现行技术标准,外表无严重锈斑,无过度扭曲、弯折变形。 3.主要机具气割、电锤、型材切割机、角向磨光机、盒尺、电焊机、水平仪,水平尺等。二、施工工艺 1.工艺流程型钢除锈 - 型钢刷防锈漆、(面漆) 调和漆 - 基础校验、 复核 - 配电柜尺寸复核- 与土建专业交接-基础型钢制作、安装。 2.操作工艺 (1)基本要求 1 )型钢预先调直,除锈,刷防锈底漆。2) 基础型钢架可预制或现场组装。按施工图纸所标位置将预制好的基础型钢架或型钢焊牢在基础预埋铁上。用水准仪及水平尺找平、校正。需要垫片的地方,须按钢结构施工规范要求。垫片最多不超过三片,焊后清理,打磨,补刷防锈漆。3)基础型钢尺寸按设计要求,安装允许偏差表:项目允许偏差mm/m mm/全长不直度<1 <5 水平度<1 <5 不平行度/ <5 审核人交底人接受交底人技 术 交 底 记 录编号002 工程名称交底日期2014/3/2 施工单位分项工程名称基础槽钢制作安装交底摘要施工准备、施工工艺、质量标准、交底内容: 4)基础型钢与地线连接:基础型钢安装完毕后,将室外地线扁钢分别室内(与变压器安装地线配合)与基础型钢的两端焊牢,焊接面为扁钢宽度的二倍。然后将基础型钢刷两遍灰漆。5)基础型钢安装后,其顶部应高出抹平地面10mm;手车式配电柜应与最后地面齐平;基础型钢应有明显的可靠接地,接地点不得少于两点。6) 使用电气设备、电动工具要有可靠的保护接地(接零)措施。打眼时,要戴好防护眼镜. 7) 各种气瓶的存放,要距离明火10m以上,挪动时不能碰撞。氧气瓶不能和可燃气瓶同放一处。审核人交底人接受交底人技 术 交 底 记 录表C2-1 编号004 工程名称交底日期2014/3/10 施工单位分项工程名称桥架支架安装交底摘要施工准备、施工工艺、质量标准、成品保护、安全环保措施交底内容:半圆头方径螺栓焊接门型架(550)门型架焊接图 2 角钢焊接支架制作图b—梯架或托盘宽度;f —两梯架或托盘中间距离(100mm)就 发支架角钢的规格应...

1、当您付费下载文档后,您只拥有了使用权限,并不意味着购买了版权,文档只能用于自身使用,不得用于其他商业用途(如 [转卖]进行直接盈利或[编辑后售卖]进行间接盈利)。
2、本站所有内容均由合作方或网友上传,本站不对文档的完整性、权威性及其观点立场正确性做任何保证或承诺!文档内容仅供研究参考,付费前请自行鉴别。
3、如文档内容存在违规,或者侵犯商业秘密、侵犯著作权等,请点击“违规举报”。

碎片内容

基础槽钢技术交底汇总

确认删除?
VIP
微信客服
  • 扫码咨询
会员Q群
  • 会员专属群点击这里加入QQ群
客服邮箱
回到顶部