电脑桌面
添加小米粒文库到电脑桌面
安装后可以在桌面快捷访问

塔吊维修保养记录VIP免费

塔吊维修保养记录_第1页
1/3
塔吊维修保养记录_第2页
2/3
塔吊维修保养记录_第3页
3/3
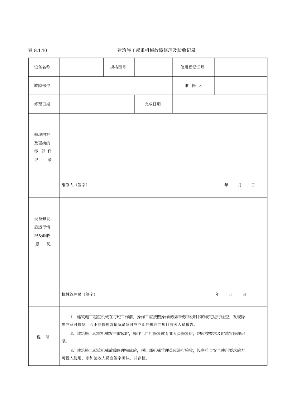
表 8.1.10 建筑施工起重机械故障修理及验收记录设备名称规格型号使用登记证号故障部位维 修 人修理日期完成日期修理内容及更换的零 部 件记录维修人(签字) :年月日设备修复后运行情况及验收意见机械管理员(签字) :年月日说明1.建筑施工起重机械在每班工作前,操作工应按照操作规程和使用说明书的规定进行检查,发现隐患应及时修复,若不能修理或情况紧急时应立即停机并向项目有关人员报告。2.建筑施工起重机械发生故障时,操作工自行修复或专业人员修复后,均应按要求及时填写修理记录。3.建筑施工起重机械故障修理完成后,项目部机械管理员应进行验收,设备符合安全使用要求后方可投入使用,参加验收人员应签字确认,并存档。表 8.1.11 建筑施工起重机械(塔式起重机)日常维护保养表工程名称:年月设备名称规格型号使用登记证号操作工项 目项 目 要 求维 护 保 养 日 期1 2 3 4 5 6 7 8 9 10 11 12 13 14 15 16 17 18 19 20 21 22 23 24 25 26 27 28 29 30 31 润 滑应加足各黄油嘴油量检查各减速机构无漏油现象金 属结 构检查基础及结构螺栓无松动变形检查销轴固定销或板应牢固可靠检查受力杆件应无变形、裂纹检查受力杆件焊缝是否开裂工 作机 构开动各机构工作应平稳无震动制动灵敏,制动带磨损应<50% 钢丝绳检查各机构钢丝绳固定是否牢固,排列是否整齐各机构钢丝绳无断股、锈蚀、变形,断丝未达到相应报废标准防 护装 置力矩限制器工作灵敏可靠起重量限制器工作灵敏可靠各限位开关工作灵敏可靠吊钩保险卡、小车止挡器应完好电气连接电缆电气元件牢固,无破损开关箱内隔离开关、漏保器完好填 写说 明1、以上各项由操作人员班前或班后进行2、以上项目完好打“√”,不合格打“△”3、本表于每月底,操作人员应报项目部签证操作工(签字) :项目部管理员(签字) :表 8.1.14 建筑施工起重机械(塔机)定期维护保养表工程名称:年月日设备名称规格型号产权登记证号使用登记证号项目项目要求存在问题处理结果基础部分检查排水设施且排水设施齐全,不得有积水; 检查砼基础沉降,基础表面水平误差<2mm 检查螺栓连接应牢固无松动、变形,螺母、垫齐全检查接地装置连接应牢固,接地电阻值<4Ω金属结构应调直和校正主要结构:自由垂直度<4‰ 附着状态下顶端附着结构以上垂直度应<2‰检查主要受力结构杆件,不得有变形扭曲现象检查所有结构杆件,不得有裂伤开焊现...

1、当您付费下载文档后,您只拥有了使用权限,并不意味着购买了版权,文档只能用于自身使用,不得用于其他商业用途(如 [转卖]进行直接盈利或[编辑后售卖]进行间接盈利)。
2、本站所有内容均由合作方或网友上传,本站不对文档的完整性、权威性及其观点立场正确性做任何保证或承诺!文档内容仅供研究参考,付费前请自行鉴别。
3、如文档内容存在违规,或者侵犯商业秘密、侵犯著作权等,请点击“违规举报”。

碎片内容

塔吊维修保养记录

确认删除?
VIP
微信客服
  • 扫码咨询
会员Q群
  • 会员专属群点击这里加入QQ群
客服邮箱
回到顶部