电脑桌面
添加小米粒文库到电脑桌面
安装后可以在桌面快捷访问

学与玩博客-Cypress固件架构彻底解析及USB枚举VIP免费

学与玩博客-Cypress固件架构彻底解析及USB枚举_第1页
1/15
学与玩博客-Cypress固件架构彻底解析及USB枚举_第2页
2/15
学与玩博客-Cypress固件架构彻底解析及USB枚举_第3页
3/15
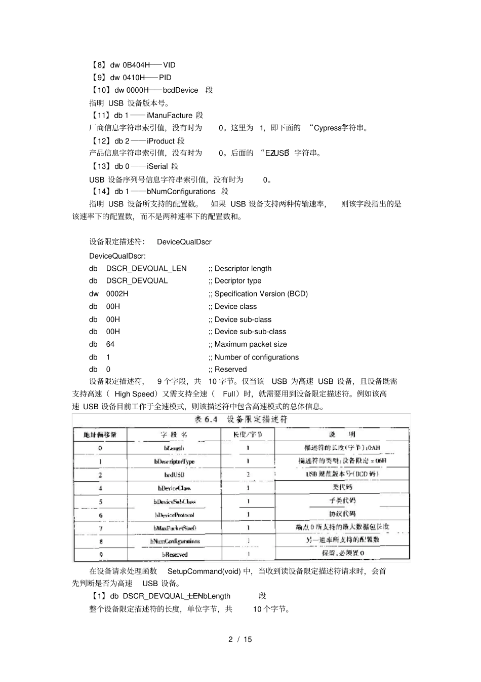
1 / 15 dscr51 里放的是 USB 描述符表, EZ-USB 在重枚举阶段会读取或设置相应的描述符:db DSCR_DEVICE_LEN ;; Descriptor length db DSCR_DEVICE ;; Decriptor type dw 0002H ;; Specification Version (BCD) db 00H ;; Device class db 00H ;; Device sub-class db 00H ;; Device sub-sub-class db 64 ;; Maximum packet size dw 0B404H ;; Vendor ID dw 0410H ;; Product ID (Sample Device) dw 0000H ;; Product version ID db 1 ;; Manufacturer string index db 2 ;; Product string index db 0 ;; Serial number string index db 1 ;; Number of configurations 【1】db DSCR_DEVICE_LEN――bLength 段指明整个设备描述符的长度,单位字节。【2】db DSCR_DEVICE――bDescriporType段描述符类型值。DSCR_DEVICE =04H--设备描述符。【3】dw 0002H――bcdUSB表明该 USB 设备所遵循的USB 协议版本,用bcd 码表示, 2 字节。例如2.0 版本,值为 0200H,用 bcd 码表示,低字节在前,高字节在后,表示为0002H ;同理, 1.1 版本,则表示为 1001H。【4】db 00H――bDeviceClass段指明 USB 设备所属的设备类。=0,表示 USB 各接口相互独立工作,分属不通的设备类,具体信息在接口描述符中说明;=1~FEH ,表明该 USB 设备属于某个明确的设备类,例如04H 代表显示设备;=FFH,厂商自定义的设备类。【5】db 00H――bDeviceSubClass段指明 USB 设备所述的设备子类。其值依赖bDeviceClass。=0,此时 bDeviceClass 必须首先为0;=1~FEH ,详细的设备子类;例如如果 bDeviceClass =04H,是显示设备,则bDeviceSubClass=01H,表示 CRT 显示器;=FFH,厂家自定义。【6】db 00H――bDevicePortcol段指明 USB 所使用的设备类协议。其值依赖bDeviceClass 和 bDeviceSubClass。=0,表示该设备不使用任何设备类协议;=1~FEH ,则该 USB 必须属于某个明确的设备类和子设备类。如视频类协议(UVC ),音频类协议( UAC )等;=FFH,厂家自定义。【7】db 64――bMaxPacketSiz e0 段指明该 USB 设备端点 0 控制传输所支持的最大数据包长度,单位字节。2 / 15 【8】dw 0B404H――VID【9】dw 0410H――PID【10】dw 0000H――bcdDevice段指明 USB 设备版本号。【11】db 1 ――iManuFactur...

1、当您付费下载文档后,您只拥有了使用权限,并不意味着购买了版权,文档只能用于自身使用,不得用于其他商业用途(如 [转卖]进行直接盈利或[编辑后售卖]进行间接盈利)。
2、本站所有内容均由合作方或网友上传,本站不对文档的完整性、权威性及其观点立场正确性做任何保证或承诺!文档内容仅供研究参考,付费前请自行鉴别。
3、如文档内容存在违规,或者侵犯商业秘密、侵犯著作权等,请点击“违规举报”。

碎片内容

学与玩博客-Cypress固件架构彻底解析及USB枚举

确认删除?
VIP
微信客服
  • 扫码咨询
会员Q群
  • 会员专属群点击这里加入QQ群
客服邮箱
回到顶部