电脑桌面
添加小米粒文库到电脑桌面
安装后可以在桌面快捷访问

钣金工艺规范及折弯机模具手册VIP免费

钣金工艺规范及折弯机模具手册_第1页
1/50
钣金工艺规范及折弯机模具手册_第2页
2/50
钣金工艺规范及折弯机模具手册_第3页
3/50
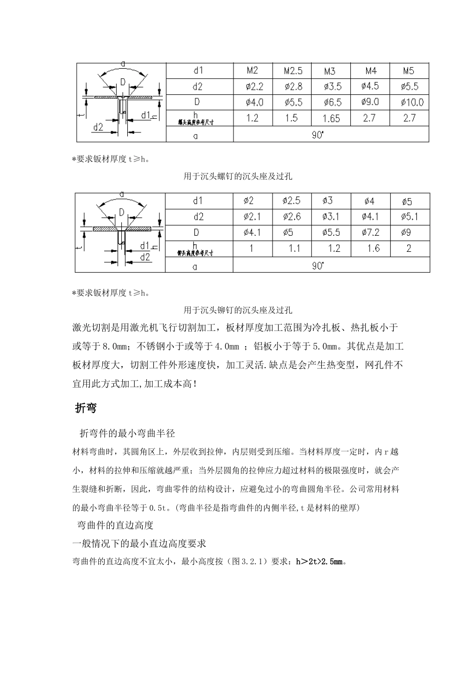
钣金工艺规范及折弯机模具手册1 简介1.1 钣金所用材料常用材料有:冷轧板 SPCC、热轧板 SPHC、电解板 SECC、普通铝板及铝合金板AL1050、AL5052-H32,不锈钢板 SUS304、覆铝锌钢板.1.2 典型钣金件加工流程图面展开---编程---下料(剪、冲、割)----冲网孔----校平----拉丝----冲凸包----压铆----折弯-----焊接----立体拉丝----表处----组装2 下料2.1 数冲是用数控冲床加工,板材厚度加工范围为:冷扎板、热扎板小于或等于 3.0mm;铝板小于或等于 4.0mm;不锈钢小于 2.0mm。2.1.1 冲孔有最小尺寸要求冲孔最小尺寸与孔的形状、材料机械性能和材料厚度有关。t 为材料厚度,冲孔尺寸一般不小于 1.5t。如遇特殊情况,可参照下表:图 2.1.1 冲孔形状示例材料圆孔最小直径 b矩形孔短边宽 b不锈钢1.3t1.0t冷扎板、热扎板1.0t0.7t铝、黄铜0.8t0.5t* t 为材料厚度,冲孔最小尺寸一般不小于 1.2mm。 冲孔最小尺寸列表2.1.2 数冲的孔间距与孔边距零件的冲孔边缘离外形的最小距离随零件与孔的形状不同有一定的限制,见图 2.1.2。当冲孔边缘与零件外形边缘不平行时,该最小距离应不小于材料厚度 t;平行时,应不小于1.5t。 图 2.1.2 冲裁件孔边距、孔间距示意图2.1.3 折弯件及拉深件不可选用数冲下料,可选用二次激光切割。2.1.4 螺钉、螺栓的过孔和沉头座螺钉、螺栓过孔和沉头座的结构尺寸按下表选取取。对于沉头螺钉的沉头座,如果板材太薄难以同时保证过孔 d2和沉孔 D,应优先保证过孔 d2。 用于螺钉、螺栓的过孔 (图1.4)*要求钣材厚度 t≥h。用于沉头螺钉的沉头座及过孔*要求钣材厚度 t≥h。用于沉头铆钉的沉头座及过孔激光切割是用激光机飞行切割加工,板材厚度加工范围为冷扎板、热扎板小于或等于 8.0mm;不锈钢小于或等于 4.0mm ;铝板小于等于 5.0mm。其优点是加工板材厚度大,切割工件外形速度快,加工灵活.缺点是会产生热变型,网孔件不宜用此方式加工,加工成本高! 折弯 折弯件的最小弯曲半径材料弯曲时,其圆角区上,外层收到拉伸,内层则受到压缩。当材料厚度一定时,内 r 越小,材料的拉伸和压缩就越严重;当外层圆角的拉伸应力超过材料的极限强度时,就会产生裂缝和折断,因此,弯曲零件的结构设计,应避免过小的弯曲圆角半径。公司常用材料的最小弯曲半径等于 0.5t。(弯曲半径是指弯曲件的内侧半径,t 是材料的壁厚) 弯曲件的直边高度一般情况下的最小直边高度要求弯曲件的直边高度不宜太小,最...

1、当您付费下载文档后,您只拥有了使用权限,并不意味着购买了版权,文档只能用于自身使用,不得用于其他商业用途(如 [转卖]进行直接盈利或[编辑后售卖]进行间接盈利)。
2、本站所有内容均由合作方或网友上传,本站不对文档的完整性、权威性及其观点立场正确性做任何保证或承诺!文档内容仅供研究参考,付费前请自行鉴别。
3、如文档内容存在违规,或者侵犯商业秘密、侵犯著作权等,请点击“违规举报”。

碎片内容

钣金工艺规范及折弯机模具手册

确认删除?
VIP
微信客服
  • 扫码咨询
会员Q群
  • 会员专属群点击这里加入QQ群
客服邮箱
回到顶部