电脑桌面
添加小米粒文库到电脑桌面
安装后可以在桌面快捷访问

钻完井工程设计(DOC40页)VIP专享VIP免费

钻完井工程设计(DOC40页)_第1页
1/40
钻完井工程设计(DOC40页)_第2页
2/40
钻完井工程设计(DOC40页)_第3页
3/40
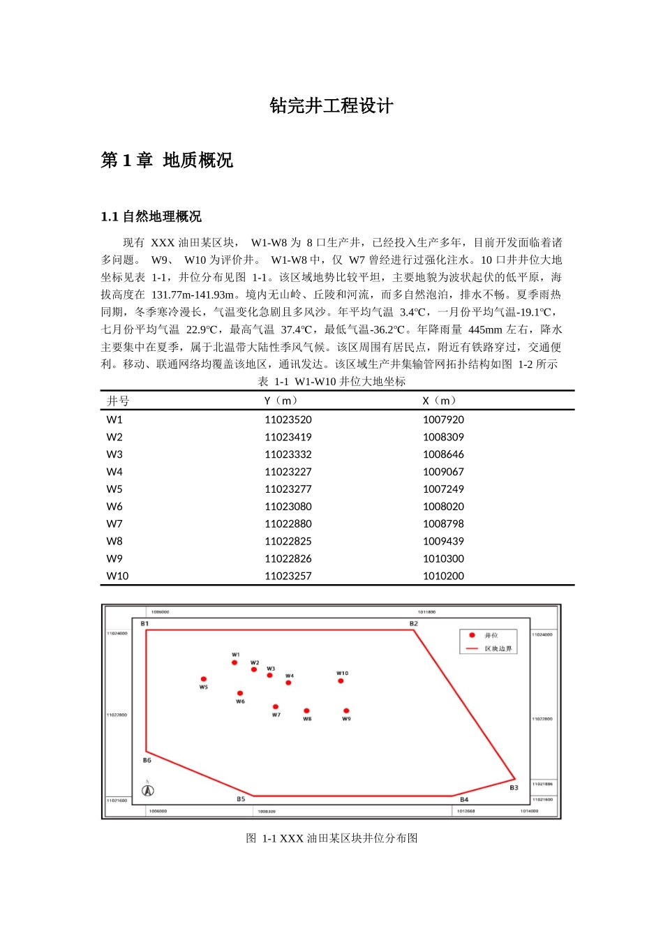
作品简介本次钻完井设计研究目标为以直井 W10 为基础钻一孔侧向水平井,且要求穿过靶点 1 和靶点 2,难点在于靶点 1、靶点 2 与直井 W10 不在一个平面内。本设计在完成设计要求的前提下提出了一套有效、安全、经济的设计方案。(1)井眼轨道设计侧井采用两段式井眼剖面轨道,绘制了井眼剖面图。(2)井身结构设计设计了满足压力约束条件的井身结构,绘制了井身结构示意图(3)钻井液设计选择了各井段钻井液体系,确定了各井段钻井液配置,针对储层性质,提出了完井液的储保护措施(4)钻柱设计钻具组合必须满足剖面设计要求,以充分提高钻井速度。(5)机械破碎参数设计适应地层特点,提高效率。(6)固井与完井设计得到各层套管固井设计结果,确定了各层套管固井施工程序。(7)HSE 要求确定了 HSE 管理体系中有关健康、安全、环保的有关要求。钻完井工程设计第 1 章 地质概况1.1 自然地理概况现有 XXX 油田某区块, W1-W8 为 8 口生产井,已经投入生产多年,目前开发面临着诸多问题。 W9、 W10 为评价井。 W1-W8 中,仅 W7 曾经进行过强化注水。10 口井井位大地坐标见表 1-1,井位分布见图 1-1。该区域地势比较平坦,主要地貌为波状起伏的低平原,海拔高度在 131.77m-141.93m。境内无山岭、丘陵和河流,而多自然泡泊,排水不畅。夏季雨热同期,冬季寒冷漫长,气温变化急剧且多风沙。年平均气温 3.4℃,一月份平均气温-19.1℃,七月份平均气温 22.9℃,最高气温 37.4℃,最低气温-36.2℃。年降雨量 445mm 左右,降水主要集中在夏季,属于北温带大陆性季风气候。该区周围有居民点,附近有铁路穿过,交通便利。移动、联通网络均覆盖该地区,通讯发达。该区域生产井集输管网拓扑结构如图 1-2 所示表 1-1 W1-W10 井位大地坐标井号Y(m)X(m)W1110235201007920W2110234191008309W3110233321008646W4110232271009067W5110232771007249W6110230801008020W7110228801008798W8110228251009439W9110228261010300W10110232571010200图 1-1 XXX 油田某区块井位分布图图 1-2 W1-W8 集输管网拓扑结构示意图1.2 区域地质概况1.2.1 地层分层本区钻遇地层自上而下划分为第四系和白垩系,缺失第三系地层。白垩系地层从上到下还可分为 A、B、C、D、E、F 六个地层详细的地层厚度及岩性岩相描述如下(自上而下) :(1)第四系地层:厚度 55-90m,主要岩性为粉砂与杂色砂砾层,河流相;(2) 白垩系 A1 ...

1、当您付费下载文档后,您只拥有了使用权限,并不意味着购买了版权,文档只能用于自身使用,不得用于其他商业用途(如 [转卖]进行直接盈利或[编辑后售卖]进行间接盈利)。
2、本站所有内容均由合作方或网友上传,本站不对文档的完整性、权威性及其观点立场正确性做任何保证或承诺!文档内容仅供研究参考,付费前请自行鉴别。
3、如文档内容存在违规,或者侵犯商业秘密、侵犯著作权等,请点击“违规举报”。

碎片内容

钻完井工程设计(DOC40页)

确认删除?
VIP
微信客服
  • 扫码咨询
会员Q群
  • 会员专属群点击这里加入QQ群
客服邮箱
回到顶部