电脑桌面
添加小米粒文库到电脑桌面
安装后可以在桌面快捷访问

金工实习指导书-鲁东大学交通学院VIP免费

金工实习指导书-鲁东大学交通学院_第1页
1/60
金工实习指导书-鲁东大学交通学院_第2页
2/60
金工实习指导书-鲁东大学交通学院_第3页
3/60
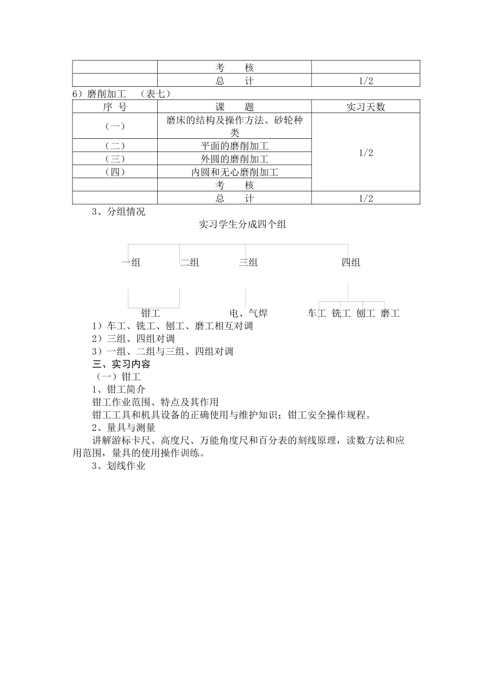
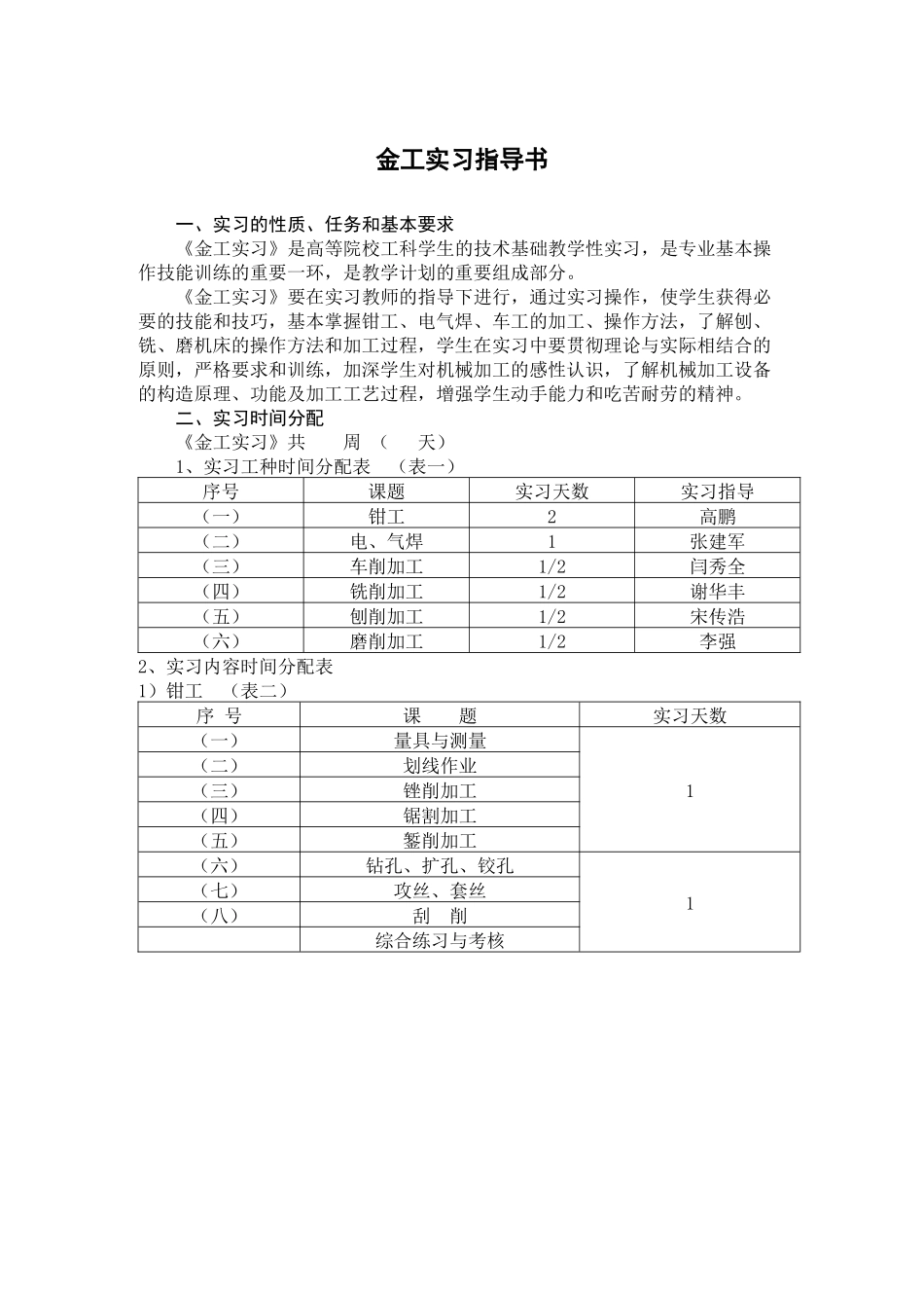
金工实习指导书一、实习的性质、任务和基本要求《金工实习》是高等院校工科学生的技术基础教学性实习,是专业基本操作技能训练的重要一环,是教学计划的重要组成部分。《金工实习》要在实习教师的指导下进行,通过实习操作,使学生获得必要的技能和技巧,基本掌握钳工、电气焊、车工的加工、操作方法,了解刨、铣、磨机床的操作方法和加工过程,学生在实习中要贯彻理论与实际相结合的原则,严格要求和训练,加深学生对机械加工的感性认识,了解机械加工设备的构造原理、功能及加工工艺过程,增强学生动手能力和吃苦耐劳的精神。二、实习时间分配《金工实习》共 周 ( 天)1、实习工种时间分配表 (表一)序号课题实习天数实习指导(一)钳工2高鹏(二)电、气焊1张建军(三)车削加工1/2闫秀全(四)铣削加工1/2谢华丰(五)刨削加工1/2宋传浩(六)磨削加工1/2李强2、实习内容时间分配表1)钳工 (表二)序 号课 题实习天数(一)量具与测量1(二)划线作业(三)锉削加工(四)锯割加工(五)錾削加工(六)钻孔、扩孔、铰孔1(七)攻丝、套丝(八)刮 削综合练习与考核总计22)电、气焊 (表三)序 号课 题实习天数(一)电弧焊对接焊接1/2搭接焊接角接焊接(二)气 焊1/2(三)气 割考 核总 计13)车削加工 (表四)序 号课 题实习天数(一)车床结构及操作方法、车刀种类1/2(二)外圆、端面的切削加工(三)内孔的钻、扩、铰、镗加工(四)锥体的切削加工(五)螺纹的切削加工考 核总 计1/24)铣削加工 (表五)序 号课 题实习天数(一)铣床结构及操作方法、铣刀种类1/2(二)平面的铣削加工(三)沟槽的铣削加工(四)其它铣削加工考 核总 计1/25)刨削加工 (表六)序 号课 题实习天数(一)刨床的结构及操作方法、刨刀刃磨1/2(二)平面的刨削加工(三)沟槽的刨削加工考 核总 计1/26)磨削加工 (表七)序 号课 题实习天数(一)磨床的结构及操作方法、砂轮种类1/2(二)平面的磨削加工(三)外圆的磨削加工(四)内圆和无心磨削加工考 核总 计1/23、分组情况实习学生分成四个组一组 二组 三组 四组 钳工 电、气焊 车工 铣工 刨工 磨工1)车工、铣工、刨工、磨工相互对调2)三组、四组对调3)一组、二组与三组、四组对调三、实习内容(一)钳工1、钳工简介钳工作业范围、特点及其作用钳工工具和机具设备的正确使用与维护知识;钳工安全操作规程。2、量具与测量讲解游标卡尺、高度尺、万能...

1、当您付费下载文档后,您只拥有了使用权限,并不意味着购买了版权,文档只能用于自身使用,不得用于其他商业用途(如 [转卖]进行直接盈利或[编辑后售卖]进行间接盈利)。
2、本站所有内容均由合作方或网友上传,本站不对文档的完整性、权威性及其观点立场正确性做任何保证或承诺!文档内容仅供研究参考,付费前请自行鉴别。
3、如文档内容存在违规,或者侵犯商业秘密、侵犯著作权等,请点击“违规举报”。

碎片内容

金工实习指导书-鲁东大学交通学院

确认删除?
VIP
微信客服
  • 扫码咨询
会员Q群
  • 会员专属群点击这里加入QQ群
客服邮箱
回到顶部