电脑桌面
添加小米粒文库到电脑桌面
安装后可以在桌面快捷访问

材料的等离子弧焊接(doc 7)VIP免费

材料的等离子弧焊接(doc 7)_第1页
1/5
材料的等离子弧焊接(doc 7)_第2页
2/5
材料的等离子弧焊接(doc 7)_第3页
3/5
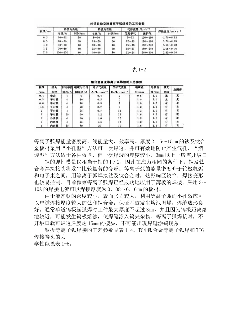
材料的等离子弧焊接索引:穿孔型等离子弧焊接最适于焊接厚度 3~8mm 不锈钢、厚度 12mm 以下钛合金、板厚 2~6mm 低碳或低合金结构钢以及铜、黄铜、镍及镍合金的对接焊缝。这一厚度范围内可不开坡口,不加填充金属,不用衬垫的条件下实现单面焊双面成形。厚度大于上述范围时可采用 V 形坡口多层焊。关键词: 高温合金, 铝及铝合金, 钛及钛合金, 银与铂, 等离子弧焊接 穿孔型等离子弧焊接最适于焊接厚度 3~8mm 不锈钢、厚度 12mm 以下钛合金、板厚2~6mm 低碳或低合金结构钢以及铜、黄铜、镍及镍合金的对接焊缝。这一厚度范围内可不 开坡口,不加填充金属,不用衬垫的条件下实现单面焊双面成形。厚度大于上述范围时可采 用 V 形坡口多层焊。 1.高温合金的等离子弧焊接 用等离子弧焊焊接固溶强化和 Al、Ti 含量较低的时效强化高温合金时,可以填充焊丝也可以不加焊丝,均可以获得良好质量的焊缝。一般厚板采用小孔型等离子弧焊,薄板采用熔透型等离子弧焊,箔材用微束等离子弧焊。焊接电源采用陡降外特性的直流正极性,高频引弧,焊枪的加工和装配要求精度较高,并有很高的同心度。等离子气流和焊接电流均要求能递增和衰减控制。 焊接时,采用氩和氩中加适量氢气作为保护气体和等离子气体,加入氢气可以使电弧功率增加,提高焊接速度。氢气加入量一般在 5%左右,要求不大于 15%。焊接时是否采用填充焊丝根据需要确定。选用填充焊丝的牌号与钨极惰性气体保护焊的选用原则相同。 高温合金等离子弧焊的工艺参数与焊接奥氏体不锈钢的基本相同,应注意控制焊接热输入。镍基高温合金小孔法自动等离子弧焊的工艺参数见表 1-1。在焊接过程中应控制焊接速度,速度过快会产生气孔,还应注意电极与压缩喷嘴的同心度。高温合金等离子弧焊接接头力学性能较高,接头强度系数一般大于 90%。 下表列出了高温合金小孔法自动等离子弧焊接的工艺参数。等离子弧是以钨极作为电极,等离子弧为热源的熔焊方法。焊接铝合金时,采用直流反接或交流。铝及铝合金交流等离子弧焊接多采用矩形波交流焊接电源,用氩气作为等离子气和保护气体。对于纯铝、防锈铝,采用等离子弧焊,焊接性良好;硬铝的等离子弧焊接性尚可。 为了获得高质量的焊缝应注意以下几点。 a.焊前要加强对焊件、焊丝的清理,防止氢溶人产生气孔,还应加强对焊缝和焊丝的保护。 b.交流等离子弧焊的许用等离子气流量较小,流量稍大,等离子弧的吹力过大,铝的液态金...

1、当您付费下载文档后,您只拥有了使用权限,并不意味着购买了版权,文档只能用于自身使用,不得用于其他商业用途(如 [转卖]进行直接盈利或[编辑后售卖]进行间接盈利)。
2、本站所有内容均由合作方或网友上传,本站不对文档的完整性、权威性及其观点立场正确性做任何保证或承诺!文档内容仅供研究参考,付费前请自行鉴别。
3、如文档内容存在违规,或者侵犯商业秘密、侵犯著作权等,请点击“违规举报”。

碎片内容

材料的等离子弧焊接(doc 7)

您可能关注的文档

确认删除?
VIP
微信客服
  • 扫码咨询
会员Q群
  • 会员专属群点击这里加入QQ群
客服邮箱
回到顶部