电脑桌面
添加小米粒文库到电脑桌面
安装后可以在桌面快捷访问

机械制造技术基础试卷VIP免费

机械制造技术基础试卷_第1页
1/6
机械制造技术基础试卷_第2页
2/6
机械制造技术基础试卷_第3页
3/6
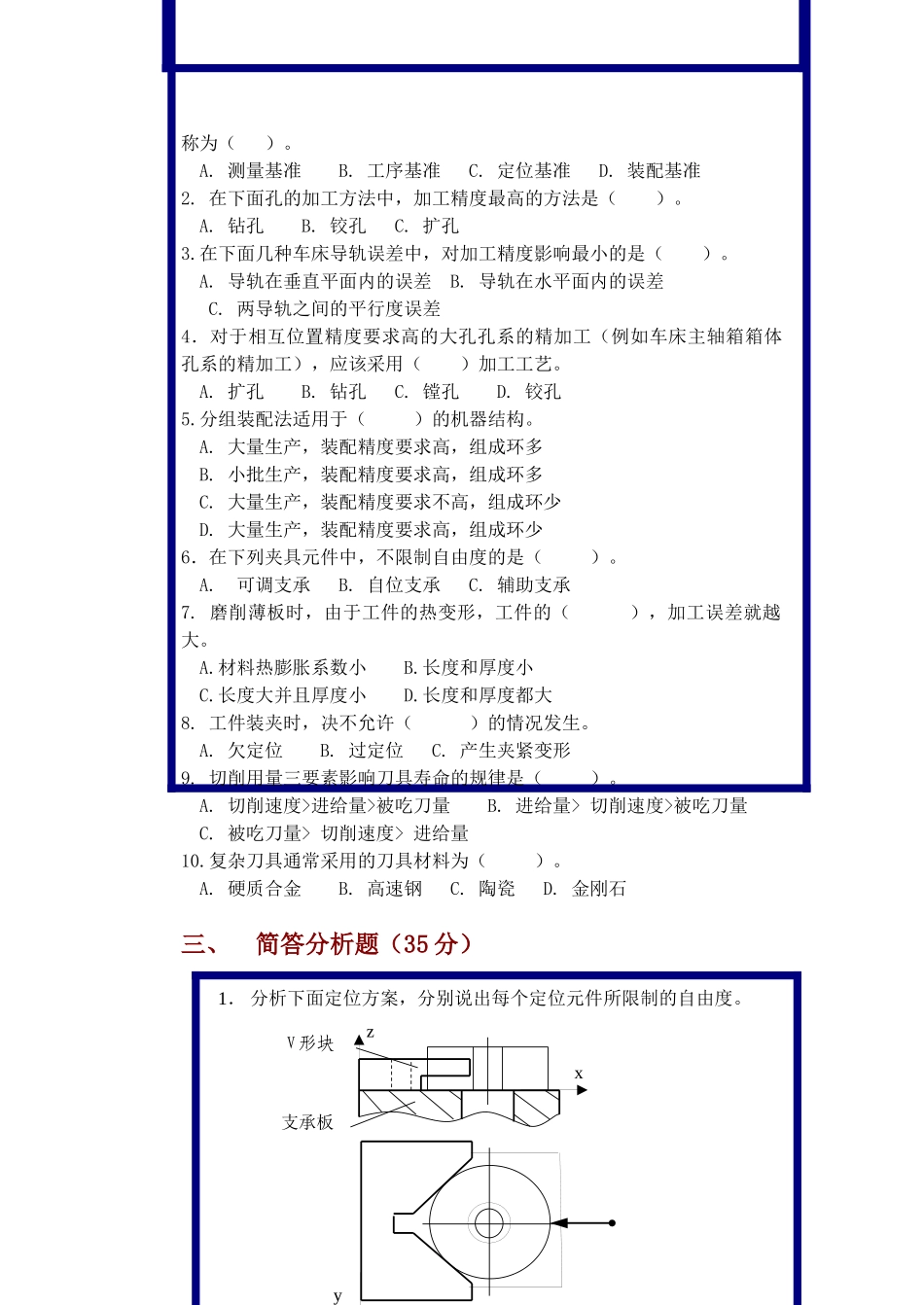
生命是永恒不断的创造,因为在它内部蕴含着过剩的精力,它不断流溢,越出时间和空间的界限,它不停地追求,以形形色色的自我表现的形式表现出来。--泰戈尔《机械制造技术基础》试卷 一二三四总分一、填空(10 分)1. 一个工人或一组工人,在一个工作地对同一工件或同时对几个工件所连续完成的那一部分工艺过程,称为( )。 2. 切屑的类型分为( )、( )、( )、( )四种类型。3. 刀具前角增大,切屑变形( ),切削力( ),切削温度( )。4. 对于外圆表面,粗加工可以采用( )的加工方法,精加工可以采用 ( )或( )的加工方法。5. 选择定位基准时,从保证工件重要表面加工余量均匀考虑,应选择工件上重要表面作为( )基准。6.零件的加工一般要经过( )、( )、( )等三个加工阶段。如果零件的精度和表面质量要求更高,还要经过( )加工阶段。7.对于小直径孔的精加工,较为经济的加工方法是( )。 8. 缩 短 基 本 时 间 能 提 高 生 产 率 , 可 以 采 用 的 工 艺 途 径 有 ( )、( )、( )。二、选择(单选题,10 分)1.在工序图上用来确定本工序加工表面尺寸、形状和位置所依据的基准,―――――――― 装订线 ――――――――姓名 班级 学号 专业V 形块支承板zxy称为( )。A. 测量基准 B. 工序基准 C. 定位基准 D. 装配基准2. 在下面孔的加工方法中,加工精度最高的方法是( )。A. 钻孔 B. 铰孔 C. 扩孔3.在下面几种车床导轨误差中,对加工精度影响最小的是( )。A. 导轨在垂直平面内的误差 B. 导轨在水平面内的误差 C. 两导轨之间的平行度误差4.对于相互位置精度要求高的大孔孔系的精加工(例如车床主轴箱箱体孔系的精加工),应该采用( )加工工艺。A. 扩孔 B. 钻孔 C. 镗孔 D. 铰孔5.分组装配法适用于( )的机器结构。A. 大量生产,装配精度要求高,组成环多 B. 小批生产,装配精度要求高,组成环多 C. 大量生产,装配精度要求不高,组成环少 D. 大量生产,装配精度要求高,组成环少6.在下列夹具元件中,不限制自由度的是( )。A. 可调支承 B. 自位支承 C. 辅助支承7. 磨削薄板时,由于工件的热变形,工件的( ),加工误差就越大。A.材料热膨胀系数小 B.长度和厚度小 C.长度大并且厚度小 D.长度和厚度都大8. 工件装夹时,决不允许( )的情况发生。A. 欠定位 B. 过定位 C. 产生夹...

1、当您付费下载文档后,您只拥有了使用权限,并不意味着购买了版权,文档只能用于自身使用,不得用于其他商业用途(如 [转卖]进行直接盈利或[编辑后售卖]进行间接盈利)。
2、本站所有内容均由合作方或网友上传,本站不对文档的完整性、权威性及其观点立场正确性做任何保证或承诺!文档内容仅供研究参考,付费前请自行鉴别。
3、如文档内容存在违规,或者侵犯商业秘密、侵犯著作权等,请点击“违规举报”。

碎片内容

机械制造技术基础试卷

墨香书阁+ 关注
实名认证
内容提供者

热爱教学事业,对互联网知识分享很感兴趣

确认删除?
VIP
微信客服
  • 扫码咨询
会员Q群
  • 会员专属群点击这里加入QQ群
客服邮箱
回到顶部