电脑桌面
添加小米粒文库到电脑桌面
安装后可以在桌面快捷访问

某啤酒企业质量管理岗位说明书.VIP免费

某啤酒企业质量管理岗位说明书._第1页
1/4
某啤酒企业质量管理岗位说明书._第2页
2/4
某啤酒企业质量管理岗位说明书._第3页
3/4
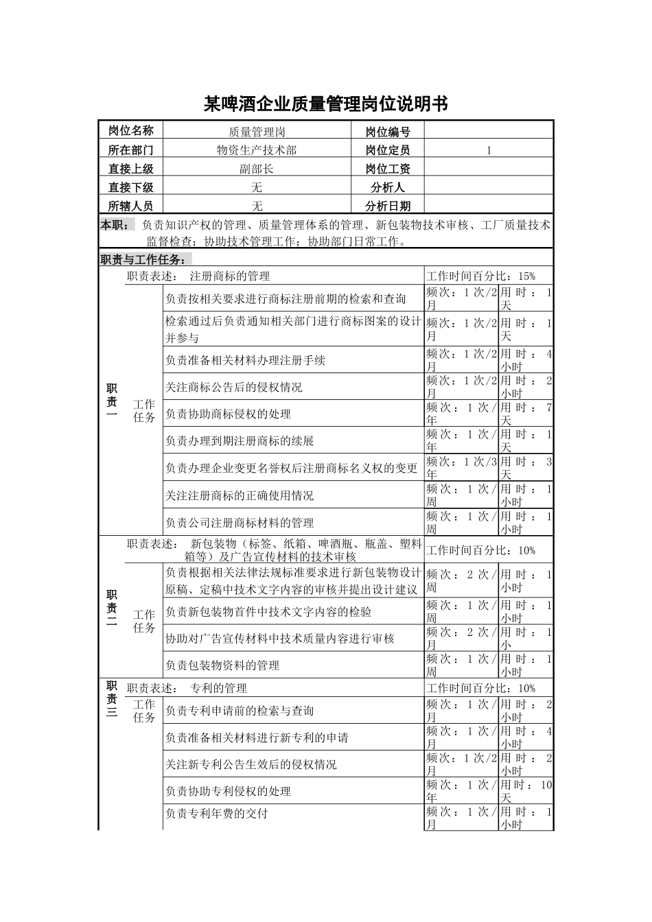
某啤酒企业质量管理岗位说明书岗位名称质量管理岗岗位编号所在部门物资生产技术部岗位定员1直接上级副部长岗位工资直接下级无分析人所辖人员无分析日期本职: 负责知识产权的管理、质量管理体系的管理、新包装物技术审核、工厂质量技术监督检查;协助技术管理工作;协助部门日常工作。职责与工作任务:职责一职责表述: 注册商标的管理工作时间百分比:15%工作任务负责按相关要求进行商标注册前期的检索和查询频次:1 次/2月 用 时 : 1天检索通过后负责通知相关部门进行商标图案的设计并参与频次:1 次/2月 用 时 : 1天负责准备相关材料办理注册手续频次:1 次/2月 用 时 : 4小时关注商标公告后的侵权情况 频次:1 次/2月用 时 : 2小时负责协助商标侵权的处理频 次 : 1 次 /年用 时 : 7天负责办理到期注册商标的续展频 次 : 1 次 /年用 时 : 1天负责办理企业变更名誉权后注册商标名义权的变更 频次:1 次/3年用 时 : 3天关注注册商标的正确使用情况频 次 : 1 次 /周用 时 : 1小时负责公司注册商标材料的管理频 次 : 1 次 /周 用 时 : 1小时职责二职责表述: 新包装物(标签、纸箱、啤酒瓶、瓶盖、塑料箱等)及广告宣传材料的技术审核工作时间百分比:10%工作任务负责根据相关法律法规标准要求进行新包装物设计原稿、定稿中技术文字内容的审核并提出设计建议频 次 : 2 次 /周 用 时 : 1小时 负责新包装物首件中技术文字内容的检验频 次 : 1 次 /周用 时 : 1小时协助对广告宣传材料中技术质量内容进行审核频 次 : 2 次 /月用 时 : 1小负责包装物资料的管理频 次 : 1 次 /周 用 时 : 1小时职责三职责表述: 专利的管理工作时间百分比:10%工作任务 负责专利申请前的检索与查询频 次 : 1 次 /月用 时 : 2小时负责准备相关材料进行新专利的申请频 次 : 1 次 /月用 时 : 4小时关注新专利公告生效后的侵权情况频次:1 次/2月 用 时 : 2小时负责协助专利侵权的处理频 次 : 1 次 /年用 时 : 10天负责专利年费的交付频 次 : 1 次 /月用 时 : 1小时负责公司专利材料的管理频 次 : 1 次 /周用 时 : 1小时职责四职责表述: 条码的管理工作时间百分比:5%工作任务负责按要求对申请的条码进行编码和选型频 次 : 1 次 /季度 用 时 : 2小时负责新条码的申请办理频 ...

1、当您付费下载文档后,您只拥有了使用权限,并不意味着购买了版权,文档只能用于自身使用,不得用于其他商业用途(如 [转卖]进行直接盈利或[编辑后售卖]进行间接盈利)。
2、本站所有内容均由合作方或网友上传,本站不对文档的完整性、权威性及其观点立场正确性做任何保证或承诺!文档内容仅供研究参考,付费前请自行鉴别。
3、如文档内容存在违规,或者侵犯商业秘密、侵犯著作权等,请点击“违规举报”。

碎片内容

某啤酒企业质量管理岗位说明书.

墨香书阁+ 关注
实名认证
内容提供者

热爱教学事业,对互联网知识分享很感兴趣

确认删除?
VIP
微信客服
  • 扫码咨询
会员Q群
  • 会员专属群点击这里加入QQ群
客服邮箱
回到顶部