电脑桌面
添加小米粒文库到电脑桌面
安装后可以在桌面快捷访问

汽车覆盖件模具设计CAM标准概述VIP免费

汽车覆盖件模具设计CAM标准概述_第1页
1/83
汽车覆盖件模具设计CAM标准概述_第2页
2/83
汽车覆盖件模具设计CAM标准概述_第3页
3/83
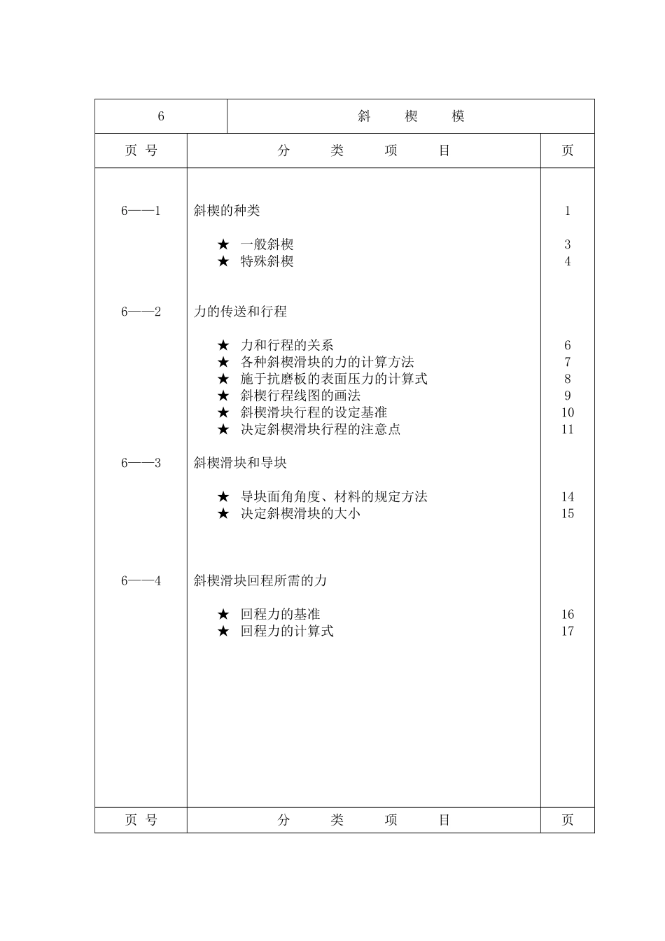
6斜 楔 模 页 号分 类 项 目页6——16——26——36——4斜楔的种类★ 一般斜楔★ 特殊斜楔力的传送和行程★ 力和行程的关系★ 各种斜楔滑块的力的计算方法★ 施于抗磨板的表面压力的计算式★ 斜楔行程线图的画法★ 斜楔滑块行程的设定基准★ 决定斜楔滑块行程的注意点斜楔滑块和导块★ 导块面角角度、材料的规定方法★ 决定斜楔滑块的大小斜楔滑块回程所需的力★ 回程力的基准★ 回程力的计算式1346789101114151617页 号分 类 项 目页6——56——66——76——8斜楔滑块回程方式★ 选择标准★ 靠弹簧回程★ 靠气缸回程★ 正相回程冲头★ 产品的承受面和推力垫★ 镶块★ 产生直角的垫块凹模★ 凹模的分块和安装方法废屑的处理★ 修边废屑的处理★ 切屑废屑的处理★ 冲孔废屑的处理1819293133343637384041页 号分 类 项 目页6——96——106——116——126——13顶出器★ 注意事项导块与挡块★ 导块的形状和个数★ 导块、挡块的使用条件斜楔滑块的导轨★ 导轨周围的标准形状★ 平面抗磨机的安装★ 安装螺栓的注意事项因斜楔引起的孔的变换★ 变换方式移动式定位块★ 一般事项4549505154555657页 号分 类 项 目页6——146——156——166——176——18打料器★ 一般事项斜楔滑块挡块★ 一般事项组合式斜楔★ 行程与定时★ 导块面和材料★ 组合斜楔回程方式★ 强度★ 壁厚的设计标准★ 机加工的注意事项★ 正相回程的必要性连续式斜楔★ 一般事项倾斜隔板★ 一般事项5961636465676769707173页 号分 类 项 目页6——196——20斜楔的标准尺寸★ 平面尺寸计算式★ 截面尺寸的计算式★ 变薄拉深、翻边的连续式斜楔的尺寸计算式斜楔模的结构★ 参考图7475767716——1斜 楔 的 种 类 一般斜楔 (1)①水平斜楔 一般的斜楔都是这种水平斜楔,生产方式为倾斜零件垂直方向上加工。(与嵌入式相比,产品稳定性好,操作性好,但结构复杂,模具费用高,翻边工艺等,取件时需要一定的诀窍。)②倾斜斜楔 在水平斜楔,不能加工时用。26——1斜 楔 的 种 类 一般斜楔 (2)③连续式斜楔( fliying ) 加工方向倾斜太大,普通倾料斜楔无法加工时用。操作性好,另外适合多工位规格。但刀具的对合困难,所以不适合切边加工。④组合式斜楔 在取零件时,可不使用活动式 gauge,打料棒,移动加工部位的冲头即可取边零件。但要注意,组合式冲头的强度,动作同步,零件定位。36——1斜 楔...

1、当您付费下载文档后,您只拥有了使用权限,并不意味着购买了版权,文档只能用于自身使用,不得用于其他商业用途(如 [转卖]进行直接盈利或[编辑后售卖]进行间接盈利)。
2、本站所有内容均由合作方或网友上传,本站不对文档的完整性、权威性及其观点立场正确性做任何保证或承诺!文档内容仅供研究参考,付费前请自行鉴别。
3、如文档内容存在违规,或者侵犯商业秘密、侵犯著作权等,请点击“违规举报”。

碎片内容

汽车覆盖件模具设计CAM标准概述

您可能关注的文档

确认删除?
VIP
微信客服
  • 扫码咨询
会员Q群
  • 会员专属群点击这里加入QQ群
客服邮箱
回到顶部