电脑桌面
添加小米粒文库到电脑桌面
安装后可以在桌面快捷访问

滑动导轨系列立式数控铣床VIP免费

滑动导轨系列立式数控铣床_第1页
1/16
滑动导轨系列立式数控铣床_第2页
2/16
滑动导轨系列立式数控铣床_第3页
3/16
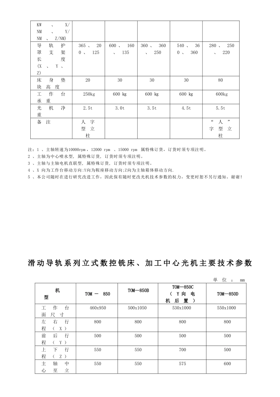
滑 动 导 轨 系 列 立 式 数 控 铣 床 、 加 工 中 心 光 机 主 要 技 术 参 数单位:mm机 型TOM-545(电机后置)TOM -600ATOM -650TOM -750TOM—750C (Y 向电机后置)工作台面尺寸620x380405x1370420x800450x900500x900左右行程(X )500900650750750前后行程(Y )400500400450500上下行程(Z )500550480500700主轴中心至立柱导轨距离450515480520575主轴端面至工作台面距离35-53580-63080-560180 -680110x810工作台T型槽( 数目-尺寸x 间距)3-16*1105 -16*603 -18*1353 -18*1505-18*100主轴锥孔(型号/安装尺寸)BT30/ ¢120BT40/ ¢150BT40/ ¢150BT40/ ¢150BT40/ ¢150主轴转速(rpm )80008000800080008000X·Y轴滚珠丝杆规格32053205320640104010Z 轴滚珠丝杆规格32053205320640104010X·Y·Z电机联接方式直联皮带传动直联直联直联推荐选用电机参数( 主电机/3.5 、6、6 、65.5 、6、6 、65.5 、8、10、105.5-7.5 、10、12、125.5-7.5 、10、12、12KW、X/NM、Y/NM、Z/NM)导轨护罩支架长度(X、Y 、Z)365 、200 、125600 、160、135360 、360、250540 、360 、360280 、250、220床身垫块高度2030303080工作台承重250kg600 ㎏600 ㎏600 ㎏600kg光机净重2.5t3.0t3.5t4.5t5.5t备注人字型立柱“人”字型立柱注:1 、主轴转速为10000rpm ,12000 rpm、15000 rpm属特殊订货,订货时须专项注明。2 、主轴为中心喷水型, 属特殊订货, 订货时须专项注明。3 、主轴与主轴电机直联型, 属特殊订货, 订货时须专项注明。4 、X 向为工作台移动方向:Y向为鞍座移动方向;Z向为主轴箱体移动方向.5 、本公司随时在进行研究改进工作,因此保有随时更改光机技术参数的权力,变更时恕不另行通知。谢谢!滑 动 导 轨 系 列 立 式 数 控 铣 床 、 加 工 中 心 光 机 主 要 技 术 参 数单位:mm机 型TOM -850TOM—850BTOM—850C(Y 向电机后置)TOM—850D工作台面尺寸460x950500x1050530x1000550x1000左右行程(X )800800800800前后行程(Y )500500500500上下行程(Z )550550700500主轴中心至立550550575600柱导轨距离主轴端面至工作台面距离105-655105-655110-810160-660工作台T型槽( 数目-尺寸* 间距)3-18*1503-18*1505-18*1005-18*100主轴锥孔(型号/安装尺寸)BT40/ ¢150BT40/ ¢150BT40/ ¢150BT40/ ¢150主轴转速(rpm )800080...

1、当您付费下载文档后,您只拥有了使用权限,并不意味着购买了版权,文档只能用于自身使用,不得用于其他商业用途(如 [转卖]进行直接盈利或[编辑后售卖]进行间接盈利)。
2、本站所有内容均由合作方或网友上传,本站不对文档的完整性、权威性及其观点立场正确性做任何保证或承诺!文档内容仅供研究参考,付费前请自行鉴别。
3、如文档内容存在违规,或者侵犯商业秘密、侵犯著作权等,请点击“违规举报”。

碎片内容

滑动导轨系列立式数控铣床

您可能关注的文档

确认删除?
VIP
微信客服
  • 扫码咨询
会员Q群
  • 会员专属群点击这里加入QQ群
客服邮箱
回到顶部