电脑桌面
添加小米粒文库到电脑桌面
安装后可以在桌面快捷访问

10第九章燃气工程计价定额及应用VIP免费

10第九章燃气工程计价定额及应用_第1页
1/23
10第九章燃气工程计价定额及应用_第2页
2/23
10第九章燃气工程计价定额及应用_第3页
3/23
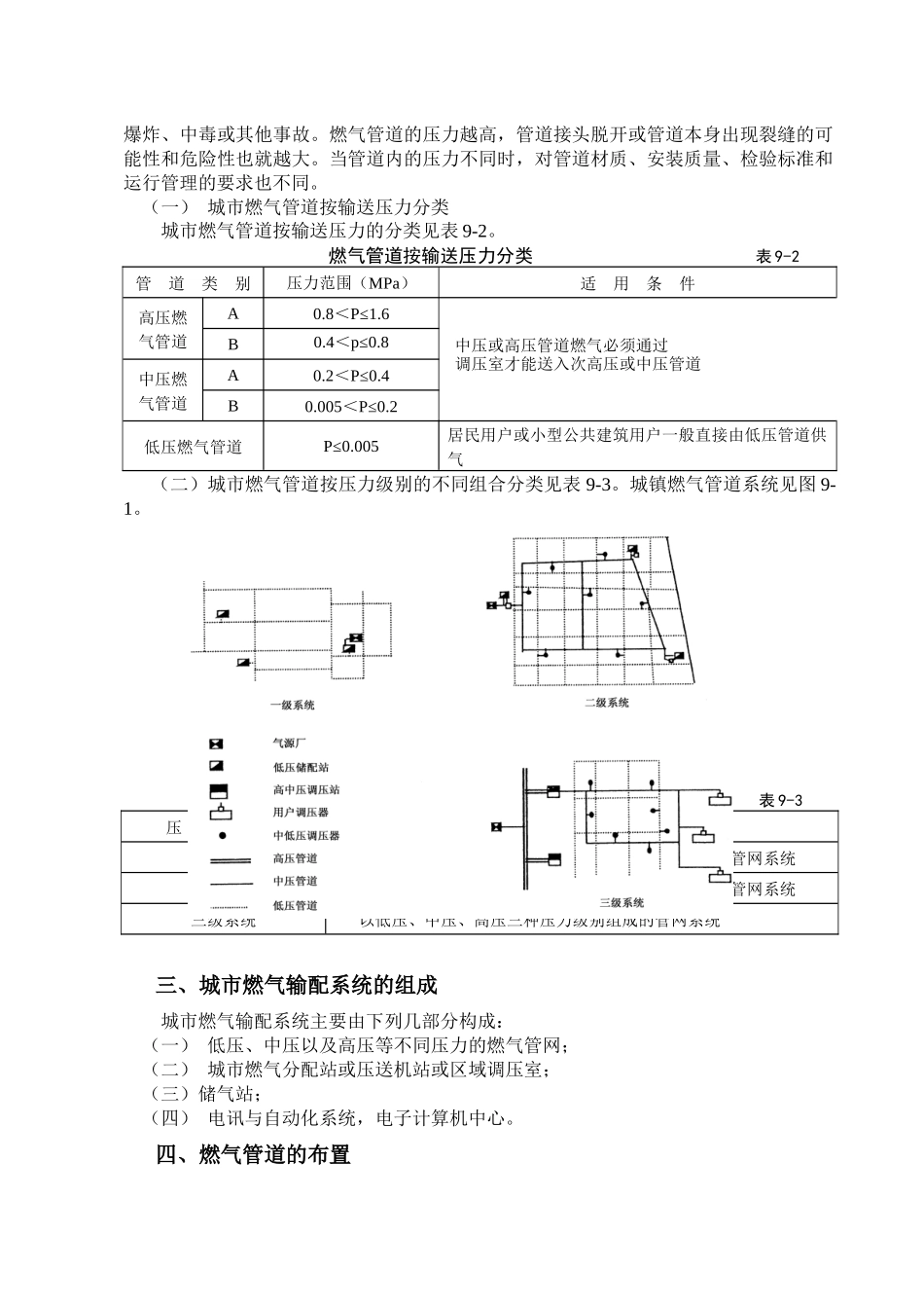
第九章 燃气工程计价定额第一节 燃气工程基础知识一、 燃气的分类燃气是指所有天然的、人工的气体燃料。工业与民用燃气的组成中包括可燃气体、少量的惰性气体和混杂气体。可燃气体由各种碳氢化合物、氢气和一氧化碳等组成,惰性气体有氮及其他不活泼气体,混杂气体有水蒸气、二氧化碳、氮气、氰化氢和硫化氢等。燃气的分类见表 9-1。燃气的分类 表 9-1燃气类别种类来源主要成分用 途天然气气田气从气井开采出来甲烷是优质燃料气,是理想的城市气源石油气伴随石油一起开采出来凝析气田气石油轻质分馏而得矿井气从井下煤层抽出人工燃气干馏煤气是利用焦炉、碳化炉和立箱炉对煤进行干馏所获得的煤气甲烷、氢城市燃气的重要气源之一气化煤气煤在高温下与气化剂反应所生成的燃气一氧化碳 含量较高不能单独作为城市燃气的气源,多用于加热焦炉和连续式立式碳化炉,以顶替热值较高的干馏煤气,从而增加城市供气量油煤气石油系原料经热加工而制成的煤气总称,用重油制取可作城市燃气的基本气源和调度气源高炉煤气炼铁时的副产气一 氧 化碳、氮在冶金工业中用作焦炉的一部分燃料液化石油气主 要 从 炼 油 厂 催化、裂化气气体中提取的丙烷、丙烯 、 丁烷、丁烯在常温和常压下呈气态,当加压或冷却后很容易气化,从气态转变为液态,体积约缩小 250 倍。二、城市燃气管道的分类同其他管道相比,燃气管道的气密性有特别严格的要求,因为漏气可以导致火灾、爆炸、中毒或其他事故。燃气管道的压力越高,管道接头脱开或管道本身出现裂缝的可能性和危险性也就越大。当管道内的压力不同时,对管道材质、安装质量、检验标准和运行管理的要求也不同。(一) 城市燃气管道按输送压力分类城市燃气管道按输送压力的分类见表 9-2。燃气管道按输送压力分类 表 9-2管 道 类 别压力范围(MPa)适 用 条 件高压燃气管道A0.8<P≤1.6B0.4<p≤0.8中压燃气管道A0.2<P≤0.4B0.005<P≤0.2低压燃气管道P≤0.005居民用户或小型公共建筑用户一般直接由低压管道供气(二)城市燃气管道按压力级别的不同组合分类见表 9-3。城镇燃气管道系统见图 9-1。图 9-1 城镇燃气管道系统示意图 城市燃气管道按压力级别的不同组合分类 表 9-3压 力 级 别组 合 形 式一级系统仅由低压或中压一种级别的管网分配和供给燃气的管网系统二级系统以中—低压或高—低压两种压力级别的管网组成的管网系统三级系统以低压、中压、高压三种压力级别组成的管网系统...

1、当您付费下载文档后,您只拥有了使用权限,并不意味着购买了版权,文档只能用于自身使用,不得用于其他商业用途(如 [转卖]进行直接盈利或[编辑后售卖]进行间接盈利)。
2、本站所有内容均由合作方或网友上传,本站不对文档的完整性、权威性及其观点立场正确性做任何保证或承诺!文档内容仅供研究参考,付费前请自行鉴别。
3、如文档内容存在违规,或者侵犯商业秘密、侵犯著作权等,请点击“违规举报”。

碎片内容

10第九章燃气工程计价定额及应用

书海行舟+ 关注
实名认证
内容提供者

热爱教学事业,对互联网知识分享很感兴趣

相关文档

确认删除?
VIP
微信客服
  • 扫码咨询
会员Q群
  • 会员专属群点击这里加入QQ群
客服邮箱
回到顶部