电脑桌面
添加小米粒文库到电脑桌面
安装后可以在桌面快捷访问

公司品管部的岗位规范VIP免费

公司品管部的岗位规范_第1页
1/27
公司品管部的岗位规范_第2页
2/27
公司品管部的岗位规范_第3页
3/27
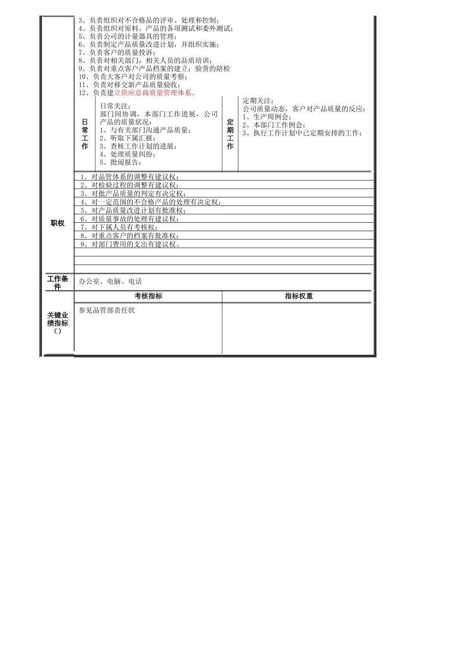
品管部岗位规范(品管部经理)岗位规范基本情况职位名称品管部经理职位编号所属部门品管部薪金级别直接上级生产总监直接下属品管副经理,供应商管理主管、测试中心主任设置目标职责1、负责公司品管体系的规划;分厂检验员工作的查核;2、负责原料、成品的质量检验;3、负责组织对不合格品的评审、处理和控制;4、负责组织对原料、产品的各项测试和委外测试;5、负责公司的计量器具的管理;6、负责制定产品质量改进计划,并组织实施;7、负责客户的质量投诉;8、负责对相关部门,相关人员的品质培训;9、负责对重点客户产品档案的建立;验货的陪检10、负责大客户对公司的质量考察;11、负责对移交新产品质量验收;12、负责建立供应总商质量管理体系。日常工作日常关注:部门间协调,本部门工作进展,公司产品的质量状况:1、与有关部门沟通产品质量;2、听取下属汇报;3、查核工作计划的进展;4、处理质量纠纷;5、批阅报告;定期工作定期关注:公司质量动态,客户对产品质量的反应:1、生产周例会;2、本部门工作例会;3、执行工作计划中已定期安排的工作;职权1、对品管体系的调整有建议权;2、对检验过程的调整有建议权;3、对批产品质量的判定有决定权;4、对一定范围的不合格产品的处理有决定权;5、对产品质量改进计划有批准权;6、对质量事故的处理有建议权;7、对下属人员有考核权;8、对重点客户的档案有批准权;9、对部门费用的支出有建议权。工作条件办公室、电脑、电话关键业绩指标()考核指标指标权重参见品管部责任状工作关系内部工作关系汇报定期向直接上级提交产品质量状况,工作计划,总结;不定期向直接上级提交产品质量问题及改进工作;不定期向直接上级进行口头工作的汇报;督导定期审阅下级人员提交的产品检测报告、质量改进计划书;协调与分厂、生产部、采购部、业务部就产品质量事项进行沟通;外部工作关系不定期与客户就产品质量问题进行磋商;不定期与供应商就产品质量问题进行磋商;任职资格学历本科专业机械、化工年龄25~45 岁性别不限性格开朗,富有责任心工作经验5 年以上质量管理方面的经验;2 年以上公司中层管理经验;岗位所需知识 熟悉 9000 质量管理体系;熟悉机械、化工方面的知识;掌握丰富的质量管理知识;岗位技能要求良好的组织协调能力和沟通能力岗位技能培训要求科目名称课时数熟练操作电脑产品知识2 周掌握基本英语阅读和会话能力;管理沟通技巧半天职前培训新员工入职培训产品知识培训职业发展...

1、当您付费下载文档后,您只拥有了使用权限,并不意味着购买了版权,文档只能用于自身使用,不得用于其他商业用途(如 [转卖]进行直接盈利或[编辑后售卖]进行间接盈利)。
2、本站所有内容均由合作方或网友上传,本站不对文档的完整性、权威性及其观点立场正确性做任何保证或承诺!文档内容仅供研究参考,付费前请自行鉴别。
3、如文档内容存在违规,或者侵犯商业秘密、侵犯著作权等,请点击“违规举报”。

碎片内容

公司品管部的岗位规范

您可能关注的文档

确认删除?
VIP
微信客服
  • 扫码咨询
会员Q群
  • 会员专属群点击这里加入QQ群
客服邮箱
回到顶部