电脑桌面
添加小米粒文库到电脑桌面
安装后可以在桌面快捷访问

机械制造工艺习题1VIP专享VIP免费

机械制造工艺习题1_第1页
1/16
机械制造工艺习题1_第2页
2/16
机械制造工艺习题1_第3页
3/16
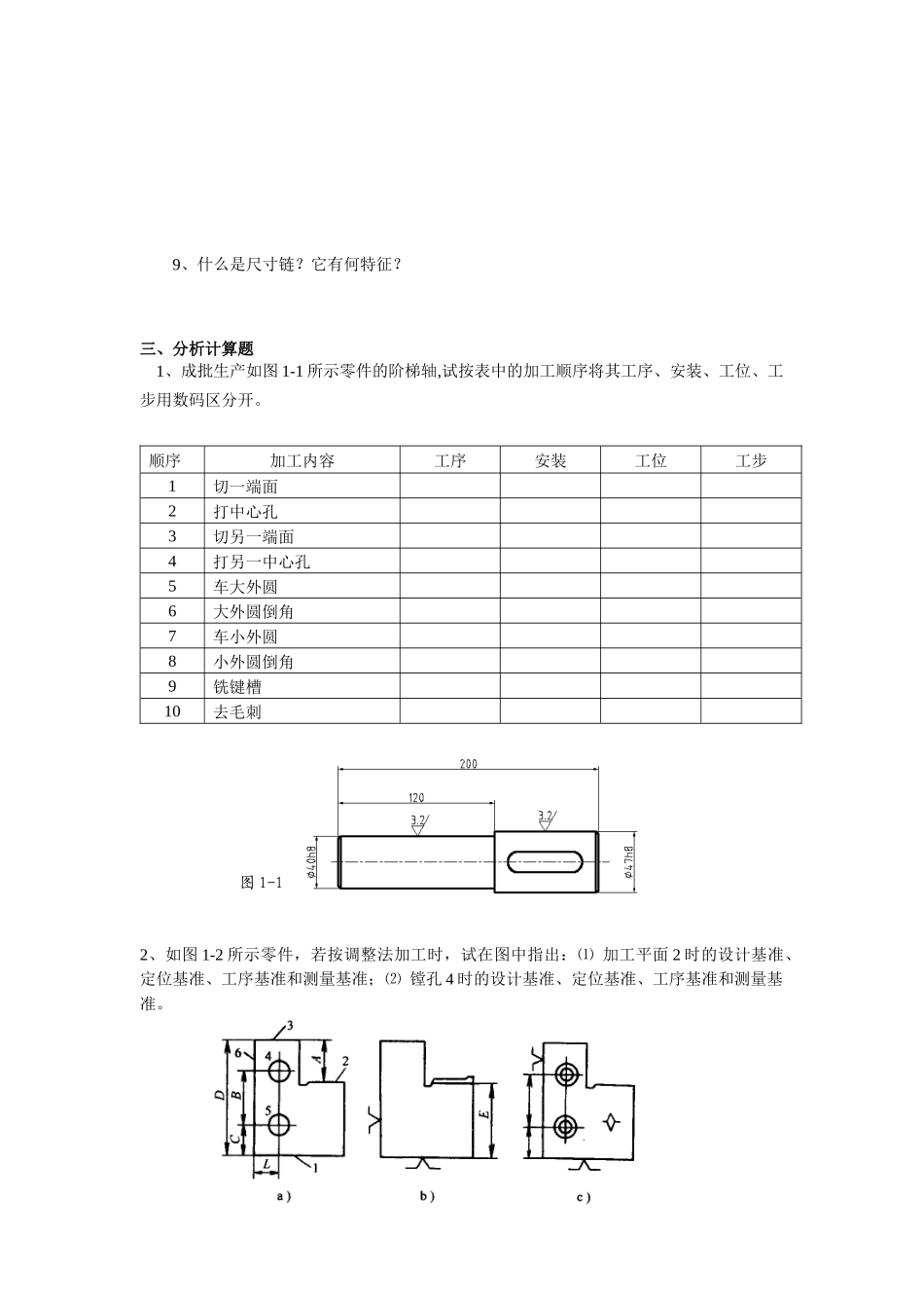
习题一(第一章 机械加工工艺规程的制定-1)一、填空题1、生产过程包括: 、 、 、 等过程。在生产过程中改变对象形状、尺寸、相对位置和性质的过程称为 ,其用来指导生产的文件称为 。2、零件的机械加工工艺过程由若干个 所组成;在每一个工序中可以包含一个或几个 ;又可以包含一个或几个 ,在每一个安装中可以包含一个或几个 ,工序是依据是 。3、获得位置精度的方法有: 、 和 。 4、机械加工中常用的毛坯有: 、 、 、 及其它毛坯等。5、根据基础基准的应用场合和作用不同,基准可分为: 和 两大类。而工艺基准又可分为: 、 、 和 。6、精基准的选择原则有: 、 、 、 、 。7、在机械加工中,零件的加工阶段通常有: 、 、 和 四个加工阶段。8、机械加工中的预备热处理方法有: 、 、 和 四种。9、机械加工中的最终热处理方法有: 、 和 三种。10、在安排机械加工顺序时,一般应遵循的有: 、 、 和 的原则。11、加工余量可分为 和 。12、标注工序尺寸公差时,一般毛坯尺寸公差采用 ;最后一道工序标注 ;而中间工序的工序尺寸公差一般按 标注;即对包容表面(孔),其基本尺寸是 ,公差表现为 ;对被包容表面(轴),其基本尺寸是 ,公差表现为 。13、影响加工余量的因素有: 和 、 、 和 。14、尺寸链由 组成,根据其性质不同可分为 、 ;而根据 对 的影响情况不同,又可以将 分为 和 。15、余量确定方法有: 、 和 三种,工序尺寸除与余量及设计尺寸有关外还与基准有关,其解算方法有 和 两种。16、在机械加工中,缩短基本时间的工艺措施有: 、 和 等措施。17、工艺成本是指生产成本中与工艺过程 的那一部分成本,一般分为: 和 两种。二、问答题1、什么是生产过程和工艺过程。2、试述分析零件技术要求时需要考虑哪些因素?3、选择毛坯种类时,一般应考虑哪些因素?4、在确定表面加工方法时,需考虑哪几方面的因素?5、在机械加工过程中,为什么要划分加工阶段?6、在机械加工过程中,通常在哪些场合需要安排检验工序?7、什么是封闭环?它有何特点?8、什么是工序尺寸?其公差的标注原则是什么?9、什么是尺寸链?它有何特征?三、分析计算题1、成批生产如图 1-1 所示零件的阶梯轴,试按表中的加工顺序将其工序、安装、工位、工步用数码区分开。 顺序加工内容工序安装工位工步1切一端面2打中心孔3切另一端面4打另一中心孔5车大外圆6大外圆倒角7车小外...

1、当您付费下载文档后,您只拥有了使用权限,并不意味着购买了版权,文档只能用于自身使用,不得用于其他商业用途(如 [转卖]进行直接盈利或[编辑后售卖]进行间接盈利)。
2、本站所有内容均由合作方或网友上传,本站不对文档的完整性、权威性及其观点立场正确性做任何保证或承诺!文档内容仅供研究参考,付费前请自行鉴别。
3、如文档内容存在违规,或者侵犯商业秘密、侵犯著作权等,请点击“违规举报”。

碎片内容

机械制造工艺习题1

确认删除?
VIP
微信客服
  • 扫码咨询
会员Q群
  • 会员专属群点击这里加入QQ群
客服邮箱
回到顶部