电脑桌面
添加小米粒文库到电脑桌面
安装后可以在桌面快捷访问

(非常好)电线电缆载流量表VIP免费

(非常好)电线电缆载流量表_第1页
1/12
(非常好)电线电缆载流量表_第2页
2/12
(非常好)电线电缆载流量表_第3页
3/12
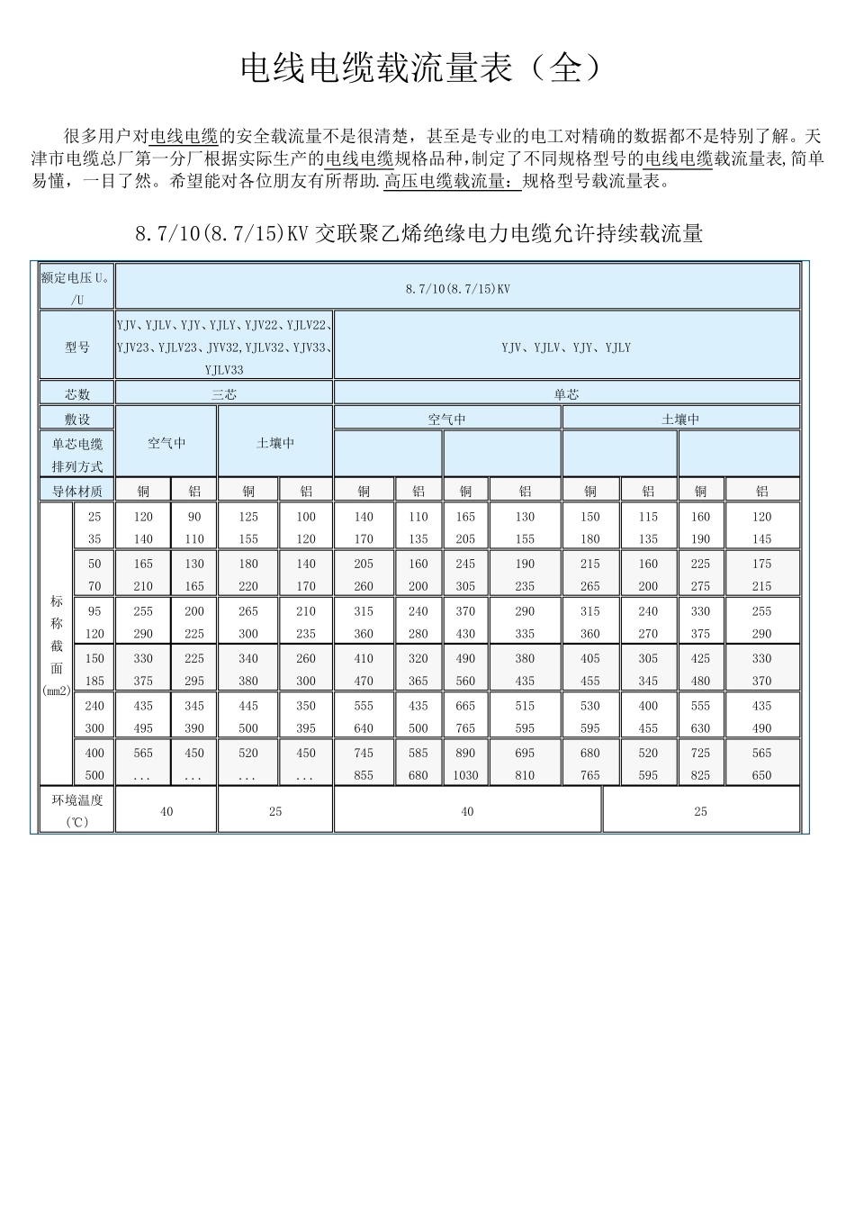
电线电缆载流量表(全) 很多用户对电线电缆的安全载流量不是很清楚,甚至是专业的电工对精确的数据都不是特别了解。天津市电缆总厂第一分厂根据实际生产的电线电缆规格品种,制定了不同规格型号的电线电缆载流量表,简单易懂,一目了然。希望能对各位朋友有所帮助.高压电缆载流量:规格型号载流量表。 8.7/10(8.7/15)KV 交联聚乙烯绝缘电力电缆允许持续载流量 额定电压U。/U 8.7/10(8.7/15)KV 型号 YJV、YJLV、YJY、YJLY、YJV22、YJLV22、YJV23、YJLV23、JYV32,YJLV32、YJV33、YJLV33 YJV、YJLV、YJY、YJLY 芯数 三芯 单芯 敷设 空气中 土壤中 空气中 土壤中 单芯电缆 排列方式 导体材质 铜 铝 铜 铝 铜 铝 铜 铝 铜 铝 铜 铝 标 称 截 面 (mm2) 25 35 120 140 90 110 125 155 100 120 140 170 110 135 165 205 130 155 150 180 115 135 160 190 120 145 50 70 165 210 130 165 180 220 140 170 205 260 160 200 245 305 190 235 215 265 160 200 225 275 175 215 95 120 255 290 200 225 265 300 210 235 315 360 240 280 370 430 290 335 315 360 240 270 330 375 255 290 150 185 330 375 225 295 340 380 260 300 410 470 320 365 490 560 380 435 405 455 305 345 425 480 330 370 240 300 435 495 345 390 445 500 350 395 555 640 435 500 665 765 515 595 530 595 400 455 555 630 435 490 400 500 565 ... 450 ... 520 ... 450 ... 745 855 585 680 890 1030 695 810 680 765 520 595 725 825 565 650 环境温度 (℃) 40 25 40 25 26/35KV 交联聚乙烯绝缘电力电缆允许持续载流量 额定电压U。/U 26/35KV 型号 YJV、YJLV、YJY、YJLY、YJV22、YJLV22、YJV23、YJLV23、JYV32,YJLV32、YJV33、YJLV33 YJV、YJLV、YJY、YJLY 芯数 三芯 单芯 敷设 空气中 土壤中 空气中 土壤中 单芯电缆 排列方式 导芯材质 铜 铝 铜 铝 铜 铝 铜 铝 铜 铝 铜 铝 标 称 截 面 (mm2) 50 70 185 230 145 190 200 250 170 190 220 270 170 210 245 305 190 235 215 265 165 200 225 275 175 215 95 120 280 310 215 240 300 330 230 255 330 375 255 290 370 425 285 330...

1、当您付费下载文档后,您只拥有了使用权限,并不意味着购买了版权,文档只能用于自身使用,不得用于其他商业用途(如 [转卖]进行直接盈利或[编辑后售卖]进行间接盈利)。
2、本站所有内容均由合作方或网友上传,本站不对文档的完整性、权威性及其观点立场正确性做任何保证或承诺!文档内容仅供研究参考,付费前请自行鉴别。
3、如文档内容存在违规,或者侵犯商业秘密、侵犯著作权等,请点击“违规举报”。

碎片内容

(非常好)电线电缆载流量表

您可能关注的文档

确认删除?
VIP
微信客服
  • 扫码咨询
会员Q群
  • 会员专属群点击这里加入QQ群
客服邮箱
回到顶部