电脑桌面
添加小米粒文库到电脑桌面
安装后可以在桌面快捷访问

office2007制作直方图.柏拉图.管制图方法VIP免费

office2007制作直方图.柏拉图.管制图方法_第1页
1/16
office2007制作直方图.柏拉图.管制图方法_第2页
2/16
office2007制作直方图.柏拉图.管制图方法_第3页
3/16
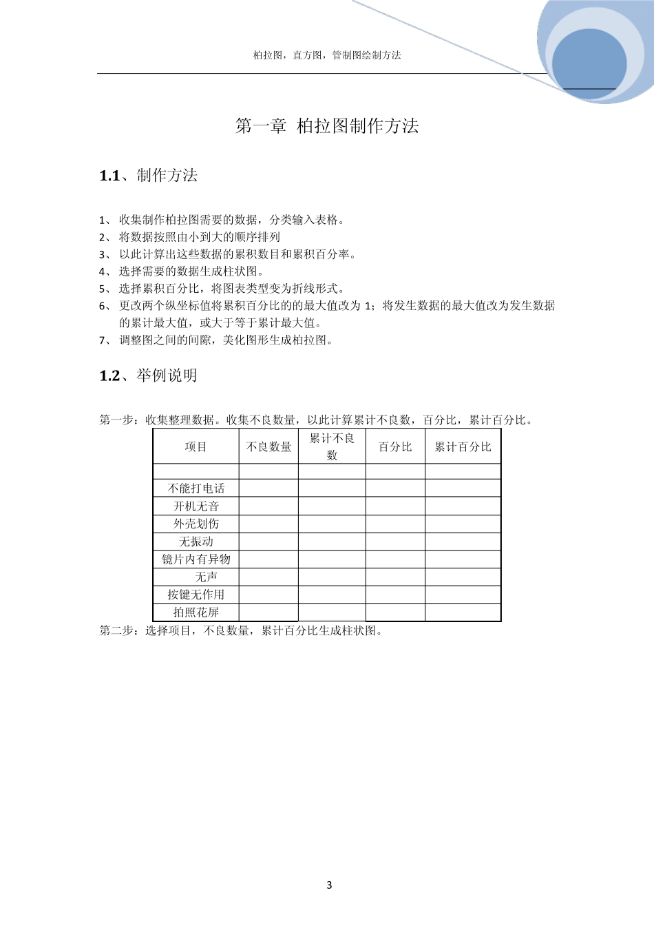
柏拉图,直方图,管制图绘制方法 1 柏拉图,直方图,管制图绘制方法 柏拉图,直方图,管制图绘制方法 2 目录 第一章 柏拉图制作方法 ................................................................................................................. 3 1.1、制作方法 .......................................................................................................................... 3 1.2、举例说明 .......................................................................................................................... 3 第二章 直方图制作方法 ................................................................................................................. 7 2.1、直方图的制作步骤 .......................................................................................................... 7 2.2、举例说明 .......................................................................................................................... 8 第三章 管制图制作说明 ............................................................................................................... 11 3.1、各个管制图界限一览表 ................................................................................................ 11 3.2、符号说明 ........................................................................................................................ 12 3.3、绘制管制图的步骤 ........................................................................................................ 13 3.4、管制图使用时之注意事项 ............................................................................................ 13 3.5、举例说明 ........................................................................................................................ 14 柏拉图,直方图,管制图绘制方法 3 第一章 柏拉图制作方法 1.1、制作方法 1、 收集制作柏拉图需要的数据,分类输入表格。 2、 将数据按照由小到大的顺序排列 3、 以此计算出这些数据的累积数目和累积百分率。 4、 选择需要的数据生成柱状...

1、当您付费下载文档后,您只拥有了使用权限,并不意味着购买了版权,文档只能用于自身使用,不得用于其他商业用途(如 [转卖]进行直接盈利或[编辑后售卖]进行间接盈利)。
2、本站所有内容均由合作方或网友上传,本站不对文档的完整性、权威性及其观点立场正确性做任何保证或承诺!文档内容仅供研究参考,付费前请自行鉴别。
3、如文档内容存在违规,或者侵犯商业秘密、侵犯著作权等,请点击“违规举报”。

碎片内容

office2007制作直方图.柏拉图.管制图方法

小辰3+ 关注
实名认证
内容提供者

出售各种资料和文档

相关文档

确认删除?
VIP
微信客服
  • 扫码咨询
会员Q群
  • 会员专属群点击这里加入QQ群
客服邮箱
回到顶部