电脑桌面
添加小米粒文库到电脑桌面
安装后可以在桌面快捷访问

动设备安装施工方案-最新VIP免费

动设备安装施工方案-最新_第1页
1/12
动设备安装施工方案-最新_第2页
2/12
动设备安装施工方案-最新_第3页
3/12
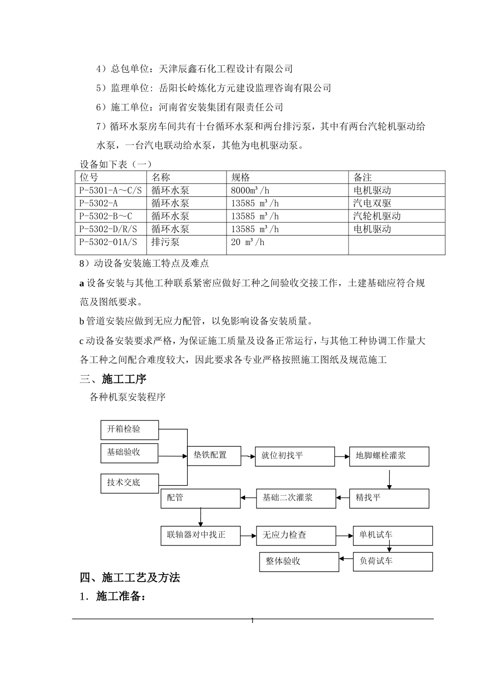
晋煤华昱高硫煤洁净利用化电热一体化示范项目一期工程动设备施工方案批准:审核:编制:河南省安装集团有限责任公司山西晋城华昱项目部二〇一六年三月目录一编制依据.....................................................................................................1二、工程概况.................................................................................................1三、施工工序.................................................................................................2四、施工工艺及方法.....................................................................................21.施工准备................................................................................................22.开箱检验................................................................................................23.基础验收..............................................................................................34.机器安装................................................................................................45.管线安装、消除应力............................................................................66.设备联轴节同心度对中........................................................................67.泵单体试车检查…………....................................................................7五、质量管理.................................................................................................71.质量控制................................................................................................72.质量保证体系........................................................................................83.质量控制点............................................................................................9六、主要资源需求计划...............................................................................9七、安全措施……………………………………………………..……….10一、编制依据1)本工程的设计文件、设计图纸、及设计变更单。2)《机械设备安装工程施工及验收通用规范》GB50231-20093)《压缩机、风机、泵安装工程施工及验收规范》GB50275-20104)《石油化工设备安装工程质量检验评定标准》SH3514-20015)机泵随机安装操作手册;二、工程概况1)工程名称:晋煤华昱项目高硫煤洁净利用化电热一体化示范项目一期工程气化、净化及其他循环水装置2)工程地点:山西省晋城市泽州县周村镇北留周村工业园区工程规模:循环水设计规模55000m3/h3)设计单位:天津辰鑫石化工程设计有限公司4)总包单位:天津辰鑫石化工程设计有限公司5)监理单位:岳阳长岭炼化方元建设监理咨询有限公司6)施工单位:河南省安装集团有限责任公司7)循环水泵房车间共有十台循环水泵和两台排污泵,其中有两台汽轮机驱动给水泵,一台汽电联动给水泵,其他为电机驱动泵。设备如下表(一)位号名称规格备注P-5301-A~C/S循环水泵8000m³/h电机驱动P-5302-A循环水泵13585m³/h汽电双驱P-5302-B~C循环水泵13585m³/h汽轮机驱动P-5302-D/R/S循环水泵13585m³/h电机驱动P-5302-01A/S排污泵20m³/h8)动设备安装施工特点及难点a设备安装与其他工种联系紧密应做好工种之间验收交接工作,土建基础应符合规范及图纸要求。b管道安装应做到无应力配管,以免影响设备安装质量。c动设备安装要求严格,为保证施工质量及设备正常运行,与其他工种协调工作量大各工种之间配合难度较大,因此要求各专业严格按照施工图纸及规范施工三、施工工序各种机泵安装程序四、施工工艺及方法1.施工准备:开箱检验基础验收技术交底垫铁配置就位初找平基础二次灌浆地脚螺栓灌浆精找平联轴器对中找正配管无应力检查单机试车负荷试车整体验收11)施工前,要完成图纸汇审,编制完成施工方案,并向...

1、当您付费下载文档后,您只拥有了使用权限,并不意味着购买了版权,文档只能用于自身使用,不得用于其他商业用途(如 [转卖]进行直接盈利或[编辑后售卖]进行间接盈利)。
2、本站所有内容均由合作方或网友上传,本站不对文档的完整性、权威性及其观点立场正确性做任何保证或承诺!文档内容仅供研究参考,付费前请自行鉴别。
3、如文档内容存在违规,或者侵犯商业秘密、侵犯著作权等,请点击“违规举报”。

碎片内容

动设备安装施工方案-最新

确认删除?
VIP
微信客服
  • 扫码咨询
会员Q群
  • 会员专属群点击这里加入QQ群
客服邮箱
回到顶部