电脑桌面
添加小米粒文库到电脑桌面
安装后可以在桌面快捷访问

动设备安装隐蔽记录VIP免费

动设备安装隐蔽记录_第1页
1/25
动设备安装隐蔽记录_第2页
2/25
动设备安装隐蔽记录_第3页
3/25
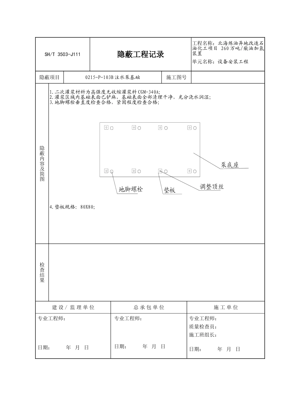
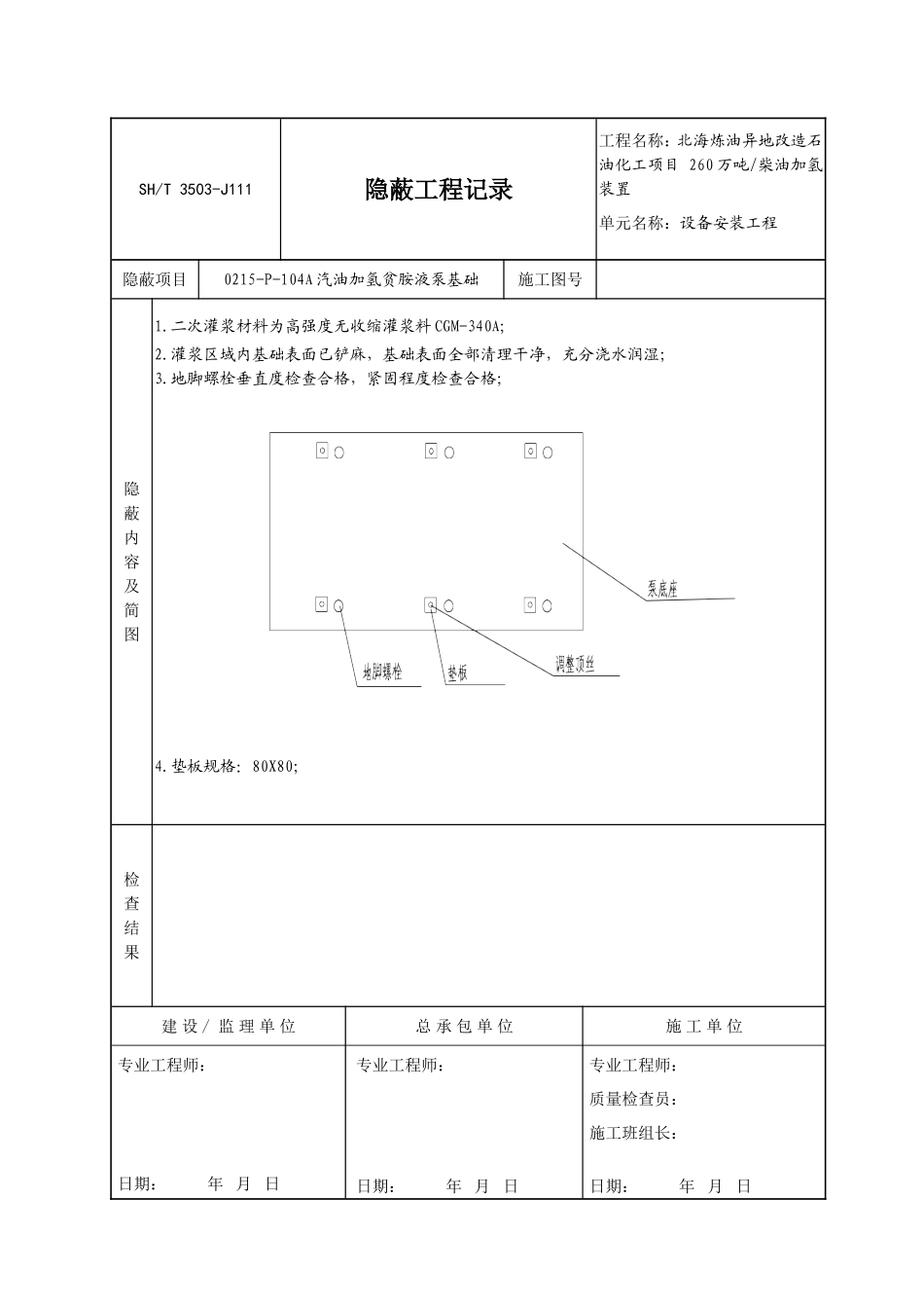
SH/T3503-J111隐蔽工程记录工程名称:北海炼油异地改造石油化工项目260万吨/柴油加氢装置单元名称:设备安装工程隐蔽项目0215-P-103A注水泵基础施工图号隐蔽内容及简图1.二次灌浆材料为高强度无收缩灌浆料CGM-340A;2.灌浆区域内基础表面已铲麻,基础表面全部清理干净,充分浇水润湿;3.地脚螺栓垂直度检查合格,紧固程度检查合格;4.垫板规格:80X80;检查结果建设/监理单位总承包单位施工单位专业工程师:日期:年月日专业工程师:日期:年月日专业工程师:质量检查员:施工班组长:日期:年月日SH/T3503-J111隐蔽工程记录工程名称:北海炼油异地改造石油化工项目260万吨/柴油加氢装置单元名称:设备安装工程隐蔽项目0215-P-103B注水泵基础施工图号隐蔽内容及简图1.二次灌浆材料为高强度无收缩灌浆料CGM-340A;2.灌浆区域内基础表面已铲麻,基础表面全部清理干净,充分浇水润湿;3.地脚螺栓垂直度检查合格,紧固程度检查合格;4.垫板规格:80X80;检查结果建设/监理单位总承包单位施工单位专业工程师:日期:年月日专业工程师:日期:年月日专业工程师:质量检查员:施工班组长:日期:年月日SH/T3503-J111隐蔽工程记录工程名称:北海炼油异地改造石油化工项目260万吨/柴油加氢装置单元名称:设备安装工程隐蔽项目0215-P-104A汽油加氢贫胺液泵基础施工图号隐蔽内容及简图1.二次灌浆材料为高强度无收缩灌浆料CGM-340A;2.灌浆区域内基础表面已铲麻,基础表面全部清理干净,充分浇水润湿;3.地脚螺栓垂直度检查合格,紧固程度检查合格;4.垫板规格:80X80;检查结果建设/监理单位总承包单位施工单位专业工程师:日期:年月日专业工程师:日期:年月日专业工程师:质量检查员:施工班组长:日期:年月日SH/T3503-J111隐蔽工程记录工程名称:北海炼油异地改造石油化工项目260万吨/柴油加氢装置单元名称:设备安装工程隐蔽项目0215-P-104B汽油加氢贫胺液泵基础施工图号隐蔽内容及简图1.二次灌浆材料为高强度无收缩灌浆料CGM-340A;2.灌浆区域内基础表面已铲麻,基础表面全部清理干净,充分浇水润湿;3.地脚螺栓垂直度检查合格,紧固程度检查合格;4.垫板规格:80X80;检查结果建设/监理单位总承包单位施工单位专业工程师:日期:年月日专业工程师:日期:年月日专业工程师:质量检查员:施工班组长:日期:年月日SH/T3503-J111隐蔽工程记录工程名称:北海炼油异地改造石油化工项目260万吨/柴油加氢装置单元名称:设备安装工程隐蔽项目0215-P-201A精制柴油泵基础施工图号隐蔽内容及简图1.二次灌浆材料为高强度无收缩灌浆料CGM-340A;2.灌浆区域内基础表面已铲麻,基础表面全部清理干净,充分浇水润湿;3.地脚螺栓垂直度检查合格,紧固程度检查合格;4.垫板规格:80X80;检查结果建设/监理单位总承包单位施工单位专业工程师:日期:年月日专业工程师:日期:年月日专业工程师:质量检查员:施工班组长:日期:年月日SH/T3503-J111隐蔽工程记录工程名称:北海炼油异地改造石油化工项目260万吨/柴油加氢装置单元名称:设备安装工程隐蔽项目0215-P-201B精制柴油泵基础施工图号隐蔽内容及简图1.二次灌浆材料为高强度无收缩灌浆料CGM-340A;2.灌浆区域内基础表面已铲麻,基础表面全部清理干净,充分浇水润湿;3.地脚螺栓垂直度检查合格,紧固程度检查合格;4.垫板规格:80X80;I检查结果建设/监理单位总承包单位施工单位专业工程师:日期:年月日专业工程师:日期:年月日专业工程师:质量检查员:施工班组长:日期:年月日SH/T3503-J111隐蔽工程记录工程名称:北海炼油异地改造石油化工项目260万吨/柴油加氢装置单元名称:设备安装工程隐蔽项目0215-P-202A分馏塔顶回流泵基础施工图号隐蔽内容及简图1.二次灌浆材料为高强度无收缩灌浆料CGM-340A;2.灌浆区域内基础表面已铲麻,基础表面全部清理干净,充分浇水润湿;3.地脚螺栓垂直度检查合格,紧固程度检查合格;4.垫板规格:80X80;检查结果建设/监理单位总承包单位施工单位专业工程师:日期:年月日专业工程师:日期:年月日专业工程师:质量检查员:施工班组长:日期:年月日SH/T3503-J111隐蔽工程记录工程名称:北海炼油异地改造石油化工项目260...

1、当您付费下载文档后,您只拥有了使用权限,并不意味着购买了版权,文档只能用于自身使用,不得用于其他商业用途(如 [转卖]进行直接盈利或[编辑后售卖]进行间接盈利)。
2、本站所有内容均由合作方或网友上传,本站不对文档的完整性、权威性及其观点立场正确性做任何保证或承诺!文档内容仅供研究参考,付费前请自行鉴别。
3、如文档内容存在违规,或者侵犯商业秘密、侵犯著作权等,请点击“违规举报”。

碎片内容

动设备安装隐蔽记录

确认删除?
VIP
微信客服
  • 扫码咨询
会员Q群
  • 会员专属群点击这里加入QQ群
客服邮箱
回到顶部