电脑桌面
添加小米粒文库到电脑桌面
安装后可以在桌面快捷访问

(完整版)软、硬件研制流程VIP免费

(完整版)软、硬件研制流程_第1页
1/13
(完整版)软、硬件研制流程_第2页
2/13
(完整版)软、硬件研制流程_第3页
3/13
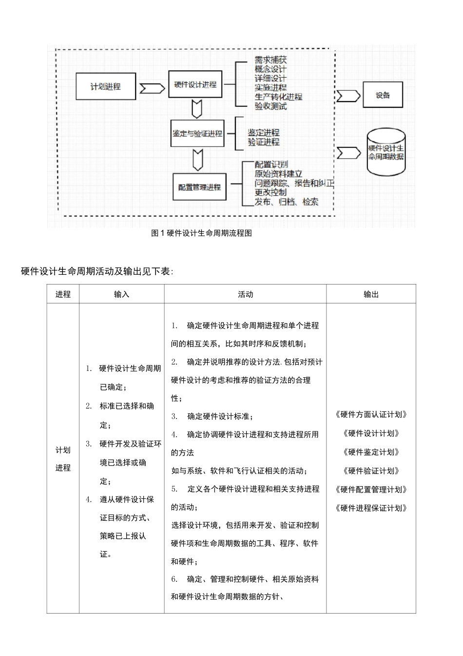
(完整版)软、硬件研制流程XX 项目硬件设计生命周期进程遵循 RTCA/D0-254《机载电子设备硬件的设计保证指南》标准,本标准为项目机载电子设备开发提供设计保证指南,规定了为满足设计保证目标所采取的设计、生产、检测、维护等各项活动,确保连续的适航性。同时我司对信息流(从系统开发进程到硬件设计生命周期进程间的信息流、从硬件设计生命周期进程到系统开发进程间的信息流以及硬件设计生命周期进程与软件生命周期进程间的信息流)、硬件安全评估等工作进行了策划、实施。在整个项目实施过程中,我司进行进程保证,确保硬件设计生命周期进程目标得以满足,从而活动得以完成。a) 确保硬件计划的有效性;b) 维持符合批准计划的审核,并跟踪所产生的行为项直到关闭;c) 检测、记录、评估、批准、跟踪并解决硬件计划和标准之间的偏差;d) 满足符合所批准计划的硬件生命周期进程的转换标准;e) 为了确保硬件项的构成符合其设计数据,进行检查;f) 产生进程保证活动的记录,其中包括设计活动完成的评估证明;g) 确保转包商使用的进程符合硬件计划.硬件设计生命周期如下图 1:图 1 硬件设计生命周期流程图硬件设计生命周期活动及输出见下表:进程输入活动输出计划进程1. 硬件设计生命周期已确定;2. 标准已选择和确定;3. 硬件开发及验证环境已选择或确定;4. 遵从硬件设计保证目标的方式、策略已上报认证。1.确定硬件设计生命周期进程和单个进程间的相互关系,比如其时序和反馈机制;2.确定并说明推荐的设计方法.包括对预计硬件设计的考虑和推荐的验证方法的合理性;3.确定硬件设计标准;4.确定协调硬件设计进程和支持进程所用的方法如与系统、软件和飞行认证相关的活动;5.定义各个硬件设计进程和相关支持进程的活动;选择设计环境,包括用来开发、验证和控制硬件项和生命周期数据的工具、程序、软件和硬件;6.确定、管理和控制硬件、相关原始资料和硬件设计生命周期数据的方针、《硬件方面认证计划》《硬件设计计划》《硬件鉴定计划》《硬件验证计划》《硬件配置管理计划》《硬件进程保证计划》进程、标准和方法;7.转包商设计保证目标确定。进程目标活动输出硬件设计进程要求捕获确定并记录了硬件项要求。包括推荐的硬件项结构所用的衍生要求、技术选择、基本及可选功能性、环境和性能要求以及系统安全评估所用的要求1. 确定分配给硬件项的系统要求.包括识别要求,如:功能性、性能、分离、自检、可测性、夕卜部接口、环境、测试及维修...

1、当您付费下载文档后,您只拥有了使用权限,并不意味着购买了版权,文档只能用于自身使用,不得用于其他商业用途(如 [转卖]进行直接盈利或[编辑后售卖]进行间接盈利)。
2、本站所有内容均由合作方或网友上传,本站不对文档的完整性、权威性及其观点立场正确性做任何保证或承诺!文档内容仅供研究参考,付费前请自行鉴别。
3、如文档内容存在违规,或者侵犯商业秘密、侵犯著作权等,请点击“违规举报”。

碎片内容

(完整版)软、硬件研制流程

确认删除?
VIP
微信客服
  • 扫码咨询
会员Q群
  • 会员专属群点击这里加入QQ群
客服邮箱
回到顶部