电脑桌面
添加小米粒文库到电脑桌面
安装后可以在桌面快捷访问

完整版,低压电缆试验报告VIP免费

完整版,低压电缆试验报告_第1页
1/4
完整版,低压电缆试验报告_第2页
2/4
完整版,低压电缆试验报告_第3页
3/4
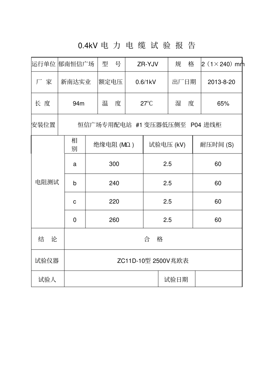
0.4kV 电 力 电 缆 试 验 报 告运行单位 郁南恒信广场型号ZR-YJV 规格2(1×240)mm2厂 家新南达实业额定电压0.6/1kV 出厂日期2013-8-20 长 度94m 温度27℃湿度65% 安装位置恒信广场专用配电站 #1 变压器低压侧至 P04 进线柜电阻测试相别绝缘电阻 (MΩ ) 试验电压 (kV) 耐压时间 (S) a 300 2.5 60 b 240 2.5 60 c 220 2.5 60 0 260 2.5 60 结论合格试验仪器ZC11D-10型 2500V兆欧表试验人试验日期0.4kV 电 力 电 缆 试 验 报 告运行单位 郁南恒信广场型号ZR-YJV 规格2(1×240)mm2厂 家新南达实业额定电压0.6/1kV 出厂日期2013-8-20 长 度94m 温度27℃湿度65% 安装位置恒信广场专用配电站 #2 变压器低压侧至 P05 进线及联络柜电阻测试相别绝缘电阻 (MΩ ) 试验电压 (kV) 耐压时间 (S) a 250 2.5 60 b 250 2.5 60 c 250 2.5 60 0 230 2.5 60 结论合格试验仪器ZC11D-10型 2500V兆欧表试验人试验日期0.4kV 电 力 电 缆 试 验 报 告运行单位 郁南恒信广场型号ZR-YJV 规格2(1×240)mm2厂 家新南达实业额定电压0.6/1kV 出厂日期2013-8-20 长 度94m 温度27℃湿度65% 安装位置恒信广场专用配电站 #3 变压器低压侧至 P09 进线及联络柜电阻测试相别绝缘电阻 (MΩ ) 试验电压 (kV) 耐压时间 (S) a 220 2.5 60 b 350 2.5 60 c 250 2.5 60 0 200 2.5 60 结论合格试验仪器ZC11D-10型 2500V兆欧表试验人试验日期0.4kV 电 力 电 缆 试 验 报 告运行单位 郁南恒信广场型号ZR-YJV 规格2(1×185)mm2厂 家新南达实业额定电压0.6/1kV 出厂日期2013-8-20 长 度94m 温度27℃湿度65% 安装位置恒信广场专用配电站 #4 变压器低压侧至 P13 进线柜电阻测试相别绝缘电阻 (MΩ ) 试验电压 (kV) 耐压时间 (S) a 250 2.5 60 b 260 2.5 60 c 280 2.5 60 0 220 2.5 60 结论合格试验仪器ZC11D-10型 2500V兆欧表试验人试验日期

1、当您付费下载文档后,您只拥有了使用权限,并不意味着购买了版权,文档只能用于自身使用,不得用于其他商业用途(如 [转卖]进行直接盈利或[编辑后售卖]进行间接盈利)。
2、本站所有内容均由合作方或网友上传,本站不对文档的完整性、权威性及其观点立场正确性做任何保证或承诺!文档内容仅供研究参考,付费前请自行鉴别。
3、如文档内容存在违规,或者侵犯商业秘密、侵犯著作权等,请点击“违规举报”。

碎片内容

完整版,低压电缆试验报告

您可能关注的文档

确认删除?
VIP
微信客服
  • 扫码咨询
会员Q群
  • 会员专属群点击这里加入QQ群
客服邮箱
回到顶部