电脑桌面
添加小米粒文库到电脑桌面
安装后可以在桌面快捷访问

完整版2002年工程勘察设计收费标准VIP免费

完整版2002年工程勘察设计收费标准_第1页
1/6
完整版2002年工程勘察设计收费标准_第2页
2/6
完整版2002年工程勘察设计收费标准_第3页
3/6
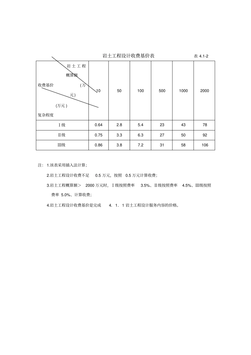
4 岩土工程设计与检测监测4.1 岩土工程设计4.1.1 岩土工程设计服务内容根据工程性质和技术要求,现场踏勘, 收集分析已有资料,调查周边建筑物及地下管线情况;编制岩土设计文件,绘制施工图,提出试验、检测和监测方案;配合施工,解决施工中的设计问题。4.1.2 岩土工程设计收费岩土工程设计复杂程度表表 4.1-1 类别Ⅰ级Ⅱ级Ⅲ级地基处理对地基基础变形无严格要求的建筑物, 工程地质条件简单,地下水条件简单,对施工影响轻微对地基基础变形有一定要求的建筑物, 工程地质条件较复杂, 地下水条件较复杂,对施工影响较严重对地基基础变形有严格要求的建筑物, 工程地质条件复杂, 地下水条件复杂,对施工影响严重基坑支护基坑深度 H≤ 6.0m,破坏后果不严重, 工程地质条件简单,地下水条件简单,对施工影响轻微基 坑 深 度6.0m < H ≤12.0m,破坏后果严重,工程地质条件较复杂,地下水条件较复杂, 对施工影响较严重基坑深度H>12.0m,破坏后果很严重, 工程地质条件复杂, 地下水条件复杂,对施工影响严重施工降水外墙轴线内包面积F≤1000m2,单层地下水,渗透系数0.5m/d < K ≤20m/d ,降水深度S△≤7.0m,对工程环境的影响无严格要求, 辅助工程措施简单外 墙 轴 线 内 包 面 积1000m2<F≤ 2000m2,双层 地 下 水 , 渗 透 系 数0.5m/d<K≤50m/d,降水深度 7.0m<S△≤ 13.0m,对工程环境的影响有一定要求,辅助工程措施较复杂外墙轴线内包面积F>2000m2,多层地下水, 渗透系数K≤0.5m/d 或 K> 50m/d ,降水深度S△> 13.0m,对工程环境的影响有严格要求, 辅助工程措施复杂岩土工程设计收费基价表表 4.1-2 岩 土 工 程概算额收费基价(万元) (万元 ) 复杂程度10 50 100 500 1000 2000 Ⅰ级0.64 2.8 5.4 23 43 78 Ⅱ级0.75 3.3 6.3 27 50 92 Ⅲ级0.86 3.8 7.2 31 58 106 注: 1.该表采用插入法计算;2.岩土工程设计收费不足0.5 万元,按照0.5 万元计算收费;3.岩土工程概算额>2000 万元时,Ⅰ级按照费率3.5%、Ⅱ级按照费率4.5%、Ⅲ级按照费率 5.0%、计算收费;4.岩土工程设计收费基价是完成4.1.1 岩土工程设计服务内容的价格。4.2 岩土工程检测监测4.2.1 岩土工程检测监测技术工作岩土工程检测监测技术工作费收费比例为22%。4.2.2 岩土工程检测监测实物工作岩土工程检测实物工作收费基价表表 4.2-1 序号项目计费单位收...

1、当您付费下载文档后,您只拥有了使用权限,并不意味着购买了版权,文档只能用于自身使用,不得用于其他商业用途(如 [转卖]进行直接盈利或[编辑后售卖]进行间接盈利)。
2、本站所有内容均由合作方或网友上传,本站不对文档的完整性、权威性及其观点立场正确性做任何保证或承诺!文档内容仅供研究参考,付费前请自行鉴别。
3、如文档内容存在违规,或者侵犯商业秘密、侵犯著作权等,请点击“违规举报”。

碎片内容

完整版2002年工程勘察设计收费标准

您可能关注的文档

确认删除?
VIP
微信客服
  • 扫码咨询
会员Q群
  • 会员专属群点击这里加入QQ群
客服邮箱
回到顶部