电脑桌面
添加小米粒文库到电脑桌面
安装后可以在桌面快捷访问

完整版C45砼配合比设计VIP免费

完整版C45砼配合比设计_第1页
1/4
完整版C45砼配合比设计_第2页
2/4
完整版C45砼配合比设计_第3页
3/4
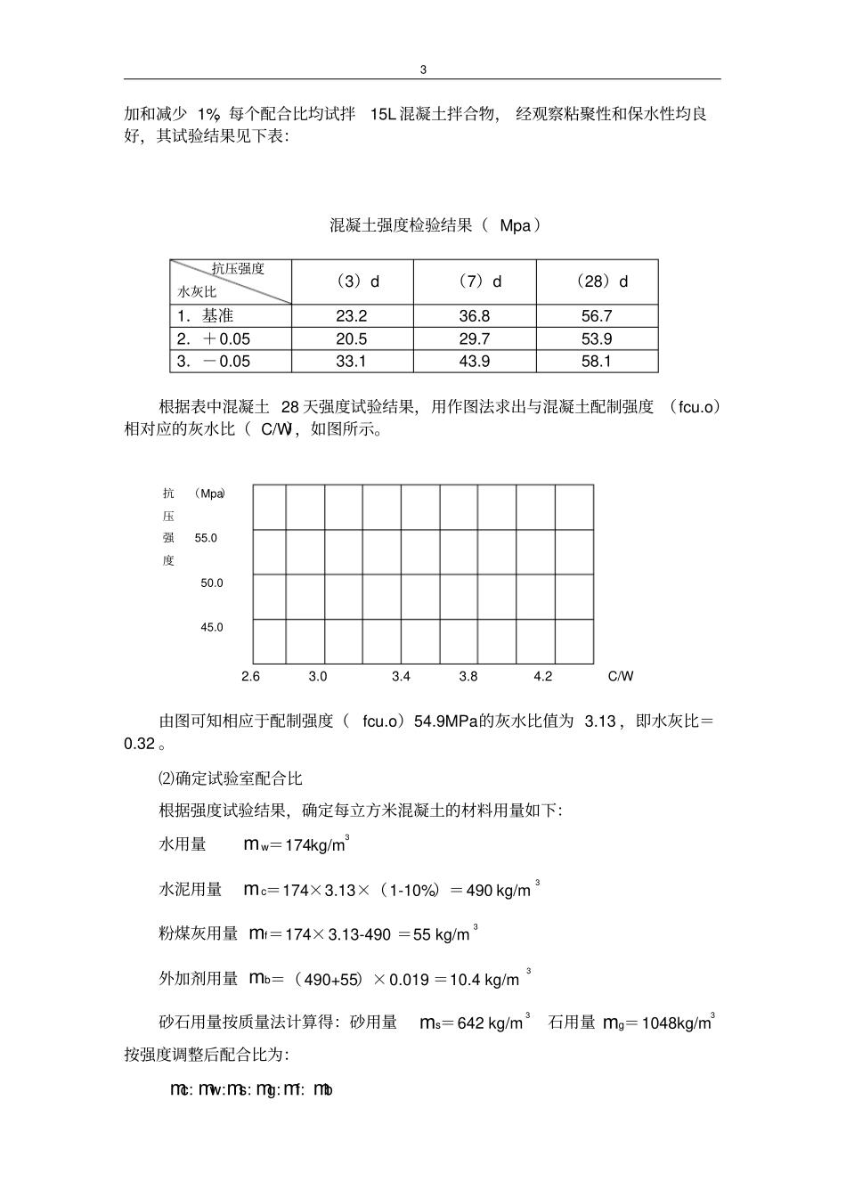
1 C45 砼配合比设计一、计算理论配合比1.确定配制强度 (fcu.o) 已知:设计砼强度fcu.k=45Mpa,无砼强度统计资料,查《普通砼配合比设计规程》、《砼结构工程施工及验收规范》 (GB50204)的规定,取用δ = 6.0 Mpa,计算砼配制强度:fcu.o=fcu.k+1.645δ =45+1.645×6.0=54.9 Mpa 2.确定水灰比已知:砼配制强度fcu.0=54.9Mpa,水泥 28d 实际强度 fce=35.0Mpa,无砼强度回归系数统计资料,采用碎石,查《普通砼配合比设计规程》表5.0.4,取α a=0.46 ,α b=0.07, 计算水灰比:29.00.3507.046.09.540.3546.0/.cebaocuceafaaffaCW3.确定用水量( mws)已知:施工要求砼拌合物入泵坍落度为 (180±20)mm,碎石最大粒径为25mm,从砼厂运输到工地泵送后,考虑砼入模前的各种损失,采用掺用缓凝减水泵送剂,掺入占胶凝材料(水泥+粉煤灰)的1.0 ~2.0%之间,查《普通砼配合比设计规程》表4.0.1-2 取砼用水量 212kg/m3,由于采用 LJL 系列减水泵送剂,其减水率为18%,计算用水量:mws=mwo(1-β )=212(1-18%)=174kg/m34.计算水泥用量( mcs)已知:砼用水量174kg/m3,水灰比 W/C=0.29 ,粉煤灰掺入量采用等量取代法,取代水泥百分率f=10%,得:3/540%10129.01741/mkgfcwmmwscs5.粉煤灰取代水泥用量 (mfs) 3/6054029.0174/mkgmcwmmfscsws验:水泥和粉煤灰总量 540+60=600 kg,不小于 300 kg/m3 、不大于 600 kg/m3的要求。6. 计算泵送剂用量( mbs)已知: LJL 系列减水泵送剂掺量占水泥的1.9%,由于粉煤灰是等量取代水泥用量,水泥用量为 (540+60) =600 kg/m3,计算泵送剂用量:mbs=600×0.019=11.4kg/m32 7.确定砂率 (β s) 查《普通混凝土配合比设计规程》表4.0.2 规定,根据泵送混凝土的特点,初步确定砂率βs=38% 8.计算砂、石用量已知:水泥密度ρc=3100 kg/m3, 砂表观密度ρs=2630 kg/m3,碎石表观密度ρ g=2690 kg/m3,粉煤灰表观密度ρf =2200 kg/m3, 初步确定 C40砼容重为 2420 kg/m3,采用重量法计算:38.0gsssssmmm①mcs+mfs+ mss+mgs+mws+mbs=2420 540+60+mss+mgs+174+11.4=2420 ②由式①②解得:mss=621 kg/m3 mgs=1013 kg/m39. 确定理论配合比:每立方米双掺泵送砼理论配合比为mcs: mws:mss: mgs: mfs: mbs 540:174:621:1013:60:11.4 二、试配、调整及配合比的确定1 ⑴试配按和易性调整配合比按计算的粉煤灰混凝土配合比进行试配,验证是否与基准混...

1、当您付费下载文档后,您只拥有了使用权限,并不意味着购买了版权,文档只能用于自身使用,不得用于其他商业用途(如 [转卖]进行直接盈利或[编辑后售卖]进行间接盈利)。
2、本站所有内容均由合作方或网友上传,本站不对文档的完整性、权威性及其观点立场正确性做任何保证或承诺!文档内容仅供研究参考,付费前请自行鉴别。
3、如文档内容存在违规,或者侵犯商业秘密、侵犯著作权等,请点击“违规举报”。

碎片内容

完整版C45砼配合比设计

确认删除?
VIP
微信客服
  • 扫码咨询
会员Q群
  • 会员专属群点击这里加入QQ群
客服邮箱
回到顶部