电脑桌面
添加小米粒文库到电脑桌面
安装后可以在桌面快捷访问

完整版MBR设计VIP免费

完整版MBR设计_第1页
1/14
完整版MBR设计_第2页
2/14
完整版MBR设计_第3页
3/14
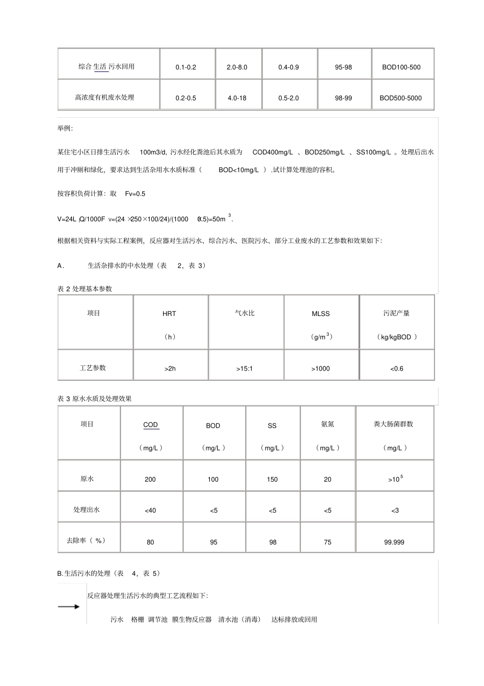
膜生物反应器处理系统设计1.基本组成1. 处理系统应由膜组件、生物反应池、供气系统、控制系统、进出水管路、在线清洗系统等组成。2.工艺 参数2.1 反应器的容积可按污泥 负荷或容积负荷计算确定。2.2 反应器装置内必须保证一定的活性污泥 浓度和水力停留时间。平均停留时间应根据原水水质和处理要求设定确定。生物反应池的容积设计可参照活性污泥法,结合反应器的污泥负荷或容积负荷参数计算。池容按污泥负荷计算时可采用下列公式:V=24L jQ/1000F wN w 池容积按容积负荷计算时可采用下列公式:V=24L jQ/1000F V 式中 V—— 反应器的有效容积(m 3)Lj—— 反应器进水的BOD ( mg/L )Q—— 反应器设计处理水流量(m3/h )Fw —— 反应器的 BOD 污泥负荷( kg/kg ·d)Nw —— 反应器内污泥平均浓度MLSS ( g/L )Fv—— 反应器内 BOD 容积负荷( kg/m3· d)2.3 反应器处理 污水 的设计参数应由试验确定。膜生物反应器不同于一般活性污泥的特点是反应池中的污泥浓度高,可达到 8000 ~20000mgMLSS/L。因此其容积负荷较高,而相应的污泥负荷较低,污泥龄长。在无实验数据时,可按表1选取。表 1 膜生物反应器污 水处理 设计参数项目污泥负荷 Fw (kg/kg ·d) MLSS X (g/d) 容积负荷 Fv (kg/m3·d) 处理效率(%)原污水水质(mg/L )城镇污水回用0.2-0.4 2.0-8.0 0.4-0.9 95-98 BOD100-500 杂排水中水处理0.1-0.2 1.0-4.0 0.2-0.5 90-95 BOD50-150 综合 生活 污水回用0.1-0.2 2.0-8.0 0.4-0.9 95-98 BOD100-500 高浓度有机废水处理0.2-0.5 4.0-18 0.5-2.0 98-99 BOD500-5000 举例:某住宅小区日排生活污水100m3/d, 污水经化粪池后其水质为COD400mg/L 、BOD250mg/L 、SS100mg/L 。处理后出水用于冲厕和绿化,要求达到生活杂用水水质标准(BOD<10mg/L ) .试计算处理池的容积。按容积负荷计算:取Fv=0.5 V=24L jQ/1000F V=(24 ×250×100/24)/(1000×0.5)=50m3. 根据相关资料与实际工程案例,反应器对生活污水、综合污水、医院污水、部分工业废水的工艺参数和效果如下:A.生活杂排水的中水处理(表2,表 3)表 2 处理基本参数项目HRT (h)气水比MLSS (g/m 3)污泥产量( kg/kgBOD )工艺参数>2h >15:1 >1000 <0.6 表 3 原水水质及处理效果项目COD( mg/L )BOD (mg/L )SS ( mg/L )氨氮( mg/L )粪大肠菌群数( mg/L )原...

1、当您付费下载文档后,您只拥有了使用权限,并不意味着购买了版权,文档只能用于自身使用,不得用于其他商业用途(如 [转卖]进行直接盈利或[编辑后售卖]进行间接盈利)。
2、本站所有内容均由合作方或网友上传,本站不对文档的完整性、权威性及其观点立场正确性做任何保证或承诺!文档内容仅供研究参考,付费前请自行鉴别。
3、如文档内容存在违规,或者侵犯商业秘密、侵犯著作权等,请点击“违规举报”。

碎片内容

完整版MBR设计

您可能关注的文档

确认删除?
VIP
微信客服
  • 扫码咨询
会员Q群
  • 会员专属群点击这里加入QQ群
客服邮箱
回到顶部