电脑桌面
添加小米粒文库到电脑桌面
安装后可以在桌面快捷访问

完整版产品包装纸箱设计规范VIP免费

完整版产品包装纸箱设计规范_第1页
1/7
完整版产品包装纸箱设计规范_第2页
2/7
完整版产品包装纸箱设计规范_第3页
3/7
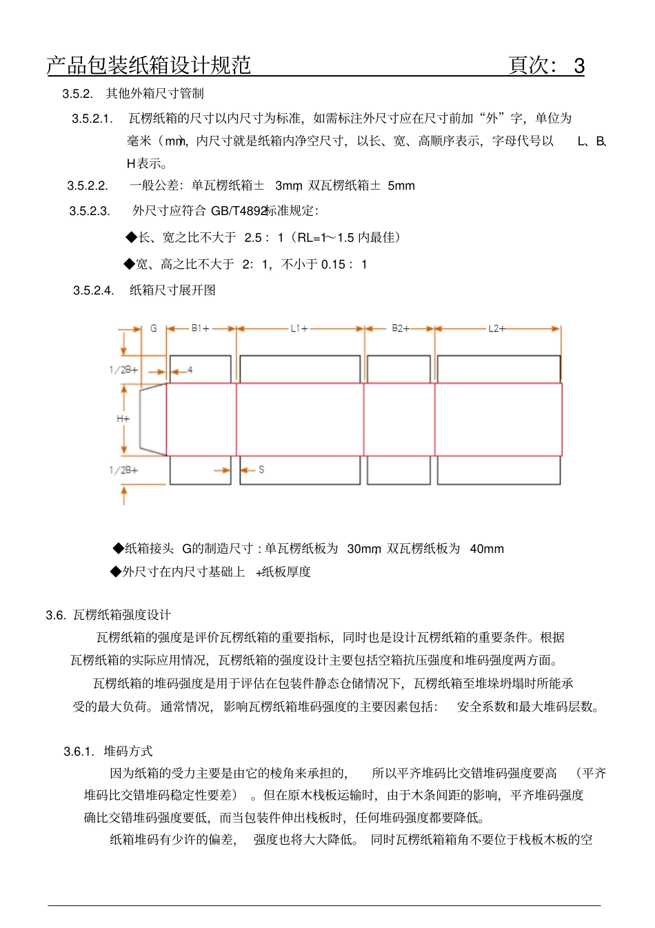
产品包装纸箱设计规范頁次: 1 文件名稱产品包装纸箱设计规范文件編號版本編制部門工程部編製日期頁碼7 1. 目的规范产品包装纸箱设计要求,以确保产品在搬运,储存及运输过程中之品质保证。2. 範圍本规范规定了本公司纸箱结构的一般性设计要求,规定,适用于本公司产品包装纸箱设计的相关部门3. 瓦楞纸箱设计步骤内容:3.1. 纸箱的结构选型(本公司包装箱一般采用GB/T6543-2008 0201型结构)3.2. 纸箱单箱重量(毛重)规定根据国家标准,对人工搬运的单件包装箱最大重量规定为18kg, 考虑到公司产品的特殊性及人员搬运操作方便性,公司规定产品包装单件重量不得大于15kg 3.3. 纸箱的材质规格箱型外销内销楞形瓦楞外箱公用 K=A,特殊 K=K A=A BC 双内箱A3A B3B BC 双纸盒A9 A9 B 单隔板B3 B3 B 单刀卡A9 A9 E 单产品包装纸箱设计规范頁次: 2 纸箱最外面的那层称为面纸,最里内的纸称为里纸,中间凹凸不平的纸为坑纸,两坑纸中间纸称为隔纸,其材质表达方式为:◇前面的字母(如K,A,B)表示为面纸纸质◇中间符号(如 =)表示瓦楞层数, 9 表示 E 坑幼坑纸, 3 表示 B坑单瓦楞◇后面表示字母(如K,A,B )表示为里纸纸质◇如 K=K,表示为面纸和里纸都是K 纸材质,双层瓦楞纸(默认BC组合瓦楞)3.4. 依照集装箱配合最优尺寸及堆码方式进行外箱尺寸设计3.4.1. 栈板规格规定 1100×1100mm(单面木质栈板)3.4.2. 外箱标准堆码方式为重叠反交错和旋转交错两种◆重叠式和正反交错堆码方式外箱标准设计内尺寸 L: 500mm 110mm B: 330mm H: 依产品重量及纸质330mm 长宽比: 1.5 500mm 1100mm ◆旋转交错方式外箱标准设计内尺寸330mm L:370mm 110mm B:330mm H: 依产品重量及纸质长宽比: 1.12370mm 1100mm 3.5. 尺寸设计要求 3.5.1.公司外箱公用尺寸为 L500mm*B330mm和L370mm*330mm两种,高度依产品包装方式数量及重量决定产品包装纸箱设计规范頁次: 3 3.5.2.其他外箱尺寸管制 3.5.2.1.瓦楞纸箱的尺寸以内尺寸为标准,如需标注外尺寸应在尺寸前加“外”字,单位为毫米(mm),内尺寸就是纸箱内净空尺寸,以长、宽、高顺序表示,字母代号以L、B、H表示。 3.5.2.2.一般公差:单瓦楞纸箱±3mm,双瓦楞纸箱± 5mm 3.5.2.3.外尺寸应符合 GB/T4892标准规定:◆长、宽之比不大于 2.5 :1(RL=1~1.5 内最佳)◆宽、高之比不大于 2:1,不小于 0.15 :1 3.5.2.4.纸箱尺寸展开图◆纸...

1、当您付费下载文档后,您只拥有了使用权限,并不意味着购买了版权,文档只能用于自身使用,不得用于其他商业用途(如 [转卖]进行直接盈利或[编辑后售卖]进行间接盈利)。
2、本站所有内容均由合作方或网友上传,本站不对文档的完整性、权威性及其观点立场正确性做任何保证或承诺!文档内容仅供研究参考,付费前请自行鉴别。
3、如文档内容存在违规,或者侵犯商业秘密、侵犯著作权等,请点击“违规举报”。

碎片内容

完整版产品包装纸箱设计规范

您可能关注的文档

确认删除?
VIP
微信客服
  • 扫码咨询
会员Q群
  • 会员专属群点击这里加入QQ群
客服邮箱
回到顶部