电脑桌面
添加小米粒文库到电脑桌面
安装后可以在桌面快捷访问

副斜井架空乘人装置检修安全技术措施VIP免费

副斜井架空乘人装置检修安全技术措施_第1页
1/6
副斜井架空乘人装置检修安全技术措施_第2页
2/6
副斜井架空乘人装置检修安全技术措施_第3页
3/6
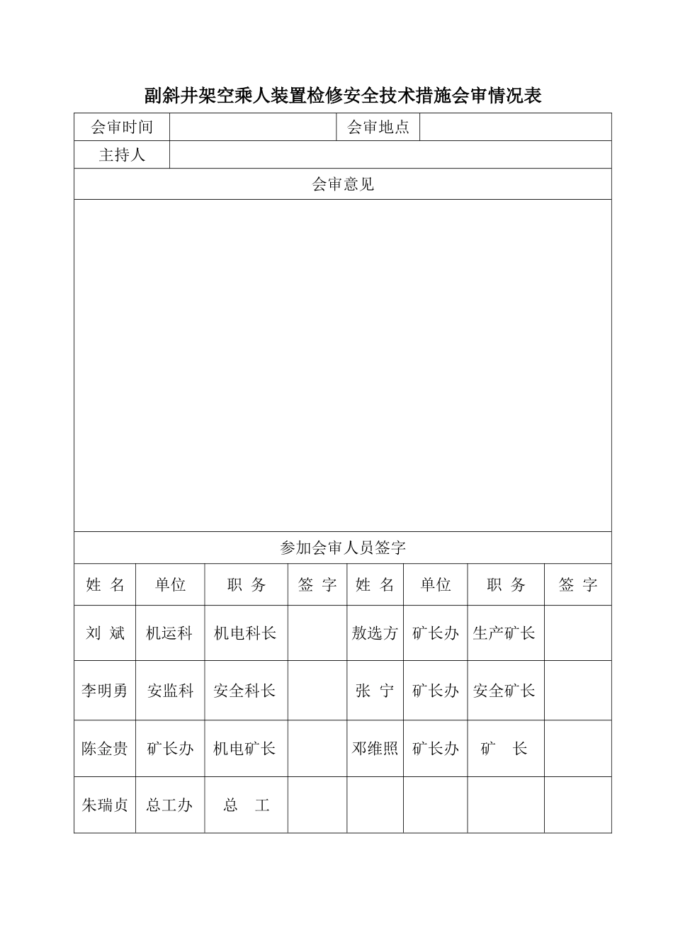
盘县柏果镇金河煤矿副斜井架空乘人装置检修安全技术措施编号:机电安措2015-8号编制人:总工:矿长:编制单位:金河煤矿机电运输科编制时间:二0一五年一月十日副斜井架空乘人装置检修安全技术措施会审情况表会审时间会审地点主持人会审意见参加会审人员签字姓名单位职务签字姓名单位职务签字刘斌机运科机电科长敖选方矿长办生产矿长李明勇安监科安全科长张宁矿长办安全矿长陈金贵矿长办机电矿长邓维照矿长办矿长朱瑞贞总工办总工一、概况我矿副斜井安装一部RJKY22-30/1000猴车,长度为450m。副斜井坡度为25°。为确保行人斜井架空乘人装置安全运行及乘坐人员的安全,特编制本安全技术措施。二、检修准备工作1、备齐各种常用和专用工具。2、检修所需材料提前运到现场,摆放整齐有序。3、所需准备的零部件的规格要检查是否与需要一致。三、技术要求1、钢架结构无扭曲变形,螺丝紧固有效。2、减速器正常运行时,应从观察窗看油位情况,否则减速器应立即加油到适当油位,加油方法按相应减速器的操作维护说明中的规定进行;减速器运行时外壳温度一般不超过75℃,若运行中出现异常,油温突然升高,应立即停车检查,排除故障。3、驱动轮、迂回轮轮衬磨损余厚不小于原厚度的三分之一,否则,应及时更换轮衬;轮缘、辐条及焊缝无裂纹、变形,键不松动,紧固螺母无松动;驱动轮转动灵活,无异常摆动和异常声响;定期给轴承座中的轴承加注润滑油。4、制动闸杠杆系统动作灵敏可靠,销轴不松晃,不缺油,闸轮表面无油迹,液压系统不漏油;松闸状态下,闸瓦间隙不大于2.5mm,制动时闸瓦与闸轮紧密接触,有效接触面积不小于设计的60%;闸带无断裂现象,磨损余厚不小于3mm,闸轮表面沟痕深度不大于1.5mm,沟宽不超过闸轮有效宽度的10%。5、声光信号完好齐全,吊挂整齐,报警信号灵敏可靠。若发现信号异常,及时修复。6、钢丝绳运行应平稳,速度正常,否则查明原因及时处理。7、张紧装置能够灵活调节运载钢丝绳在运行过程中的张力,活动部位移动灵活,不卡轮轴,不歪斜;重锤上下活动灵活,不卡不挤不碰支撑架,配重安全设施稳固可靠。8、猴车各部件齐全完整,螺丝紧固有效,无开焊、裂纹或变形;锁紧装置齐全、有效,无变形;定期检查抱索器的抱紧力,若抱紧力不够时,应及时更换抱索器;所有托、压轮应转动灵活、平稳、不晃动;轮衬贴合紧密无脱离现象,轮衬磨损余厚不小于5mm;托轮架稳固,无弯曲变形及位置偏移等现象;各部件联接螺栓紧固有效,焊缝无开裂现象;托轮轴承应定期检查、清洗、加润滑油。9、钢丝绳的使用年限一般不超过两年,出现如下情况时,必须更换钢丝绳。(1)不合格钢丝绳的断面积与钢丝绳总断面积之比达到25%时,该绳必须更换。(2)当钢丝绳断丝超过四分之一时,该钢丝绳必须更换。(3)钢丝绳直径的减少量达到其直径的10%时,该钢丝绳必须更换。(4)磨损锈蚀不超过其使用寿命极限(2年),否则应及时更换钢丝绳。10、电控装置运行一段时间后,应定期对电控设备进行除尘防水和防潮处理,发现问题及时解决。11、声光报警信号在井下应清晰可见,报警信号应灵敏可靠若发现信号异常,及时修复。12、由于井下环境湿度大,对电气设备有较大影响,因此要经常检查电气开关,确保电气开关动作可靠。13、抱索器的上下半圆抱块与钢丝绳容易发生磨损,应每班检查其磨损程度,保证其具有足够的强度和抱紧钢丝绳的能力,否则应及时更换抱索器。14、轮边制动器电机运行后,油泵压力油表指针应上升至12Mpa左右,油泵及各街头不能漏油,设备正常后制动压力在8—9Mpa,否则,立即处理。15、电气系统:电动机运行正常,无异响、无油泥,风叶、护罩完整无损伤。16、保护装置:机头机尾越位保护,机头变坡点掉绳保护,全程急停开关,断绳急停保护,重锤下限位保护,制动器动作失效保护,液压站温度的检测保护、轮边制动等保护装置齐全完好、灵敏可靠,安装位置符合规定,并每班试验一次。17、通讯系统齐全、灵敏、清晰,安装位置合理;机头照明齐全。18、控制开关整定合理,电气保护灵敏可靠,设备无失爆现象六、安全措施1、严格执行敲帮问顶制度。检修前,由施工负责人和当班安全员对施工作业...

1、当您付费下载文档后,您只拥有了使用权限,并不意味着购买了版权,文档只能用于自身使用,不得用于其他商业用途(如 [转卖]进行直接盈利或[编辑后售卖]进行间接盈利)。
2、本站所有内容均由合作方或网友上传,本站不对文档的完整性、权威性及其观点立场正确性做任何保证或承诺!文档内容仅供研究参考,付费前请自行鉴别。
3、如文档内容存在违规,或者侵犯商业秘密、侵犯著作权等,请点击“违规举报”。

碎片内容

副斜井架空乘人装置检修安全技术措施

您可能关注的文档

确认删除?
VIP
微信客服
  • 扫码咨询
会员Q群
  • 会员专属群点击这里加入QQ群
客服邮箱
回到顶部