电脑桌面
添加小米粒文库到电脑桌面
安装后可以在桌面快捷访问

国网集中器培训资料VIP免费

国网集中器培训资料_第1页
1/11
国网集中器培训资料_第2页
2/11
国网集中器培训资料_第3页
3/11
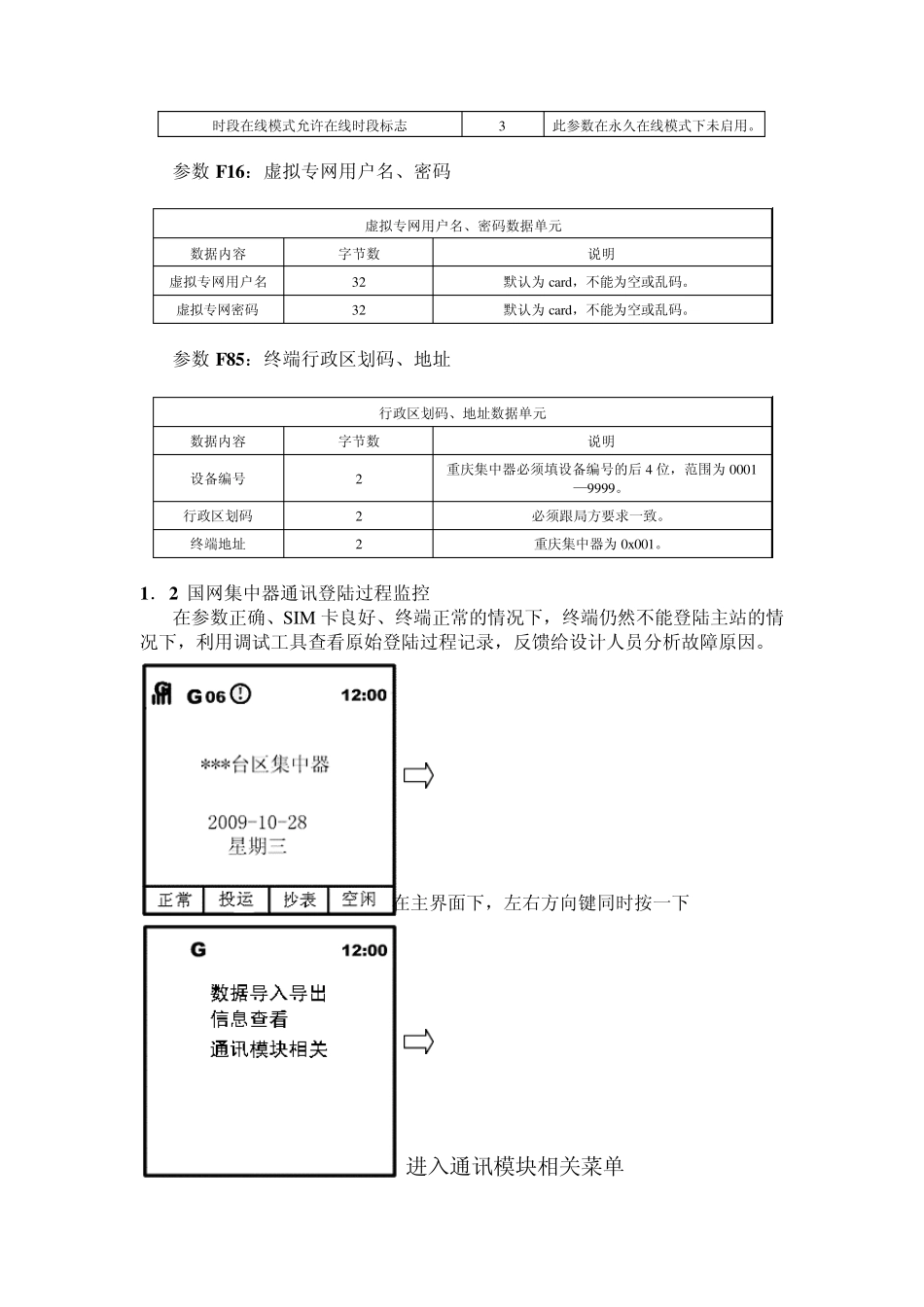
国网集中抄表系统培训资料 1、国网集中器参数设置说明 1.1 GPRS通讯相关参数 参数 F1:终端上行通信口通信参数 上行通信口通信参数设置数据单元 数据内容 字节数 说明 终端数传机延时时间 RTS 1 参数暂未启用 终端作为启动站允许发送传输延时时间 1 参数暂未启用 终端等待从动站响应的超时时间和重发次数 2 参数暂未启用 需要主站确认的通信服务(CON=1)的标志 1 参数暂未启用 心跳周期 1 此参数根据局方要求来设置,重庆集中器出厂设置为 10。 参数 F3:主站 IP 地址和端口 主站 IP 地址和端口数据单元 数据内容 字节数 说明 IP 地址 1 段 1 主用 IP 地址和端口,此参数必须跟局方要求一致。 IP 地址 2 段 1 IP 地址 3 段 1 IP 地址 4 段 1 端口地址 2 IP 地址 1 段 1 备用 IP 地址和端口,此参数暂未启用。 IP 地址 2 段 1 IP 地址 3 段 1 IP 地址 4 段 1 端口地址 2 APN 16 此参数必须跟局方要求一致。 参数 F8:终端上行通信工作方式(以太专网或虚拟专网) 以太网、虚拟网工作方式设置数据单元 数据内容 字节数 说明 工作模式 1 必须为永久在线、TCP 模式,参数值为 0x11。 永久在线、时段在线模式重拨间隔 2 重庆集中器出厂设置值为 60。 被动激活模式重拨次数 1 此参数在永久在线模式下未启用。 被动激活模式连续无通信自动断线时间 1 此参数在永久在线模式下未启用。 时段在线模式允许在线时段标志 3 此参数在永久在线模式下未启用。 参数F16:虚拟专网用户名、密码 虚拟专网用户名、密码数据单元 数据内容 字节数 说明 虚拟专网用户名 32 默认为card,不能为空或乱码。 虚拟专网密码 32 默认为card,不能为空或乱码。 参数F85:终端行政区划码、地址 行政区划码、地址数据单元 数据内容 字节数 说明 设备编号 2 重庆集中器必须填设备编号的后4 位,范围为0001—9999。 行政区划码 2 必须跟局方要求一致。 终端地址 2 重庆集中器为0x001。 1.2 国网集中器通讯登陆过程监控 在参数正确、SIM 卡良好、终端正常的情况下,终端仍然不能登陆主站的情况下,利用调试工具查看原始登陆过程记录,反馈给设计人员分析故障原因。 在主界面下,左右方向键同时按一下 进入通讯模块相关菜单 进入运行信息菜单 终端菜单进入此模式后,通过本地串口可以监视到通讯模块的登陆过程,运行Windows自...

1、当您付费下载文档后,您只拥有了使用权限,并不意味着购买了版权,文档只能用于自身使用,不得用于其他商业用途(如 [转卖]进行直接盈利或[编辑后售卖]进行间接盈利)。
2、本站所有内容均由合作方或网友上传,本站不对文档的完整性、权威性及其观点立场正确性做任何保证或承诺!文档内容仅供研究参考,付费前请自行鉴别。
3、如文档内容存在违规,或者侵犯商业秘密、侵犯著作权等,请点击“违规举报”。

碎片内容

国网集中器培训资料

您可能关注的文档

确认删除?
VIP
微信客服
  • 扫码咨询
会员Q群
  • 会员专属群点击这里加入QQ群
客服邮箱
回到顶部