电脑桌面
添加小米粒文库到电脑桌面
安装后可以在桌面快捷访问

完整版导线压接检查记录VIP免费

完整版导线压接检查记录_第1页
1/2
完整版导线压接检查记录_第2页
2/2
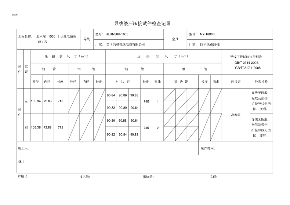
导线液压压接试件检查记录工程名称:导线型号:金具型号:厂家:厂家:试件位置压接前尺寸( mm)压接后尺寸( mm)导线压接试验执行标准GB/T 2314-2008、GB/T2317.1-2008 铝管钢管铝管钢管外径内径长度外径内径长度对 边 距长度弯曲对 边 距长度弯曲压接者外观检验试件一左右施工人:制作时间:备注:班组长:技术员:质检员:监理:样表导线液压压接试件检查记录工程名称: 北京东 1000 千伏变电站新建工程导线型号: JLHN58K-1600金具型号: NY-1600K厂家: 黄冈兴和电线电缆有限公司厂家: 四平线路器材厂试件位置压接前尺寸( mm)压接后尺寸( mm)导线压接试验执行标准GB/T 2314-2008、GB/T2317.1-2008 铝管钢管铝管钢管外径内径长度外径内径长度对 边 距长度弯曲对 边 距长度弯曲压接者外观检验试件一左105.34 72.86 710 90.84 90.86 90.88 740 1 高春雷导线无断股、松散及损伤,扩径导线无凹陷、变形。90.82 90.80 90.84 右105.38 72.88 712 90.80 90.88 90.84 745 2 导线无断股、松散及损伤,扩径导线无凹陷、变形。90.82 90.84 90.88 施工人:制作时间:备注:班组长:技术员:质检员:监理:

1、当您付费下载文档后,您只拥有了使用权限,并不意味着购买了版权,文档只能用于自身使用,不得用于其他商业用途(如 [转卖]进行直接盈利或[编辑后售卖]进行间接盈利)。
2、本站所有内容均由合作方或网友上传,本站不对文档的完整性、权威性及其观点立场正确性做任何保证或承诺!文档内容仅供研究参考,付费前请自行鉴别。
3、如文档内容存在违规,或者侵犯商业秘密、侵犯著作权等,请点击“违规举报”。

碎片内容

完整版导线压接检查记录

确认删除?
VIP
微信客服
  • 扫码咨询
会员Q群
  • 会员专属群点击这里加入QQ群
客服邮箱
回到顶部