电脑桌面
添加小米粒文库到电脑桌面
安装后可以在桌面快捷访问

土力学计算题VIP免费

土力学计算题_第1页
1/58
土力学计算题_第2页
2/58
土力学计算题_第3页
3/58
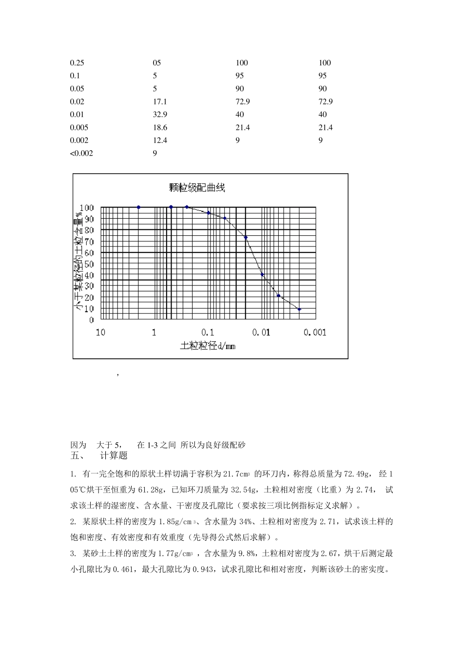
五、 计算题 1. 甲乙两土样的颗粒分析结果列于下表,试绘制级配曲线,并确定不均匀系数以及评价级配均匀情况。 粒径/m m 2~0.5 0.5~ 0.25 0.25~ 0.1 0.1~ 0.05 0.05~ 0.02 0.02~ 0.01 0.01~0.005 0.005~0.002 ﹤0.002 相 对 含量(%) 甲土 24.3 14.2 20.2 14.8 10.5 6.0 4.1 2.9 3.0 乙土 5.0 5.0 17.1 32.9 18.6 12.4 9.0 五、 计算题 解:甲土颗粒级配曲线如下: , , ,因为>10 粒度分布范围较大,土粒越不均匀,级配良好。 乙土颗粒级配曲线如下: 孔径(m m ) 留筛土质量(g) 小于该孔径的土质量(g) 小于该孔径的土的百分数% 2 0 100 100 0.5 0 100 100 孔径(m m ) 留筛土质量(g) 小于该孔径的土质量(g) 小于该孔径的土的百分数% 2 0 100 100 0.5 24.3 75.7 75.7 0.25 14.2 61.5 61.5 0.1 20.2 41.3 41.3 0.05 14.8 26.5 26.5 0.02 10.5 16 16 0.01 6.0 10 10 0.005 4.1 5.9 5.9 0.002 2.9 3 3 <0.002 3.0 0.25 05 100 100 0.1 5 95 95 0.05 5 90 90 0.02 17.1 72.9 72.9 0.01 32.9 40 40 0.005 18.6 21.4 21.4 0.002 12.4 9 9 <0.002 9 , 因为大于5,在1-3 之间 所以为良好级配砂 五、 计算题 1. 有一完全饱和的原状土样切满于容积为21.7cm3 的环刀内,称得总质量为72.49g, 经105℃烘干至恒重为61.28g,已知环刀质量为32.54g,土粒相对密度(比重)为2.74, 试求该土样的湿密度、含水量、干密度及孔隙比(要求按三项比例指标定义求解)。 2. 某原状土样的密度为1.85g/cm 3、含水量为34%、土粒相对密度为2.71,试求该土样的饱和密度、有效密度和有效重度(先导得公式然后求解)。 3. 某砂土土样的密度为1.77g/cm3 ,含水量为9.8%,土粒相对密度为2.67,烘干后测定最小孔隙比为0.461,最大孔隙比为0.943,试求孔隙比和相对密度,判断该砂土的密实度。 4. 某一完全饱和粘性土试样的含水量为30%,土粒相对密度为2.73 ,液限为33%,塑限为17%,试求孔隙比、干密度和饱和密度,并按塑性指数和液性指数分别定出该粘性土的分类名称和软硬状态。 5.经测定,某地下水位以下砂层的饱和密度为1.991g/cm3,土粒相对密度为2.66,最大干密度为1.67g/cm3,最小干密度为1.39g/cm3,试判断该砂土的密实程度。 6.已知某土样含水量为20%,土粒相对密度为2.7,孔隙率为50%,若将...

1、当您付费下载文档后,您只拥有了使用权限,并不意味着购买了版权,文档只能用于自身使用,不得用于其他商业用途(如 [转卖]进行直接盈利或[编辑后售卖]进行间接盈利)。
2、本站所有内容均由合作方或网友上传,本站不对文档的完整性、权威性及其观点立场正确性做任何保证或承诺!文档内容仅供研究参考,付费前请自行鉴别。
3、如文档内容存在违规,或者侵犯商业秘密、侵犯著作权等,请点击“违规举报”。

碎片内容

土力学计算题

您可能关注的文档

确认删除?
VIP
微信客服
  • 扫码咨询
会员Q群
  • 会员专属群点击这里加入QQ群
客服邮箱
回到顶部