电脑桌面
添加小米粒文库到电脑桌面
安装后可以在桌面快捷访问

岩石容重及各种岩石参数VIP免费

岩石容重及各种岩石参数_第1页
1/8
岩石容重及各种岩石参数_第2页
2/8
岩石容重及各种岩石参数_第3页
3/8
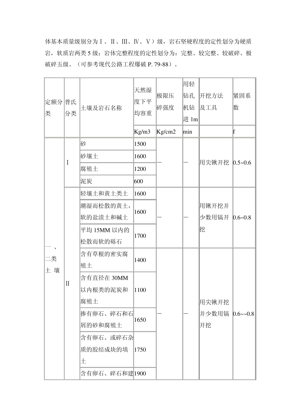
摘自中国工程爆破协会网协会副理事长周家汉的(《全国统一爆破工程消耗量定额》编制工作会议上的讲话) 岩体类别 在编写原则中,关于岩土爆破工程的土壤及岩石分类仍按建设部《全国统一建筑工程基础定额》中的土壤及岩石(普氏)分类表执行。 在露天、地下、硐室、水下等石方爆破工程中,都有岩体分类问题。在过去的爆破定额中,均采用前苏联的土壤及岩石分类表(普氏岩石强度系数)把土壤和岩石共划分为五级:Ⅰ-Ⅳ为土壤类;Ⅴ为松石(软石);Ⅵ-Ⅷ为次坚石;Ⅸ- X 为普坚石;Ⅺ-ⅩⅥ为特坚石,每一级都有土壤岩石名称和物理力学性质指标。在爆破工程的预算定额中过去均采用后四段,即松石、次坚石、普坚石和特坚石,而且已往已有较多的定额参考资料。2003 年颁布实施的国家标准《建设工程工程量清单计价规范》GB50500-2003 规定采用的就是上述《土壤及岩石分类表》,1988 年《全国统一城镇控制爆破工程、硐宝大爆破工程预算定额》也是采用此分类表。因此,编制全国统一爆破工程消耗量定额也决定采用该分类表。该表已为国内建筑工程与爆破界所公认,不仅可以确定工程所在岩石的开挖方法、判断岩石爆破的难易程度,而且可以作为计算承包工程单价、编制招投标的依据。 建国以来,我国科技工作者对岩石在分类分级进行过大量工作。如东北工学院,科学院工程地质研究所等。东北大学进行了岩石可爆性与稳定性的研究,提出了分级方法。其中岩石的可爆性分级是以能量平衡为准则,根据标准条件下爆破漏中体积、大块率、小块率、平均合格率试验数据以及岩石波阻抗,计算出岩石可爆性指数,提出分级表。共分为:易爆、中等可爆、难爆、很难爆、极端难爆五个等级。虽经过冶金部组织通过技术鉴定,但未成为全国公认的分级表,未能推广纳入爆破定额。但可供研究参考。 我国工程地质科学工作者(科学院地质所等)为了建立统一评价工程岩爆稳定性的分级标准,为岩土工程建设的勘察、设计、施工和编制定额提供必要的基本依据,经过多年研究并制定颁布了我国工程岩体分级标准(GB50218-94)。不仅可以确定爆破岩体的基本质量级别,还可用于判断岩体爆破的难易程度。(岩体基本质量级别分为Ⅰ、Ⅱ、Ⅲ、Ⅳ、Ⅴ)级,岩石坚硬程度的定性划分为硬质岩,软质岩两类 5 级;岩体完整程度的定性划分为:完整、较完整、较破碎、极破碎五级。(可参考现代公路工程爆破 P. 79-88)。 定额分类 普氏分类 土壤及岩石名称 天然湿度下平均容重 极限压 碎强度...

1、当您付费下载文档后,您只拥有了使用权限,并不意味着购买了版权,文档只能用于自身使用,不得用于其他商业用途(如 [转卖]进行直接盈利或[编辑后售卖]进行间接盈利)。
2、本站所有内容均由合作方或网友上传,本站不对文档的完整性、权威性及其观点立场正确性做任何保证或承诺!文档内容仅供研究参考,付费前请自行鉴别。
3、如文档内容存在违规,或者侵犯商业秘密、侵犯著作权等,请点击“违规举报”。

碎片内容

岩石容重及各种岩石参数

您可能关注的文档

小辰8+ 关注
实名认证
内容提供者

出售各种资料和文档

确认删除?
VIP
微信客服
  • 扫码咨询
会员Q群
  • 会员专属群点击这里加入QQ群
客服邮箱
回到顶部