电脑桌面
添加小米粒文库到电脑桌面
安装后可以在桌面快捷访问

测量控制点点之记(word版)格式VIP免费

测量控制点点之记(word版)格式_第1页
1/27
测量控制点点之记(word版)格式_第2页
2/27
测量控制点点之记(word版)格式_第3页
3/27
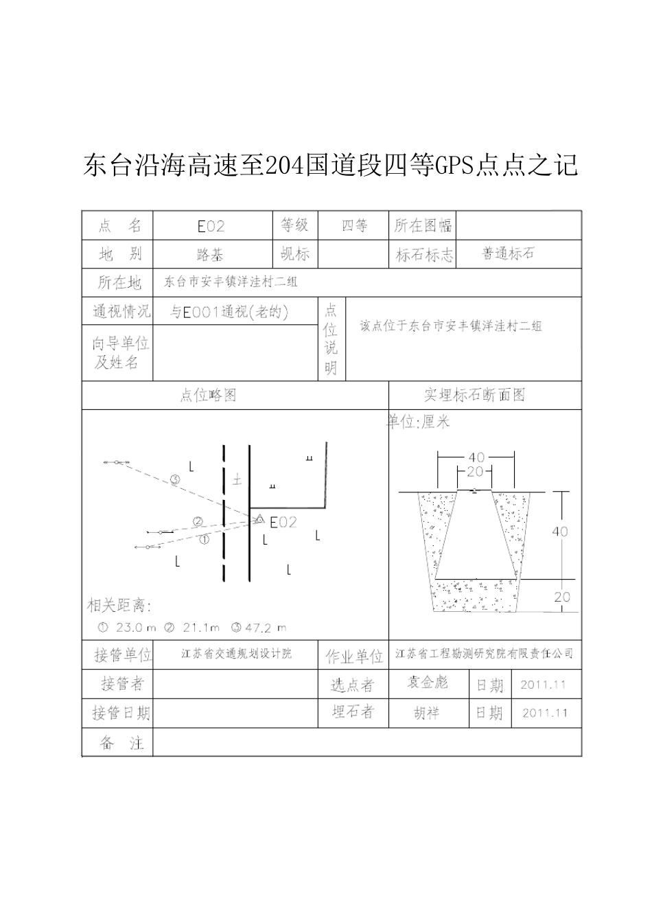
东台北绕城公路控制测量 四等、一级 GPS 控制点点之记 江苏省工程勘测研究院有限责任公司 二 〇 一 一 年 十 月 东台北绕城公路控制测量 四等、一级 GPS 控制点点之记 编 制:袁金彪 检 核:李登富 江苏省工程勘测研究院有限责任公司 甲测资字 32002020 二 〇 一 一 年 十 月 东台沿海高速至204国道段四等GPS点点之记 东台沿海高速至204国道段四等GPS点点之记 东台沿海高速至204国道段四等GPS点点之记 东台沿海高速至204国道段四等GPS点点之记 东台沿海高速至204国道段四等GPS点点之记 东台沿海高速至204国道段E四等GPS点点之记 东台沿海高速至204国道段四等GPS点点之记 东台沿海高速至204国道段四等GPS点点之记 东台沿海高速至204国道段四等GPS点点之记 东台沿海高速至204国道段四等GPS点点之记 东台沿海高速至204国道段四等GPS点点之记 东台沿海高速至204国道段一级GPS点点之记东台沿海高速至204国道段一级GPS点点之记 东台沿海高速至204国道段一级GPS点点之记东台沿海高速至204国道段一级GPS点点之记 东台沿海高速至204国道段一级GPS点点之记东台沿海高速至204国道段一级GPS点点之记 东台沿海高速至204国道段一级GPS点点之记东台沿海高速至204国道段一级GPS点点之记 东台沿海高速至204国道段一级GPS点点之记东台沿海高速至204国道段一级GPS点点之记 东台沿海高速至204国道段一级GPS点点之记东台沿海高速至204国道段一级GPS点点之记 东台沿海高速至204国道段一级GPS点点之记东台沿海高速至204国道段一级GPS点点之记 该点位于东台市安丰镇丰西村十组 东台市安丰镇丰西村十组 F15东台市安丰镇丰西村十组 该点位于东台市安丰镇丰西村十组 46.2m32011年11月东台沿海高速至204国道段一级GPS点点之记胡祥19.1m江苏省工程勘测研究院有限责任公司与F16通视向 导一级完好F15普通标石等 级完好情况位点明单位接受说通视情况施测单位江苏省交通规划设计院2011年11月向 导与F15通视江苏省工程勘测研究院有限责任公司胡祥距离编制者:完好一级点位F16普通标石等 级完好情况通视情况施测单位26.0m说明接受单位1距离编制者:相关江苏省交通规划设计院相关点 名标石类型位点略图所 在 地点 名标石类型所 在 地点略位图东台沿海高速至204国道段一级GPS点点之记 F18东台市梁垛镇如意村五组 F17该点位于东台市梁垛镇如意村五组 东台市安丰镇丰西村十一组 该点位于东台市安丰镇丰西村十一组 26.0m3...

1、当您付费下载文档后,您只拥有了使用权限,并不意味着购买了版权,文档只能用于自身使用,不得用于其他商业用途(如 [转卖]进行直接盈利或[编辑后售卖]进行间接盈利)。
2、本站所有内容均由合作方或网友上传,本站不对文档的完整性、权威性及其观点立场正确性做任何保证或承诺!文档内容仅供研究参考,付费前请自行鉴别。
3、如文档内容存在违规,或者侵犯商业秘密、侵犯著作权等,请点击“违规举报”。

碎片内容

测量控制点点之记(word版)格式

确认删除?
VIP
微信客服
  • 扫码咨询
会员Q群
  • 会员专属群点击这里加入QQ群
客服邮箱
回到顶部