电脑桌面
添加小米粒文库到电脑桌面
安装后可以在桌面快捷访问

10kV真空断路器技术参数VIP免费

10kV真空断路器技术参数_第1页
1/13
10kV真空断路器技术参数_第2页
2/13
10kV真空断路器技术参数_第3页
3/13
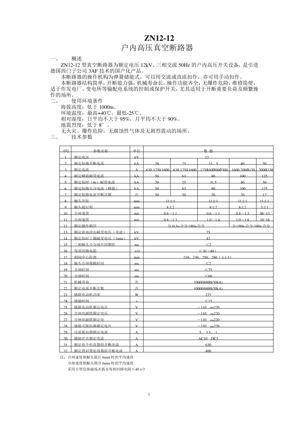
目 录 高压真空断路器 ZN12-12 型户内高压真空断路器……………………………………… ZN12-40.5 型户内高压真空断路器……………………………………… ZN65-12 型户内高压真空断路器……………………………………… VS1-12 型户内高压真空断路器………………………………………… ZN28-12 型户内高压真空断路器……………………………………… ZN28A-12 型户内高压真空断路器……………………………………… ZW32-12 型户外高压真空断路器……………………………………… 1 ZN12-12 户 内 高 压 真 空 断 路 器 一 、 概 述 ZN12-12 型 真 空 断 路 器 为 额 定 电 压 12kV、 三 相 交 流 50Hz 的 户 内 高 压 开 关 设 备 , 是 引 进德 国 西 门 子 公 司 3AF 技 术 的 国 产 化 产 品 。 本 断 路 器 的 操 作 机 构 为 弹 簧 储 能 式 , 可 以 用 交 流 或 直 流 扣 作 , 亦 可 用 手 动 扣 作 。 本 断 路 器 结 构 简 单 , 开 断 能 力 强 , 机 械 寿 命 长 , 操 作 功 能 齐 全 , 无 爆 炸 危 险 , 维 修 简 便 ,适 于 作 发 电 厂 、 变 电 所 等 输 配 电 系 统 的 控 制 或 保 护 开 关 , 尤 其 适 用 于 开 断 重 要 负 荷 及 频 繁 操作 的 场 所 。 二 、 使 用 环 境 条 件 海 拔 高 度 : 低 于 1000m。 环 境 温 度 : 最 高 +40℃ , 最 低 -25℃ 。 相 对 湿 度 : 日 平 均 不大于 95%, 月平 均 不大于 90%。 地震烈度 : 低 于 8°。 无 火灾、 爆 炸 危 险 , 无 腐蚀性气体及 无 剧烈震动 的 场 所 。 三 、 技 术 参数 序号 参数名称 单 位 数 据 1 额 定 电 压 kV 12 2 额 定 短路 开 断 电 流 kA 20 25 31.5 40 50 3 额 定 电 流 A 630 1250 1600 630 1250 1600 1250 1600 2000 2500 1600 2000 3150 2000 3150 4 额 定 峰值耐受电 流 kA 50 63 80 100 125 5 额 定 短时(4s)耐受电 流 kA 20 25 31.5 40 50 6 额 定 短路 关 合 电 流 (峰值) kA 50 63 80 100 125 7 额 定 短路 电 流 开 断 次 数 次 50 50 50 20 12...

1、当您付费下载文档后,您只拥有了使用权限,并不意味着购买了版权,文档只能用于自身使用,不得用于其他商业用途(如 [转卖]进行直接盈利或[编辑后售卖]进行间接盈利)。
2、本站所有内容均由合作方或网友上传,本站不对文档的完整性、权威性及其观点立场正确性做任何保证或承诺!文档内容仅供研究参考,付费前请自行鉴别。
3、如文档内容存在违规,或者侵犯商业秘密、侵犯著作权等,请点击“违规举报”。

碎片内容

10kV真空断路器技术参数

您可能关注的文档

小辰4+ 关注
实名认证
内容提供者

出售各种资料和文档

确认删除?
VIP
微信客服
  • 扫码咨询
会员Q群
  • 会员专属群点击这里加入QQ群
客服邮箱
回到顶部