电脑桌面
添加小米粒文库到电脑桌面
安装后可以在桌面快捷访问

NICE900门机控制器驱动异步电机说明VIP专享VIP免费

NICE900门机控制器驱动异步电机说明_第1页
1/12
NICE900门机控制器驱动异步电机说明_第2页
2/12
NICE900门机控制器驱动异步电机说明_第3页
3/12
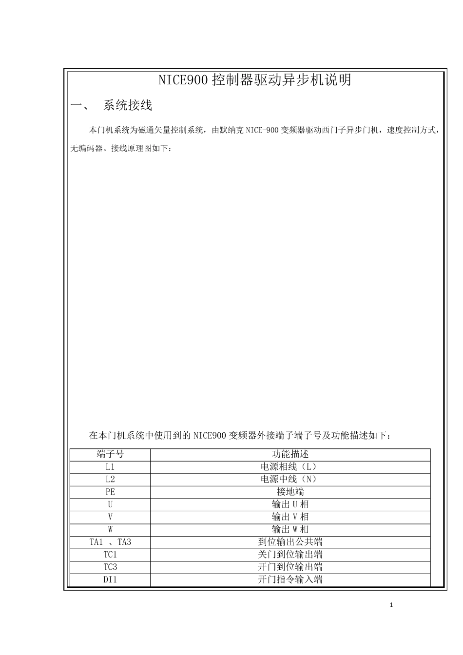
1 NICE900 控制器驱动异步机说明 一、 系统接线 本门机系统为磁通矢量控制系统,由默纳克 NICE-900 变频器驱动西门子异步门机,速度控制方式,无编码器。接线原理图如下: 在本门机系统中使用到的 NICE900 变频器外接端子端子号及功能描述如下: 端子号 功能描述 L1 电源相线(L) L2 电源中线(N) PE 接地端 U 输出 U 相 V 输出 V 相 W 输出 W 相 TA1 、TA3 到位输出公共端 TC1 关门到位输出端 TC3 开门到位输出端 DI1 开门指令输入端 2 DI2 关门指令输入端 DI3 关门换速输入端 DI4 关门到位输入端 DI5 开门换速输入端 DI6 开门到位输入端 COM 开关门输入指令公共端和24V 电源公共端 二、 变频器的面板及操作 3 三、 调试步骤 门机出厂前已经进行变频器、电动机参数整定和整体调试,安装调试时一般无须再进行参数调试,如因实际情况需参数调整的,按以下步骤进行。 注意: 调试过程中人体不要进入门运行区域,否则有安全隐患! 必须按照行业相关标准合理设置功能参数,否则有安全隐患! 确认门机系统机械和电气连接均正确无误,否则有安全隐患! 必须由具有专业资格的人员进行调试,否则有安全隐患! 1、通电前应按图纸接线,检查电气连接的正确性和安全性,然后进行通电调试。 2、门机出厂前已经过调试,各参数已经按照下表中基本运行参数数值进行设置。 参数号 参数名称 设定值 参数说明 F000 控制方式 0 磁通矢量控制 F001 开关门方式选择 0 速度控制方式 F002 命令源选择 1 0:操作面板控制;1:门机端子控制;2:门机手动调试;3:门及自动演示; F003 最大频率 50 Hz 4 F004 面板设定频率 5 Hz F006 慢速行走速度设定 0 Hz F007 载波频率调节 8 KHz F100 电机类型选择 0 异步电机 F101 电机额定功率 180 W F102 电机额定电压 230 V F103 电机额定电流 1.25 A F104 电机额度频率 50Hz F105 电机额定转速 850RPM 软件版本F800,低版本改为 900RPM F106 定子相电阻 19.37 F107 转子相电阻 8.36 F108 异步机漏感抗 34.64 F109 异步机互感 810.0 F110 异步机空载励磁电流 0.5 F116 电机自动调谐进行 0 设为 2 电机空载调谐,完成后自动复位为 0; F200 速度环比例增益 1 15 F201 速度环积分时间 1 1 F202 切换频率1 5 F203 速度环比例增益 2 12 F204 速度环积分时间 2 1 F205 切...

1、当您付费下载文档后,您只拥有了使用权限,并不意味着购买了版权,文档只能用于自身使用,不得用于其他商业用途(如 [转卖]进行直接盈利或[编辑后售卖]进行间接盈利)。
2、本站所有内容均由合作方或网友上传,本站不对文档的完整性、权威性及其观点立场正确性做任何保证或承诺!文档内容仅供研究参考,付费前请自行鉴别。
3、如文档内容存在违规,或者侵犯商业秘密、侵犯著作权等,请点击“违规举报”。

碎片内容

NICE900门机控制器驱动异步电机说明

小辰9+ 关注
实名认证
内容提供者

出售各种资料和文档

确认删除?
VIP
微信客服
  • 扫码咨询
会员Q群
  • 会员专属群点击这里加入QQ群
客服邮箱
回到顶部