电脑桌面
添加小米粒文库到电脑桌面
安装后可以在桌面快捷访问

PL2303USB转RS232控制器VIP免费

PL2303USB转RS232控制器_第1页
1/11
PL2303USB转RS232控制器_第2页
2/11
PL2303USB转RS232控制器_第3页
3/11
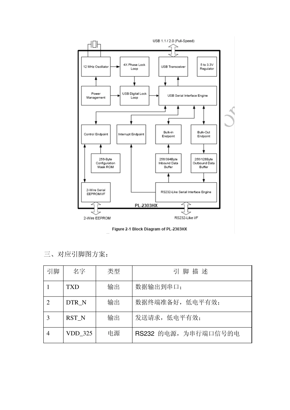
PL2303 U SB 转 RS232 控制器 一、产品特性: 1. 完全符合 USB 规范 2.0(全速兼容) 2. 片内拥有 USB 1.1 收发器,5V 转 3.3V 的稳压器,12 MHz 的晶体振荡器 3. 支持 RS232 这样的串行接口 1)全双工发送器和接收器(TxD 和 RxD) 2)六个调制解调控制引脚(RTS,CTS,DTR,DSR,DCD 和 RI) 3)内容可以为 5,6,7 或 8 个数据位 4)支持自动握手各种模式 5)一、一个半,或两个停止位 6)奇偶错误,帧错误和串行中断检测 7)可编程波特率从 75bps 到 6 Mbps 8)外部的 RS232 驱动下降控制 9)独立的串行接口电源 4. 宽广的流量控制机制 1)自动与 CTS / RTS 流控制 2)自动使用的 XON / XOFF 流量控制 3)入站数据缓冲区溢出检测 5. 可配置的 512 个字节双向数据缓冲器 1)256 字节的输出缓冲区和 256 字节的输入缓冲区 2)128 字节的输出缓冲区和 384 字节的输入缓冲区 6. 支持从远程输入相关调制信号进行唤醒功能 7. 两个通用的 I / O(GPIO)引脚 8. 启动时可以将配置存储于外部的 EEPROM 9. 提供支持 Windows 和 Mac OS,Linux 和 WinCE 的驱动程序 10.具有专为 Windows XP 驱动程序认证的标志 11.该 IC 是 SSOP 封装的小尺寸 28 引脚 二、简介: PL2303 是 Prolific 公司生产的一种高度集成的 RS232-USB 接口转换器,可提供一个 RS232 全双工异步串行通信装置与 USB 功能接口便利联接的解决方案。 该器件内置 USB 功能控制器、USB 收发器、振荡器和带有全部调制解调器控制信号的 UART,只需外接几只电容就可实现 USB 信号与 RS232 信号的转换,能够方便嵌入到手持设备。 该器件作为 USB/RS232 双向转换器,一方面从主机接收 USB 数据并将其转换为 RS232 信息流格式发送给外设;另一方面从 RS232 外设接收数据转换为 USB 数据格式传送回主机。这些工作全部由器件自动完成,开发者无需考虑固件设计。 通过利用 USB 块传输模式,利用庞大的数据缓冲器和自动流量控制,PL2303HX 能够实现更高的吞吐量比传统的 UART(通用异步收发器)端口,高达 115200 bps 的波特率可用于更高的性能使用。 三、对应引脚图方案: 引脚 名字 类型 引 脚 描 述 1 TXD 输出 数据输出到串口; 2 DTR_N 输出 数据终端准备好,低电平有效; 3 RST_N 输出 发送请求,低电平有效; 4 VDD_325...

1、当您付费下载文档后,您只拥有了使用权限,并不意味着购买了版权,文档只能用于自身使用,不得用于其他商业用途(如 [转卖]进行直接盈利或[编辑后售卖]进行间接盈利)。
2、本站所有内容均由合作方或网友上传,本站不对文档的完整性、权威性及其观点立场正确性做任何保证或承诺!文档内容仅供研究参考,付费前请自行鉴别。
3、如文档内容存在违规,或者侵犯商业秘密、侵犯著作权等,请点击“违规举报”。

碎片内容

PL2303USB转RS232控制器

确认删除?
VIP
微信客服
  • 扫码咨询
会员Q群
  • 会员专属群点击这里加入QQ群
客服邮箱
回到顶部