电脑桌面
添加小米粒文库到电脑桌面
安装后可以在桌面快捷访问

PLC技术应用期末试题VIP免费

PLC技术应用期末试题_第1页
1/12
PLC技术应用期末试题_第2页
2/12
PLC技术应用期末试题_第3页
3/12
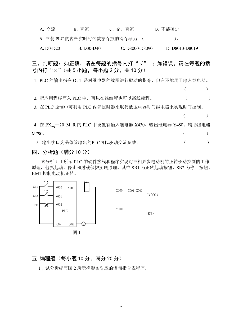
1 PLC 技术及应用自测试题一 一、填空选择题:(共 6 小题,每空 1 分,共 18 分) 1. PLC 是一种工业控制计算机,它的基本结构是由 、 、存储器和 组成。 2. PLC 开关量输出接口按 PLC 内部使用的器件可以分为晶体管输出型、____________输出型和 输出型。 3. PLC 用户程序的完成分为 、 、 三个阶段。这三个阶段是采用 工作方式分时完成的。 4. PLC 的编程语言常用的有 、______________和功能图语言及高级语言。 5. PLC 的控制系统构成主要由输入设备、___________和____________等三部分。 6. 型号为 FX1s-20MR 的PLC,它表示的含义包括如下几部分:它是 单元,其输入输出总点数为 点,其中输入点数为 点,输出点数为 点,其输出类型为 。 二、单项选择题:(共 6 小题,每小题 3 分,共 18 分) 1. 下列结构中,不属于 PLC 的基本组成结构的是( )。 A. CPU B. 输入、输出接口 C. 存储器 D. 定时器 2. 三菱公司 PLC 的型号为 FX2N-48MR,则它的I/O 总点数为( )。 A. 48 B. 4 C. 8 D. 不能确定 3. 继电接触式控制电路可以翻译成 PLC 的( )程序。 A. 助记符 B. 梯形图 C. C 语言 D. 汇编语言 4. 下列不属于 FX2N 系列 PLC 的编程元件的是( )。 A. 输入继电器 X B. 输出继电器 Y C. 辅助继电器 M D. 热继电器 FR 5. 某 PLC 的输出接口是晶体管电路,则其输出可驱动( )负载。 2 A. 交流 B. 直流 C. 交、直流 D. 不能确定 6. 三菱PLC 的内部实时时钟数据存放的寄存器为 ( )。 A. D0-D20 B. D30-D40 C. D8000-D8090 D. D8013-D8019 三、判断题:如正确,请在每题的括号内打“√” ;如错误,请在每题的括号内打“×”(共 5 小题,每小题2 分,共 10 分) 1. PLC 的输出指令OUT 是对继电器的线圈进行驱动的指令,但它不能用于输入继电器。 ( ) 2. 把应用程序写入PLC 中,可以在线编程也可以离线编程。 ( ) 3. 在PLC 控制中可利用PLC 内部定时器来取代低压电器时间继电器来实现时间控制。 ( ) 4. 在FX 2N—20 M R 的PLC 中设置有输入继电器X430、输出继电器Y480、辅助继电器M790。 ( ) 5. 输出接口为晶体管输出的PLC可以驱动交流负载。 ( ) 四、分析题(满分 10 分) 试分析图 1 所示 PLC 的硬件接线和程序实现对三相异步电动机的正...

1、当您付费下载文档后,您只拥有了使用权限,并不意味着购买了版权,文档只能用于自身使用,不得用于其他商业用途(如 [转卖]进行直接盈利或[编辑后售卖]进行间接盈利)。
2、本站所有内容均由合作方或网友上传,本站不对文档的完整性、权威性及其观点立场正确性做任何保证或承诺!文档内容仅供研究参考,付费前请自行鉴别。
3、如文档内容存在违规,或者侵犯商业秘密、侵犯著作权等,请点击“违规举报”。

碎片内容

PLC技术应用期末试题

确认删除?
VIP
微信客服
  • 扫码咨询
会员Q群
  • 会员专属群点击这里加入QQ群
客服邮箱
回到顶部