电脑桌面
添加小米粒文库到电脑桌面
安装后可以在桌面快捷访问

PLC考试题目整理VIP免费

PLC考试题目整理_第1页
1/12
PLC考试题目整理_第2页
2/12
PLC考试题目整理_第3页
3/12
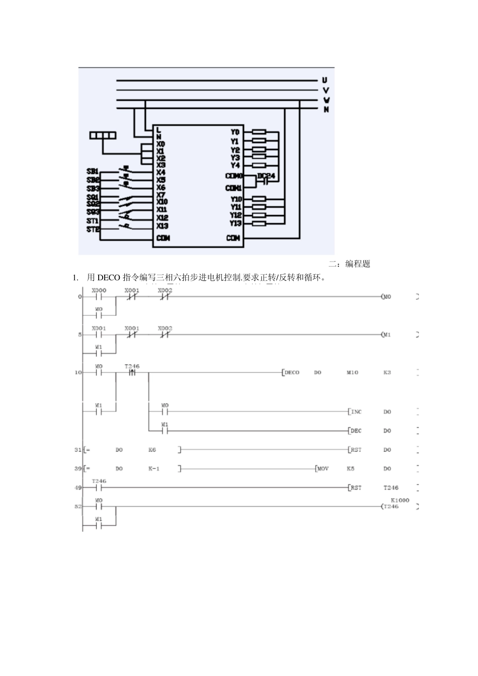
一:绘图题 1.画出FX2n-48MR, FX2n-4AD_PT,和FX2n-2DA 三者与二台变频器接线图,要求4AD 模块用电压通道CH1.CH2, 2DA 模块一路电流控制.另一路电压控制。 FX2n-48MR: FX2n-4AD_PT: FX2n-2DA: 2. 有 FX2n—24MR PLC.输入端:三个按扭开关,两个限位开关.一个磁开关(传感器);输出端:一组 5 个直流电源供电的灯泡,二组 5 个交流220V 供电的 5 个灯泡,试将硬件接入三相四线电路(L1,L2,L3,N)中。 二:编程题 1. 用DECO 指令编写三相六拍步进电机控制.要求正转/反转和循环。 2. 用触点比较指令编写炉温控制程序.当前值D1 由0#4AD 模块采集.每2s采集一次.上限值置 D0.下限值置 D2.当D1 大于 D0 加热器停止.当D1 小于 D2 加热器工作 三:写出将继电器型电气控制柜改为 PLC 控制的步骤 四:判断题 1. PLC 与变频器通信是全双工通信(F ) 2. N:N 通讯最多可以有8 台PLC 通讯(T ) 3. PLC(M)单元与各模块共用一个CPU(T ) 4. PLC 中数据传送是并行传送(F ) 5. PLC 与PLC 通信是主从结构(T ) 6. PLC 中一个定时器最小定时间隔是1ms(T ) 7. PLC(M 单元)控制2DA 模块的命令是T0(T ) 五:填空题 1. PLC 执行程序分为_输入采样_,_程序执行___,__输出刷新__。 2. PLC 输出类型有_继电器输出__,_晶体管输出_,__晶闸管输出__。 3. D8120 是指__存储通信数据格式的特殊继电器__。 4. PLC 有___[D]____ ,___[S]__,_[M]__ ,__[N]__操作数。 5. 步进梯形图中不能使用____MC、MCR____指令。 6. T0—T245 是_断电清零__清零,而 T246—T255 是_用RST 清零__清零。 7. 32 位计数器除具有增减功能外.还有___循环__功能。 8. FX2n—4AD 模块,其 ID 号是___K2010___4AD—PT 的ID 号___K2040____。 9. 模块中存储地址是___BFM#____.M 单元的存储地址是__EPPROM___。 六:选择题(高级电工有关 PLC 的选择题) 1、PLC 中“BATT”灯出现红色表示( )。 A、故障 B、开路 C、欠压 D、过流 2、不属于 PLC 输入模块本身的故障是( )。 A、传感器故障 B、执行器故障 C、PLC 软件故障 D、输入电源故障 3、PLC 编程语言中梯形图是指( )。 A、SFC B、LD C、ST D、FBD 4、在以下 PLC 梯形图程序中,0 步和 3 步实现的功能( )。 A、一样 B、0 步是上升沿脉冲指令,3 步是下降沿脉冲指令 C、0 步是点动,3 步是...

1、当您付费下载文档后,您只拥有了使用权限,并不意味着购买了版权,文档只能用于自身使用,不得用于其他商业用途(如 [转卖]进行直接盈利或[编辑后售卖]进行间接盈利)。
2、本站所有内容均由合作方或网友上传,本站不对文档的完整性、权威性及其观点立场正确性做任何保证或承诺!文档内容仅供研究参考,付费前请自行鉴别。
3、如文档内容存在违规,或者侵犯商业秘密、侵犯著作权等,请点击“违规举报”。

碎片内容

PLC考试题目整理

您可能关注的文档

确认删除?
VIP
微信客服
  • 扫码咨询
会员Q群
  • 会员专属群点击这里加入QQ群
客服邮箱
回到顶部