电脑桌面
添加小米粒文库到电脑桌面
安装后可以在桌面快捷访问

ppr管材的标准及技术要求VIP免费

ppr管材的标准及技术要求_第1页
1/9
ppr管材的标准及技术要求_第2页
2/9
ppr管材的标准及技术要求_第3页
3/9
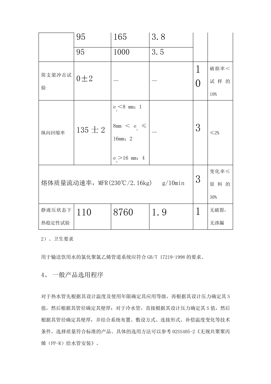
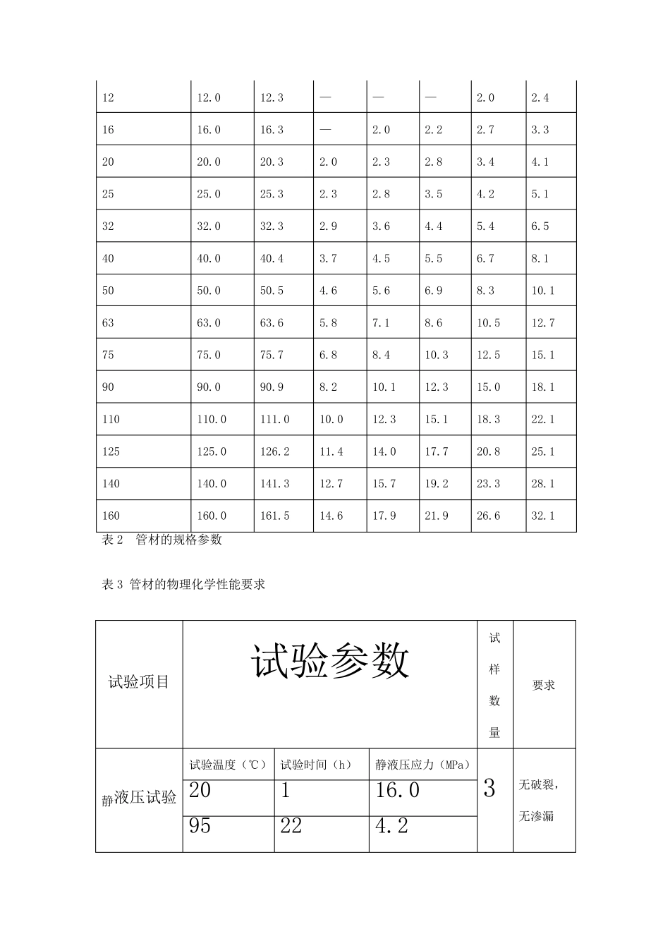
无规共聚聚丙烯(PP-R)管产品选用指南 1、 主要控制参数 冷热水用无规共聚聚丙烯(PP-R)管道系统选用主要控制参数为与其设计压力相关的管系列(见表1),管材需要的公称外径、公称壁厚以及纵向回缩率等基本物理性能参数。 表1 设计压力PD,MPa 管系列S 级别1 σD=3.09MPa 级别2 σD=2.13MPa 0.4 5 5 0.6 5 3.2 0.8 3.2 2.5 1.0 2.5 2 注:上表中每个级别均对应于一个特定的应用范围,见GB/T18742.1-2002 中使用条件级别的要求。各级别的典型应用范围:级别1,供应热水(60℃);级别2,供应热水(70℃)。 2、 主要适用场合 室内冷热水管道、采暖空调管道、直饮水管道。 3、 基本要求 1)、冷热水用无规共聚聚丙烯(PP-R)管及管材的生产应符合 GB/T 18742.1-2002的规定中主要规格参数及性能及性能要求 (表2~表3) 公称外径 dn 平均外径 S5 S4 S3.2 S2.5 S2 dem,min dem,max 公称壁厚en 表2 管材的规格参数 表3 管材的物理化学性能要求 试验项目 试验参数 试样数量 要求 静液压试验 试验温度(℃) 试验时间(h) 静液压应力(MPa) 3 无破裂, 无渗漏 20 1 16.0 95 22 4.2 12 12.0 12.3 — — — 2.0 2.4 16 16.0 16.3 — 2.0 2.2 2.7 3.3 20 20.0 20.3 2.0 2.3 2.8 3.4 4.1 25 25.0 25.3 2.3 2.8 3.5 4.2 5.1 32 32.0 32.3 2.9 3.6 4.4 5.4 6.5 40 40.0 40.4 3.7 4.5 5.5 6.7 8.1 50 50.0 50.5 4.6 5.6 6.9 8.3 10.1 63 63.0 63.6 5.8 7.1 8.6 10.5 12.7 75 75.0 75.7 6.8 8.4 10.3 12.5 15.1 90 90.0 90.9 8.2 10.1 12.3 15.0 18.1 110 110.0 111.0 10.0 12.3 15.1 18.3 22.1 125 125.0 126.2 11.4 14.0 17.7 20.8 25.1 140 140.0 141.3 12.7 15.7 19.2 23.3 28.1 160 160.0 161.5 14.6 17.9 21.9 26.6 32.1 95 165 3.8 95 1000 3.5 简支梁冲击试验 0±2 — — 10 破损率<试样 的10% 纵向回缩率 135 士 2 en<8 mm:1 8mm < en ≤16mm:2 en>16 mm:4 — 3 ≤2% 熔体质量流动速率,MFR(230℃/2.16kg) g/10min 3 变化率≤原 料 的30% 静液压状态下热稳定性试验 110 8760 1.9 1 无破裂, 无渗漏 2)、卫生要求 用于输送饮用水的氯化聚氯乙烯管道系统应符合 GB/T 17219-1998 的要求。 4、 一般产品...

1、当您付费下载文档后,您只拥有了使用权限,并不意味着购买了版权,文档只能用于自身使用,不得用于其他商业用途(如 [转卖]进行直接盈利或[编辑后售卖]进行间接盈利)。
2、本站所有内容均由合作方或网友上传,本站不对文档的完整性、权威性及其观点立场正确性做任何保证或承诺!文档内容仅供研究参考,付费前请自行鉴别。
3、如文档内容存在违规,或者侵犯商业秘密、侵犯著作权等,请点击“违规举报”。

碎片内容

ppr管材的标准及技术要求

确认删除?
VIP
微信客服
  • 扫码咨询
会员Q群
  • 会员专属群点击这里加入QQ群
客服邮箱
回到顶部