电脑桌面
添加小米粒文库到电脑桌面
安装后可以在桌面快捷访问

ProE工程图基本操作VIP免费

ProE工程图基本操作_第1页
1/11
ProE工程图基本操作_第2页
2/11
ProE工程图基本操作_第3页
3/11
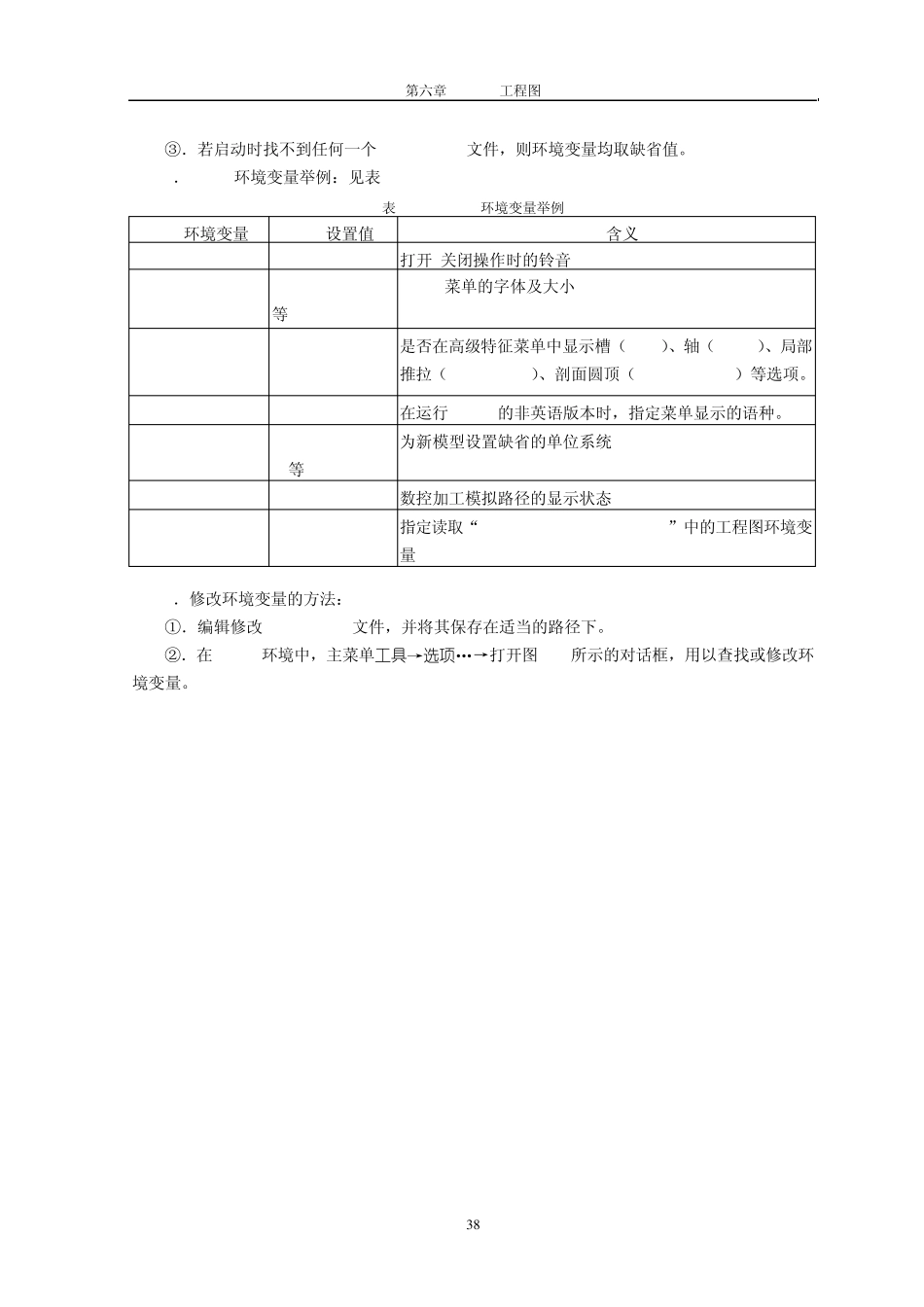
第六章 Pro/E工程图 3 6 第六章 Pro/E工程图 Pro/E提供了强大的工程图功能,可以将三维模型自动生成所需的各种视图。而且工程图与模型之间是全相关的,无论何时修改了模型,其工程图自动更新,反之亦然。Pro/E还提供多种图形输入输出格式,如DWG、DXF、IGS、STP等,可以和其它二维软件交换数据。 §6-1 工程图的基本操作 1. 使用缺省模板自动生成工程图 文件→新建(N)„→打开图6-1所示对话框,文档类型选择“绘图”,输入文档名称,“使用缺省模版”前 → 确定→打开图6-2所示的“新制图”对话框,选择欲生成工程图的模型文件,选择图纸大小,→ 确定→ 进入工程图环境,且自动生成模型的三个视图。 图6-1 创建工程图文档 图6-2 选择工程图模版 图6-3 使用空模版 注意:使用缺省模板自动生成的工程图往往不符合我国制图标准,一般不宜采用。 二、不使用模板生成工程图 1、文件→新建(N)„→打开图6-1所示对话框,文档类型选择“绘图”,输入文档名称,去掉“使用缺省模版”前 → 确定→打开图6-3所示的“新制图”对话框,选择欲生成工程图的模型文件,在“指定模版”栏选择“空”模版,→选择图纸大小及方向,→ 确定→ 进入工程图环境,显示一张带边界的空图纸。 2、在屏幕右侧的绘图工具栏中选取创建一般视图“”工具,或主菜单插入→绘图视图(V)→一般(E)…→在图形窗口给定视图位置→打开图6-4所示的绘图视图对话框,在此给定视图名称、视图方向→确定。 3、生成其它正投影视图:主菜单插入→绘图视图(V)→投影(P)…→在图形窗口给定视图位置→自动在该处生成相应的投影视图。(如果图形窗口中已有两个以上视图,生成投影视图时须指定父视图) 第六章 Pro/E工程图 3 7 图6-4 生成工程图对话框 图6-5 显示/拭除尺寸对话框 4、调整视图位置:为防止意外移动视图,缺省情况下视图被锁定在适当位置。要调整视图位置必须先解锁视图:选取视图→右键→在弹出菜单中去掉“锁定视图移动”前的,这时工程图中的所有视图将被解锁,可以通过拖动鼠标进行移动。调整视图位置时各视图间自动保持对齐关系。 5、删除视图:选中视图→Delete 6、修改视图:点选视图→右键→在弹出菜单中点选“属性”→打开图6-4所示的绘图视图对话框,在此可重新定义视图名称、视图类型、可见区域、比例、剖视、等。 7、标尺寸:在屏幕右侧的绘图工具栏中选取“”工具,或主菜单视图→显示与拭除(S)…→打开图6-5所示的对话框...

1、当您付费下载文档后,您只拥有了使用权限,并不意味着购买了版权,文档只能用于自身使用,不得用于其他商业用途(如 [转卖]进行直接盈利或[编辑后售卖]进行间接盈利)。
2、本站所有内容均由合作方或网友上传,本站不对文档的完整性、权威性及其观点立场正确性做任何保证或承诺!文档内容仅供研究参考,付费前请自行鉴别。
3、如文档内容存在违规,或者侵犯商业秘密、侵犯著作权等,请点击“违规举报”。

碎片内容

ProE工程图基本操作

您可能关注的文档

确认删除?
VIP
微信客服
  • 扫码咨询
会员Q群
  • 会员专属群点击这里加入QQ群
客服邮箱
回到顶部