电脑桌面
添加小米粒文库到电脑桌面
安装后可以在桌面快捷访问

PT2272时序及程序设计VIP免费

PT2272时序及程序设计_第1页
1/17
PT2272时序及程序设计_第2页
2/17
PT2272时序及程序设计_第3页
3/17
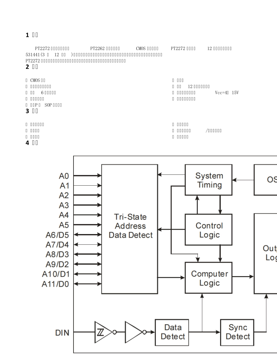
- 1 - 1 描述 PT2272 是遥控解码器,和PT2262 相匹配,采用CMOS 工艺制成。PT2272 最多可有12 位三态地址,提供531441(3 的12 次方)个地址,由此大大减少了地址码冲突的可能性,提高了抗非法代码扫描的能力。同时PT2272 对应不同的应用可有不同的选择:多种数据输出管脚组,锁存输出或瞬态输出型。 2 特征 • CMOS 工艺 • 低功耗 • 非常高的抗噪声能力 • 最多12 位三态地址引脚 • 最多6 位数据引脚 • 宽范围工作电压:Vcc=4~ 15V • 单电阻振荡器 • 锁存或瞬态输出型 • DIP 和 SOP 二种封装 3 应用 • 汽车安全系统 • 房门控制器 • 遥控风扇 • 家用安全系统/自动控制系统 • 遥控玩具 • 工业用遥控 4 框图 - 2 - 5 管脚图 5.1 18 PINS - 3 - 5.2 20 PINS 6 管脚描述 管脚名 I/O 描述 管脚编号 18 脚 20 脚 A0~ A5 I 地址管脚的0~ 5 位 PT2272 的这六个三态脚决定了接收到的编码波形的0~ 5位应有的状态,均可被设置成“0”,“1”or“f”(悬空). 1~ 6 1~ 6 - 4 - A6/D5~ A11/D0 I/O 地址管脚6~ 11/数据管脚5~ 0. 当作为地址管脚使用时(与型号有关),这些三态输入端的输入状态决定接收到的波形第6~ 11 位应该有的状态,可被设为“0”、“ 1”或“f”(浮空)。 当做为数据输出端时,( 1)如果接收到的波形的地址部分与地址管脚设置的一致,则波形的数据部分从相应管脚输出。 ( 2)其它情况数据管脚总是输出低电平。 7~ 8 10~ 13 7~ 8 12~ 15 DIN I 数据输入脚. 编码波形从该端串行输入 14 16 OSC 1 I 振荡器引脚1 在这两脚之间连接一个电阻,此电阻决定 PT2272 的基频。 15 17 OSC 2 O 振荡器引脚2 16 18 VT O 有效接收指示端. “高电平”有效。表示PT2272 接收到有效的编码波形。 17 19 VCC - 电源 18 20 VSS - 地 9 9 NC - 空脚 - 10 ~ 11 7 功能描述 PT2272 将从Din 管脚输入的波形解码。波形被解码成包含地址、数据和同步位的代码字。解码后的地址部分与地址输入管脚设定的地址进行比较,如果连续二次地址比较结果符合,PT2272 将(1)数据部分从数据管脚输出,( 2) VT 管脚输出高电平,表示PT2262 进行了一次有效接收。 7.1 RF 操作 7.1.1 代码位 代码位是编码波形的基本成分,分为AD(地址/数据)位和SYNC(同步)位两种。...

1、当您付费下载文档后,您只拥有了使用权限,并不意味着购买了版权,文档只能用于自身使用,不得用于其他商业用途(如 [转卖]进行直接盈利或[编辑后售卖]进行间接盈利)。
2、本站所有内容均由合作方或网友上传,本站不对文档的完整性、权威性及其观点立场正确性做任何保证或承诺!文档内容仅供研究参考,付费前请自行鉴别。
3、如文档内容存在违规,或者侵犯商业秘密、侵犯著作权等,请点击“违规举报”。

碎片内容

PT2272时序及程序设计

确认删除?
VIP
微信客服
  • 扫码咨询
会员Q群
  • 会员专属群点击这里加入QQ群
客服邮箱
回到顶部