电脑桌面
添加小米粒文库到电脑桌面
安装后可以在桌面快捷访问

室外回填技术交底汇总VIP免费

室外回填技术交底汇总_第1页
1/11
室外回填技术交底汇总_第2页
2/11
室外回填技术交底汇总_第3页
3/11
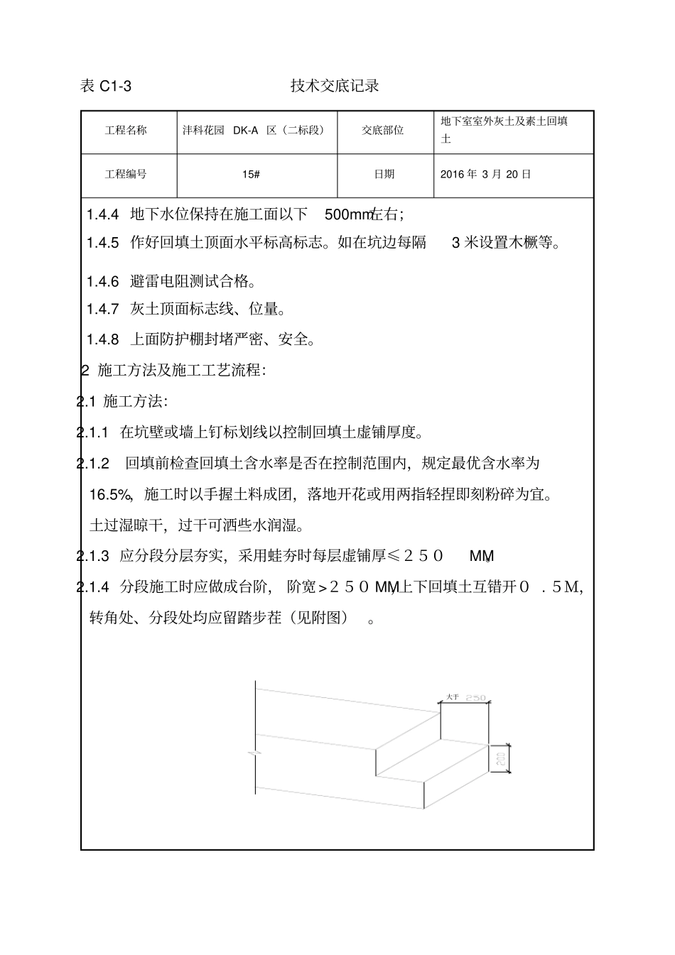
表 C1-3 技术交底记录工程名称沣科花园 DK-A 区(二标段)交底部位地下室室外灰土及素土回填土工程编号15# 日期2016 年 3 月 20 日交底内容:1 施工准备1.1 技术准备:1.1.1 项目部专业技术人员应充分熟悉施工图纸,同时编制详细的施工技术方案。1.1.2 按照设计要求,将材料送试验室做击实试验,确定最大干密度时的最优含水量。1.1.3 在土方施工队伍进场后,项目部专业技术人员应积极的做好土方工程施工技术交底。由项目技术部门及专业工长对进场人员进行安全技术交底,并对机械操作人员进行专门交底。1.1.4 根据设计图纸在地下室外墙上测放出回填土顶标高、控制线及清理基槽杂物,复核合格方可进行施工。1.2 物资准备:1.2.1 在回填前一个星期将素土土样及时送至试验单位,确定素土的最优含水率及最大干密度等各项技术指标,确保原材料合格。1.2.2 本工程回填土采用,自卸汽车运输,土内不得含有砖瓦块、石块、杂草、松软杂质或耕植土;土料的有机含量不得大于5%;土料颗粒不得大于 15mm,土料最优含水量为: 16.5%。根据上述土方量进行土源准备工作,土质质量符合回填土质量要求。表 C1-3 技术交底记录工程名称沣科花园 DK-A 区(二标段)交底部位地下室室外灰土及素土回填土工程编号15# 日期2016 年 3 月 20 日选用填方土料时, 应对土料的含水量进行测定, 要求将填方土料的含水量控制在最优含水率的±2%之内。1.2.3 试验器具环刀、天平、电炉、电炒锅等。1.2.4 素土的运输车辆落实。1.2.5 夯实机械、工具落实。应准备1 台装载机, 4~6 台蛙式打夯机;筛网、铁铲、彩条布、等。1.2.6 素土已具有最佳含水率、最大干容重的土壤击实试验报告。1.3 劳动力准备:1.3.1 在土方工程施工前, 项目部选择专业土方施工队伍进行施工,其技术、人力、机械、质量、进度等资源均满足该工程的施工要求。1.3.2 由于工期紧张,要求室内外回填土尽快保质保量完成施工,为后序工程创造良好的施工条件,因此要确保人力投入。计划施工人员30 人,工期 100 天。1.3.3 签订劳务合同。1.4 作业条件准备:1.4.1 地下室外墙防水保护层施工完成并隐蔽检查合格。1.4.2 落地脚手架拆除并将钢管扣件、模板等槽坑内杂物清理干净。1.4.3 将所有管道引出口、预留洞口、塔吊基座及预留洞口范围堵、挡、砌、截好。表 C1-3 技术交底记录工程名称沣科花园 DK-A 区(二标段)交底部位地下室室外灰土及素土回填土工程编号1...

1、当您付费下载文档后,您只拥有了使用权限,并不意味着购买了版权,文档只能用于自身使用,不得用于其他商业用途(如 [转卖]进行直接盈利或[编辑后售卖]进行间接盈利)。
2、本站所有内容均由合作方或网友上传,本站不对文档的完整性、权威性及其观点立场正确性做任何保证或承诺!文档内容仅供研究参考,付费前请自行鉴别。
3、如文档内容存在违规,或者侵犯商业秘密、侵犯著作权等,请点击“违规举报”。

碎片内容

室外回填技术交底汇总

确认删除?
VIP
微信客服
  • 扫码咨询
会员Q群
  • 会员专属群点击这里加入QQ群
客服邮箱
回到顶部