电脑桌面
添加小米粒文库到电脑桌面
安装后可以在桌面快捷访问

家居智能照明系统的设计毕业设计VIP免费

家居智能照明系统的设计毕业设计_第1页
1/40
家居智能照明系统的设计毕业设计_第2页
2/40
家居智能照明系统的设计毕业设计_第3页
3/40
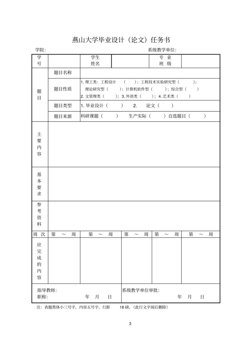
1 本科毕业设计(论文)家居智能照明系统的设计(输入学生姓名)燕 山 大 学2015 年 6 月2 本科毕业设计 (论文)家居智能照明系统的设计学院: 电气工程学院专业:检测技术与仪器学生 姓名:学号:指导 教师:答辩 日期:3 燕山大学毕业设计(论文)任务书学院:系级教学单位:学号学生姓名专 业班 级题目题目名称题目性质1. 理工类:工程设计();工程技术实验研究型();理论研究型();计算机软件型();综合型()2. 文管理类(); 3. 外语类(); 4. 艺术类()题目类型1. 毕业设计() 2.论文()题目来源科研课题()生产实际()自选题目()主要内容基本要求参考资料周 次第~周第~周第~周第~周第~周应完成的内容指导教师:职称:年月日系级教学单位审批:年月日注:表题黑体小三号字,内容五号字,行距18 磅。(此行文字阅后删除)4 摘要随着现在社会的发展, 时代进步, 高新技术的快速融入, 人们的生活发生了巨大的改变, 人们置购了大量高新技术的产品,许多高科技产品的使用越来越成为家庭生活的主旋律。矚慫润厲钐瘗睞枥庑赖。智能灯光控制系统由单片机最小系统、人体感应模块、关照强度模块、灯光控制模块、 电源模块和灯泡组成。 本文以 STC89C52 单片机为核心, 通过利用光照度和红外人体感应相结合主动与被动的探测方法,实现了室内无人或者关照充足时灯光自动光灯,有人到来且光照不足时自动开启灯光。当人们进入家门或走出公寓,室内照明灯延时一分钟后会自动熄灭。在白天,即使有人走过时,灯也不会亮,可以达到节能的目的。聞創沟燴鐺險爱氇谴净。关键词人体感应、智能灯光控制、光强度检测燕山大学本科生毕业设计(论文)5 Abstract With the development of the society, now era progress, fast into the high and new technology, great changes have taken place of people's lives, people purchase a large number of new and high technology products, the use of many high-tech products become the theme of family life.残骛楼諍锩瀨濟溆塹籟。Intelligent lighting control system by single chip microcomputer minimum system module, body induction module, care strength, lighting control module, power module and the light bulb.Based on STC89C52 single-chip mic...

1、当您付费下载文档后,您只拥有了使用权限,并不意味着购买了版权,文档只能用于自身使用,不得用于其他商业用途(如 [转卖]进行直接盈利或[编辑后售卖]进行间接盈利)。
2、本站所有内容均由合作方或网友上传,本站不对文档的完整性、权威性及其观点立场正确性做任何保证或承诺!文档内容仅供研究参考,付费前请自行鉴别。
3、如文档内容存在违规,或者侵犯商业秘密、侵犯著作权等,请点击“违规举报”。

碎片内容

家居智能照明系统的设计毕业设计

确认删除?
VIP
微信客服
  • 扫码咨询
会员Q群
  • 会员专属群点击这里加入QQ群
客服邮箱
回到顶部